EasyManua.ls Logo

Sony HCD-RX88 - Schematic Diagram

Sony HCD-RX88
101 pages
Print Icon
To Next Page IconTo Next Page
To Next Page IconTo Next Page
To Previous Page IconTo Previous Page
To Previous Page IconTo Previous Page
Loading...
– 45 – – 46 –
HCD-GRX8/R800/RX88/RX99
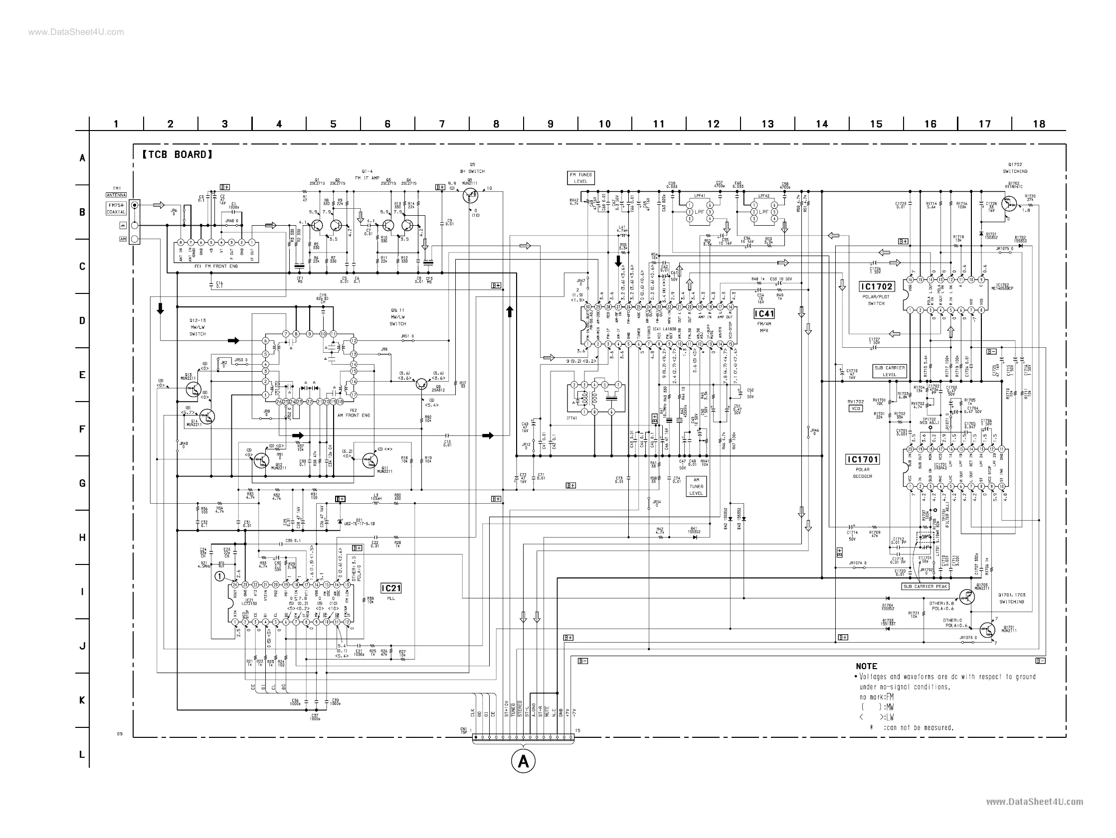
7-8. SCHEMATIC DIAGRAM – TUNER SECTION – (East European, CIS model)
• See page 36 for Waveforms.
• See page 83 for IC Block Diagrams.
(Page 53)
www.DataSheet4U.com

Table of Contents

Related product manuals