EasyManua.ls Logo

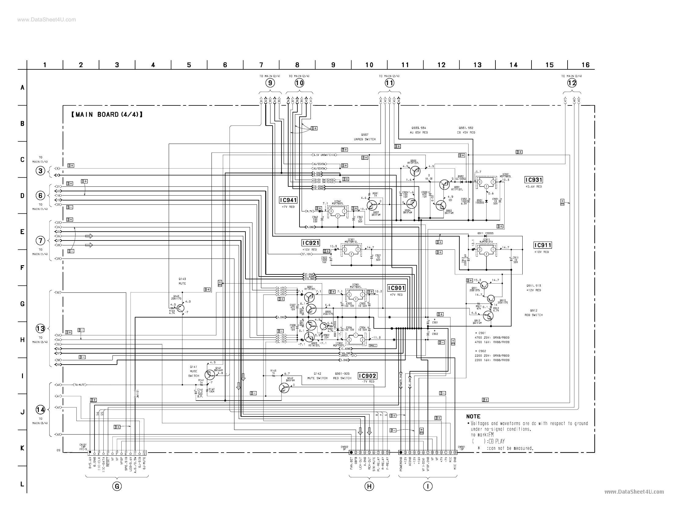
Sony HCD-RX88 - Schematic Diagram - Main (4;4) Section

Sony HCD-RX88
101 pages
Print Icon
To Next Page IconTo Next Page
To Next Page IconTo Next Page
To Previous Page IconTo Previous Page
To Previous Page IconTo Previous Page
Loading...
– 59 – – 60 –
HCD-GRX8/R800/RX88/RX99
7-15. SCHEMATIC DIAGRAM – MAIN (4/4) SECTION –
• See page 51 for Printed Wiring Board.
(Page 54)
(Page
54)
(Page
54)
(Page
58)
(Page
58)
(Page 73)
(Page 65)
(Page 56) (Page 55) (Page 55)
(Page 55)
(Page 65)
www.DataSheet4U.com

Table of Contents

Related product manuals