EasyManua.ls Logo

Sony HCD-SPZ90DAB - MAIN Board -

Sony HCD-SPZ90DAB
69 pages
Print Icon
To Next Page IconTo Next Page
To Next Page IconTo Next Page
To Previous Page IconTo Previous Page
To Previous Page IconTo Previous Page
Loading...
40
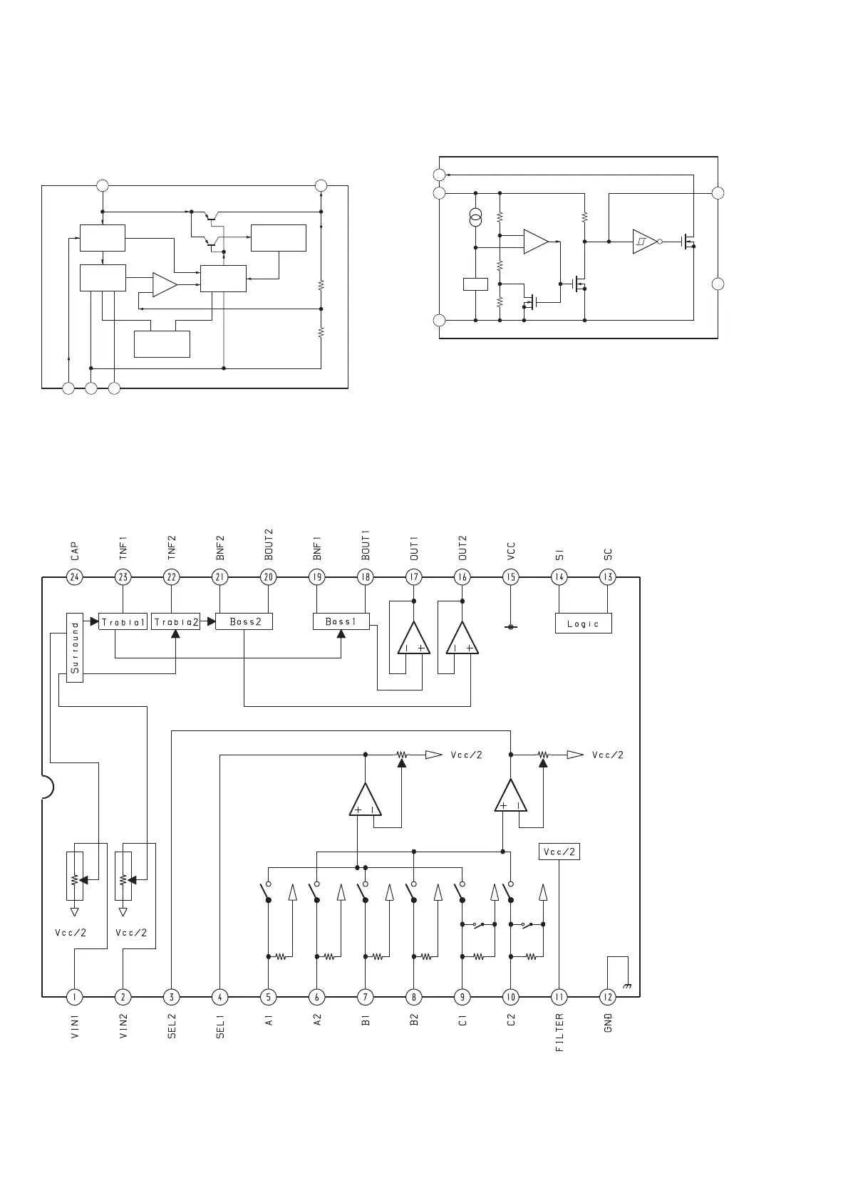
HCD-SPZ90DAB
– MAIN Board –
IC1204 MM1615ANLE
2
5
VIN
4
VOUT
GND
1
CONT
3
NOISE
DRIVER
THERMAL
SHUTDOWN
BIAS
REFERENCE
+
CURRENT
LIMITTER
VDD 2
OUT
1
GND
3
+
VREF
CD5
NC
4
IC1302 PST3629NR
IC1501 BD3870FS-E2

Related product manuals