EasyManua.ls Logo

Sony HCD-SPZ90DAB - - FL Board -; - POWER Board -

Sony HCD-SPZ90DAB
69 pages
Print Icon
To Next Page IconTo Next Page
To Next Page IconTo Next Page
To Previous Page IconTo Previous Page
To Previous Page IconTo Previous Page
Loading...
44
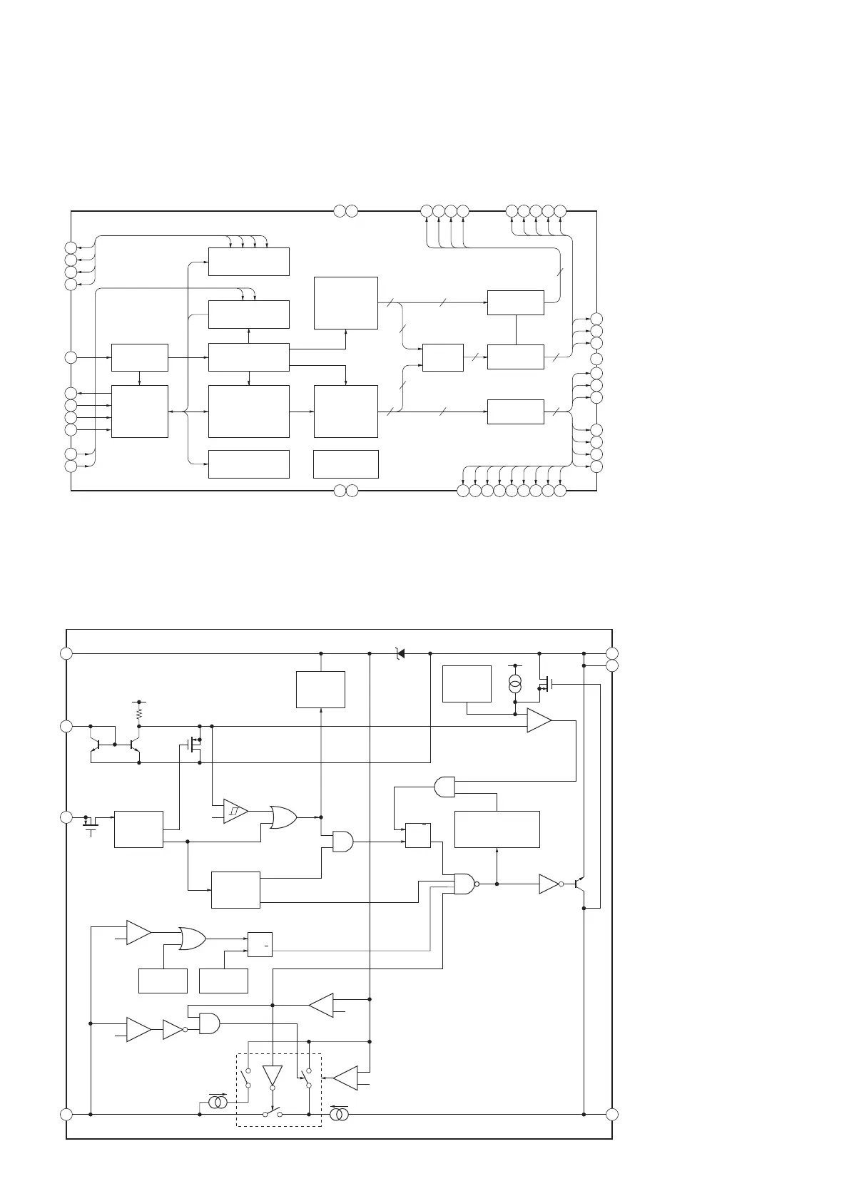
HCD-SPZ90DAB
– FL Board –
IC901 μPD16315GB-3BS
5
OSC
OSC
DATA
SELECTOR
6
DOUT
7
DIN
8
CLK
9
STB
10
KEY1
11
KEY2
SERIAL
INTERFACE
DISPLAY MEMORY
24 BITS x 12 WORDS
24-BIT OUTPUT
LATCH
12-BIT SHIFT
REGISTER
SEGMENT
DRIVER
TIMING GENERATOR
KEY SCAN
COMMAND
DECODER
DIMMING
CIRCUIT
KEY DATA MEMORY
(2 x 16 BITS)
4-BIT LATCH
1
LED1
2
LED2
3
LED3
4
LED4
24 16 16
12 4
8
8
4
8
27
SEG14/KS14
29
SEG16/KS16
30
VEE
28
SEG15/KS15
8
31
SEG17/GRID12
33
SEG19/GRID10
32
SEG18/GRID11
23
SEG10/KS10
24
SEG11/KS11
25
SEG12/KS12
26
SEG13/KS13
22
SEG9/KS9
21
SEG8/KS8
20
SEG7/KS7
19
SEG6/KS6
18
SEG5/KS5
17
SEG4/KS4
16
SEG3/KS3
15
SEG2/KS2
14
SEG1/KS1
MULTIPLEXED
DRIVER
34
SEG20/GRID9
35
SEG21/GRID8
36
SEG22/GRID7
37
SEG23/GRID6
39
GRID4
40
GRID3
41
GRID2
42
GRID1
43
VDD
44
VSS
13
VDD
12
VSS
38
SEG24/GRID5
GRID
DRIVER
– POWER Board –
IC601 MIP2F20MS1SO
CONSTANT
CURRENT
SOURCE
2FB
1VDD
4VCC 5 DRAIN
8 SOURCE
7 SOURCE
3CL
VCL
CLAMP CIRCUIT
(ILIMIT SETTING)
IN
ICL.LOW
VCL.OUT
ILIMIT VARIABLE
CIRCUIT
+
+
+
7.2V
+
2.4V
VCC UV
VCC OVP
OVERHEAT
PROTECTION
S
R
Q
Q
RESTARTING
TRIGGER
R
S
Q
Q
+
27%
22%
FOR LIGHT LOAD
DETECTION INTERMITTENT
OSCILLATION CONTROL
GENERATOR
CLOCK
12kHz
MAXDC
5.7V
5.0V
VDD UV
5.7V
REGULATOR
VDD CLAMP
CIRCUIT
6.6V
+
ILIMIT
CORRECTION
CIRCUIT
FOR
DRAIN CURRENT
DETECT
GATE DRIVER
POWER
MOSFET
AT TURNING ON
BLANKING PULSE
GENERATION CIRCUIT

Related product manuals