EasyManua.ls Logo

Sony HCD-VR50 - Deck Section

Sony HCD-VR50
98 pages
Print Icon
To Next Page IconTo Next Page
To Next Page IconTo Next Page
To Previous Page IconTo Previous Page
To Previous Page IconTo Previous Page
Loading...
HCD-VR50/VR70
– DECK SECTION –
– 21 –
– 22 –
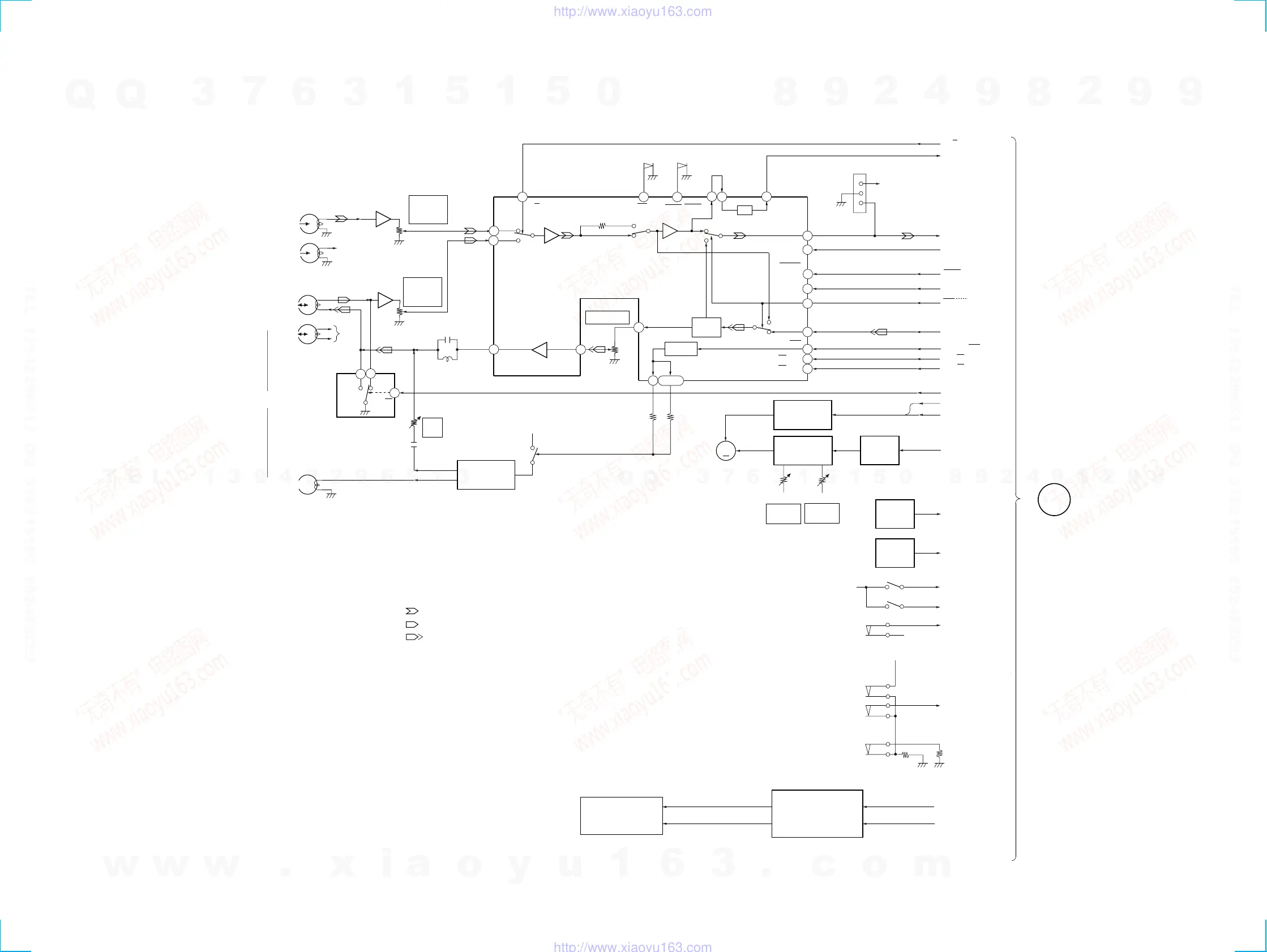
IC611
R CH
HP101
PB HEAD
(DECK A)
L
R
RV311
PLAYBACK
LEVEL
DECK A
IC601
R CH
L
R
RV301
PLAYBACK
LEVEL
DECK B
3
1
IC602
4
REC/PB
EQOUT
REC BIAS
BIAS OSC
T621, Q621, 622
ERASE HEAD
ERASE BIAS
46
48
B IN
A IN
16
PB-A/B
EQIN
38
36
RV301
REC LEVEL
39
RECOUT
BIAS SW
D
M
70
120
DOLBY
TYPE B
+7.5V
Q623
LIN
43
PB
24
18
20
22
40
25
PB OUT
LM ON/
OFF
BIAS ON/OFF
RM ON/OFF
ALC ON/OFF
TC PB L
TC REC L
PB A/B
NORM/HIGH
REC/PB/PASS
BIAS ON/OFF
RM ON/OFF
15
ALC ON/OFF
RELAY
09
B
MAIN
SECTION (1/2), (2/2)
LM ON/OFF
NORM/
HIGH
PAS
DOL
P
R
REC/PB HEAD
(DECK B)
X
DOLBY NR
IC301
DOLBY NR
HRPE101
RV341
REC
BIAS
32
23
NR ON/
OFF
NR ON/OFF
17
S1004
A CrO
2
S1008
B CrO
2
19
A 120/70
B NORM/CROM/
METAL
M
CAP MOTOR
CONTROL
Q336-343
SPEED
CONTROL
Q1001
SWITCH
Q335
RV1001
HIGH
SPEED
RV1002
NORMAL
SPEED
M1
CAPSTAN
MOTOR
CAPM CNT2
CAP M H / L
CAPM CNT1
REEL
DETECT
IC1001
A SHUT
B SHUT
REEL
DETECT
IC1002
S1001 (A PLAY)
+5V
S1002 (B PLAY)
A PLAY
B PLAY
A HALF
B HALF/REC A/REC B
S1003
(A HALF)
+5V
+5V
S1005
(REC A)
S1006
(B HALF)
S1009
(REC B)
(Page 23, 24, 25)
• R CH : Same as L ch
• SIGNAL PATH
: PB (DECK A)
: PB (DECK B)
: REC (DECK B)
R CH
CN301
3
1
28
27
26
MS
MS OUT
B TRIG
A TRIG
TRIGGER
MOTOR
CONTROL
Q331-334
A DECK/
B DECK
PLUNGER
• PLUNGER SOLENOID is supplied
as the MECHANICAL BLOCK ASSY.
31, 33
w
w
w
.
x
i
a
o
y
u
1
6
3
.
c
o
m
Q
Q
3
7
6
3
1
5
1
5
0
9
9
2
8
9
4
2
9
8
T
E
L
1
3
9
4
2
2
9
6
5
1
3
9
9
2
8
9
4
2
9
8
0
5
1
5
1
3
6
7
3
Q
Q
TEL 13942296513 QQ 376315150 892498299
TEL 13942296513 QQ 376315150 892498299
http://www.xiaoyu163.com
http://www.xiaoyu163.com

Table of Contents

Related product manuals