EasyManua.ls Logo

Sony HCD-VR50 - Schematic Diagram - TC Panel Section

Sony HCD-VR50
98 pages
Print Icon
To Next Page IconTo Next Page
To Next Page IconTo Next Page
To Previous Page IconTo Previous Page
To Previous Page IconTo Previous Page
Loading...
HCD-VR50/VR70
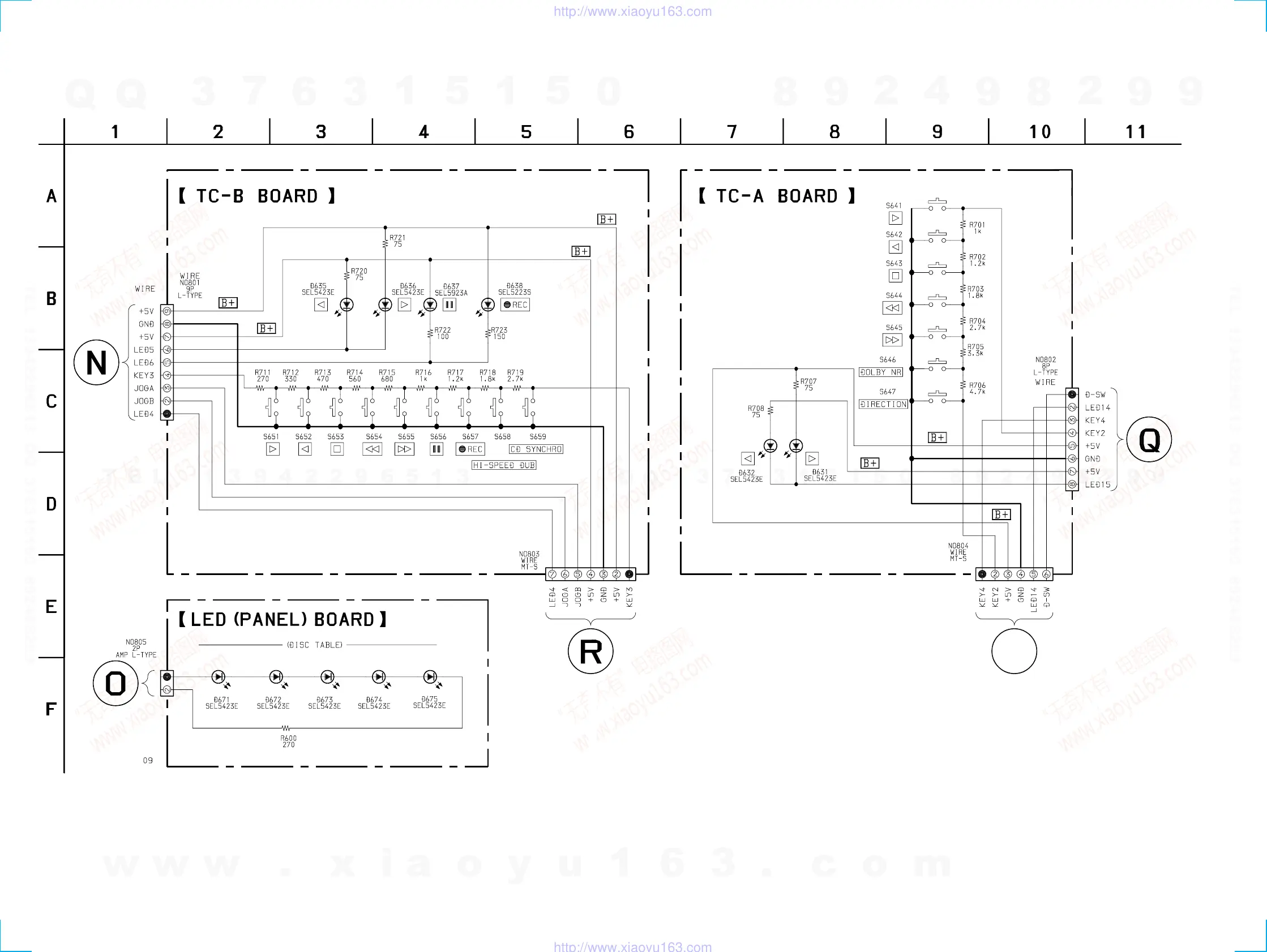
7-26. SCHEMATIC DIAGRAM – TC PANEL SECTION –
– 79 – – 80 –
(Page 72)
(Page 72)
(Page 84)
(Page 83)
(Page 71)
S
()
()
()
()
()
w
w
w
.
x
i
a
o
y
u
1
6
3
.
c
o
m
Q
Q
3
7
6
3
1
5
1
5
0
9
9
2
8
9
4
2
9
8
T
E
L
1
3
9
4
2
2
9
6
5
1
3
9
9
2
8
9
4
2
9
8
0
5
1
5
1
3
6
7
3
Q
Q
TEL 13942296513 QQ 376315150 892498299
TEL 13942296513 QQ 376315150 892498299
http://www.xiaoyu163.com
http://www.xiaoyu163.com

Table of Contents

Related product manuals