EasyManua.ls Logo

Sony HCD-VR50 - Printed Wiring Board - Jack Section

Sony HCD-VR50
98 pages
Print Icon
To Next Page IconTo Next Page
To Next Page IconTo Next Page
To Previous Page IconTo Previous Page
To Previous Page IconTo Previous Page
Loading...
HCD-VR50/VR70
– 93 –
– 94 –
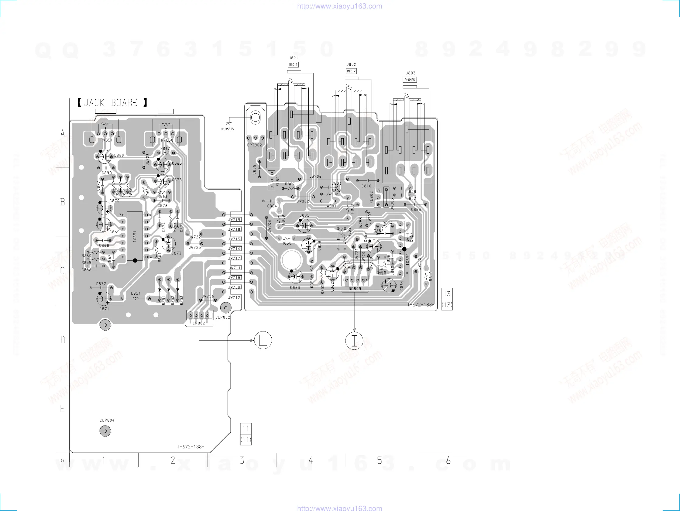
7-33. PRINTED WIRING BOARD – JACK SECTION –
• See page 18 for Circuit Boards Location.
(Page 63)
(Page 51)
ECHO LEVEL
MIC VOL
w
w
w
.
x
i
a
o
y
u
1
6
3
.
c
o
m
Q
Q
3
7
6
3
1
5
1
5
0
9
9
2
8
9
4
2
9
8
T
E
L
1
3
9
4
2
2
9
6
5
1
3
9
9
2
8
9
4
2
9
8
0
5
1
5
1
3
6
7
3
Q
Q
TEL 13942296513 QQ 376315150 892498299
TEL 13942296513 QQ 376315150 892498299
http://www.xiaoyu163.com
http://www.xiaoyu163.com

Table of Contents

Related product manuals