EasyManua.ls Logo

Sony HCD-VX55 - Schematic Diagram Leaf SW Section

Sony HCD-VX55
76 pages
Print Icon
To Next Page IconTo Next Page
To Next Page IconTo Next Page
To Previous Page IconTo Previous Page
To Previous Page IconTo Previous Page
Loading...
HCD-VX55/VX55J
3939
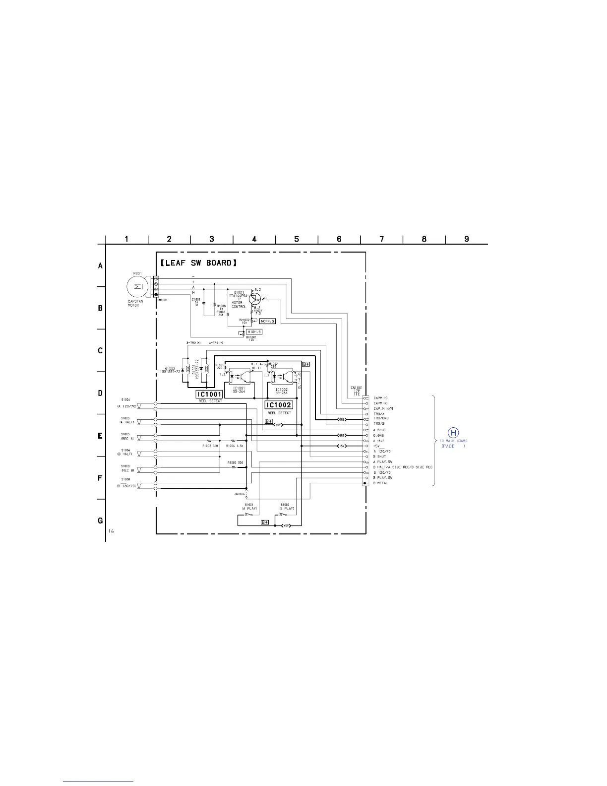
7-14. SCHEMATIC DIAGRAM LEAF SW SECTION
32

Related product manuals