EasyManua.ls Logo

Sony HCD-VX55 - Tape Mechanism Section (TCM-230 PWR11) (1;2)

Sony HCD-VX55
76 pages
Print Icon
To Next Page IconTo Next Page
To Next Page IconTo Next Page
To Previous Page IconTo Previous Page
To Previous Page IconTo Previous Page
Loading...
57
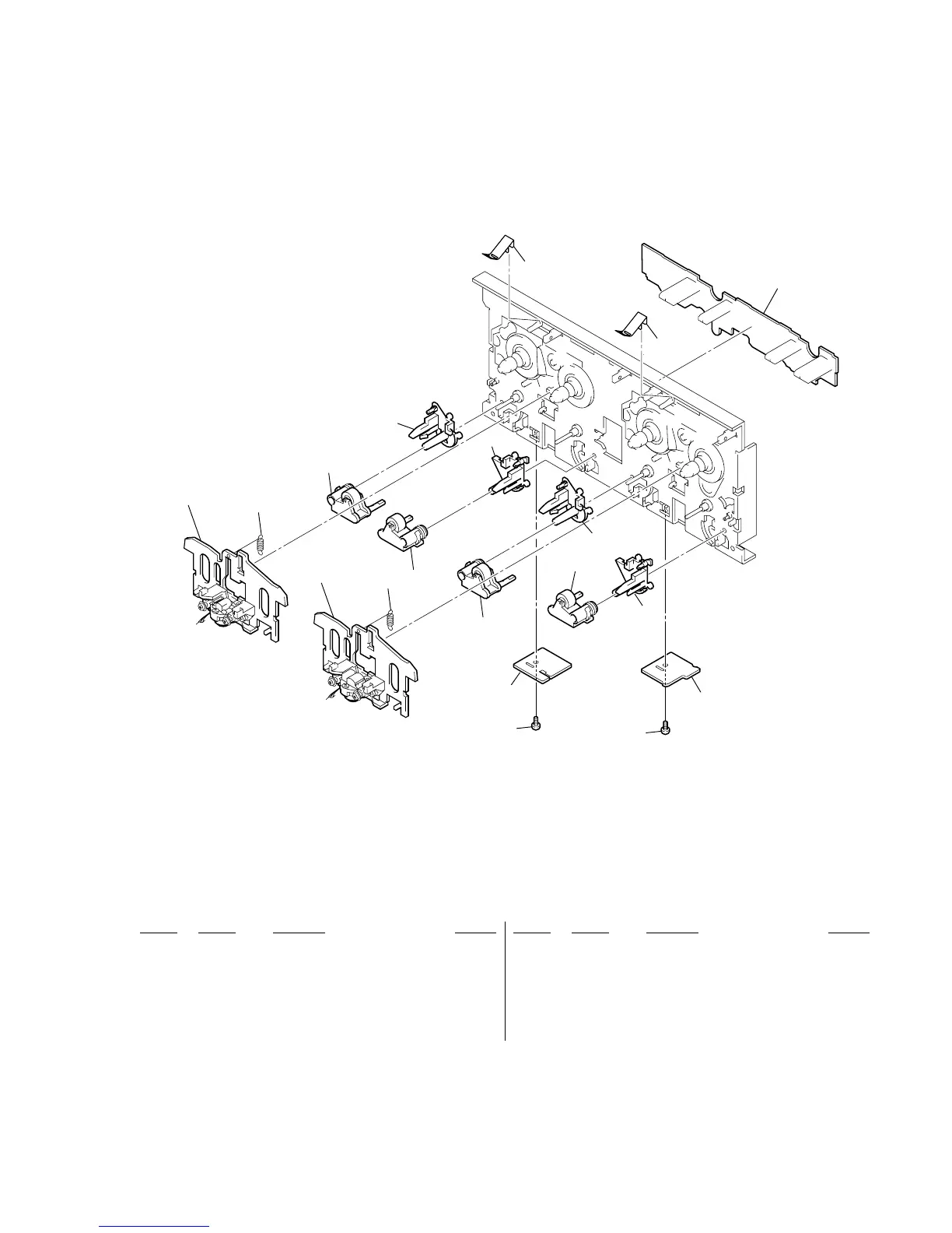
8-4. TAPE MECHANISM DECK SECTION (TCM-230PWR11) (1/2)
Ref. No. Part No. Description Remarks Ref. No. Part No. Description Remarks
158
157
157
159
151
151
152
152
153
153
155
155
154
156
156
154
HRPE101
HP101
Note: Two different types of tape mechanism are used depending on models.
They maintain compatibility as an entire mechanism even though
there are some different parts are used.
160
151 3-016-574-01 SPRING (HEAD), TENSION
152 X-3374-156-4 PINCH LEVER (REV) ASSY
153 X-3374-155-4 PINCH LEVER (FWD) ASSY
154 3-017-366-01 BASE (PINCH LEVER REV)
155 3-017-365-01 BASE (PINCH LEVER FWD)
156 3-016-567-02 SPRING (CASSETTE), LEAF
157 4-227-872-01 SCREW (+PTT 2X4), GROUND POINT
158 1-676-220-11 HEAD (A) BOARD
159 1-676-221-11 HEAD (B) BOARD
160 A-2007-838-A LEAF SW BOARD, COMPLETE
HP101 A-2004-765-A BASE (A) ASSY, HEAD
HRPE101 A-2004-766-A BASE (B) ASSY, HEAD

Related product manuals