EasyManua.ls Logo

Sony HCD-VX8 - Schematic Diagram - Panel (1;3) Section

Sony HCD-VX8
84 pages
Print Icon
To Next Page IconTo Next Page
To Next Page IconTo Next Page
To Previous Page IconTo Previous Page
To Previous Page IconTo Previous Page
Loading...
HCD-VX8/VX8J
– 63 – – 64 –
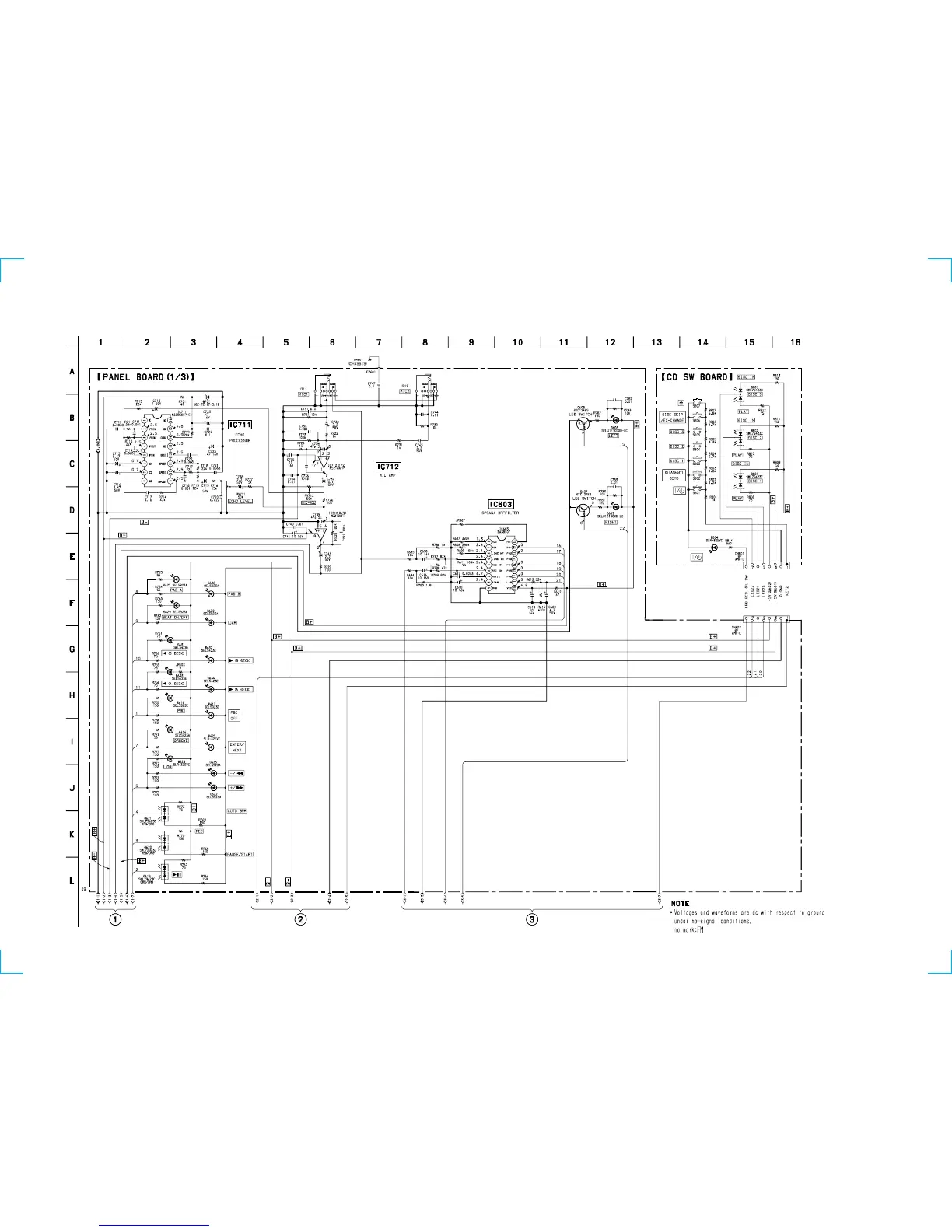
8-19. SCHEMATIC DIAGRAM – PANEL (1/3) SECTION –
• See page 77 for IC Block Diagrams.
(Page 67)
(Page 67)
(Page 65)

Table of Contents

Related product manuals