EasyManua.ls Logo

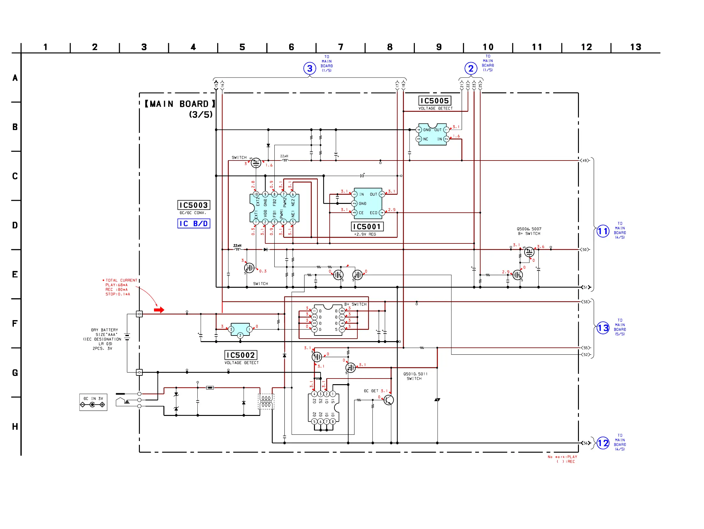
Sony ICD-ST25 - Schematic Diagram - MAIN Board (3;5)

Sony ICD-ST25
42 pages
Print Icon
To Next Page IconTo Next Page
To Next Page IconTo Next Page
To Previous Page IconTo Previous Page
To Previous Page IconTo Previous Page
Loading...
2222
ICD-ST25
4-8. SCHEMATIC DIAGRAM – MAIN BOARD (3/5) –
0.6
(Page 20)
(Page 20)
(Page 23)
(Page 24)
(Page 23)
C5020
IC5003
C5009
C5012
C5021
C5006
Q5009
Q5005
VDR5002
C5004
TH5001
IC5005
IC5001
TP5010
Q5006
Q5003
TP5005
TP5006
TP5004
R5009
R5010
D5004
Q5002
R5007 R5008
R5016
R5015
IC5002
C5003
R5005
TP5007
TP5009
TP5001
TP5008
Q5010
Q5011
D5009
D5007
TP5002
D5002
TP5003
D5005
R5022
R5013
R5021
R5014
T5001
C5016
R5012
C5014
C5022
C5005
W5001
W5002
C5010
C5017
C5018
C5007
C5011
R5006
L5001
R5017
J5001
D5003
R5011
L5002
Q5013
Q5007
0.1
XC9502B092AR
0.1
100p
0.1
0.1
NTHD4508NT1G
2SC4617R
0.1
THERMISTOR
XC61CS23XXNR
R1160N291B-TR-FA
3LN01S-K-TL-E
XP152A12C0MR
470k
150k
CRS02(TE85L)
XP151A12A2MR
470k 680k
470k
470k
S1F77600Y0A000L
47 10V
470k
3LN01S-K-TL-E
3LP01S-K-TL-E
MAZS120008S0
MAZS120008S0
MA2ZD02001SO
MA2ZD02001SO
470k
1k
470k
10k
33
10V
330k
47
6.3V
4.7
10V
10
6.3V
0.1
47
10V
47
10V
1
22p
680k
R5025
1M
R5026
100k
R5024
2.2M
C5026
0.1
1M
CRS02
(TE85L)
2.2k
NTHS2101PT1G
NDS356AP
Q5014
3LN01S-K-TL-E
Q5012
3LN01S-K-TL-E

Other manuals for Sony ICD-ST25

Related product manuals