EasyManua.ls Logo

Sony ICD-ST25 - Case Block

Sony ICD-ST25
42 pages
Print Icon
To Next Page IconTo Next Page
To Next Page IconTo Next Page
To Previous Page IconTo Previous Page
To Previous Page IconTo Previous Page
Loading...
35
ICD-ST25
Ref. No. Part No. Description Remarks Ref. No. Part No. Description Remarks
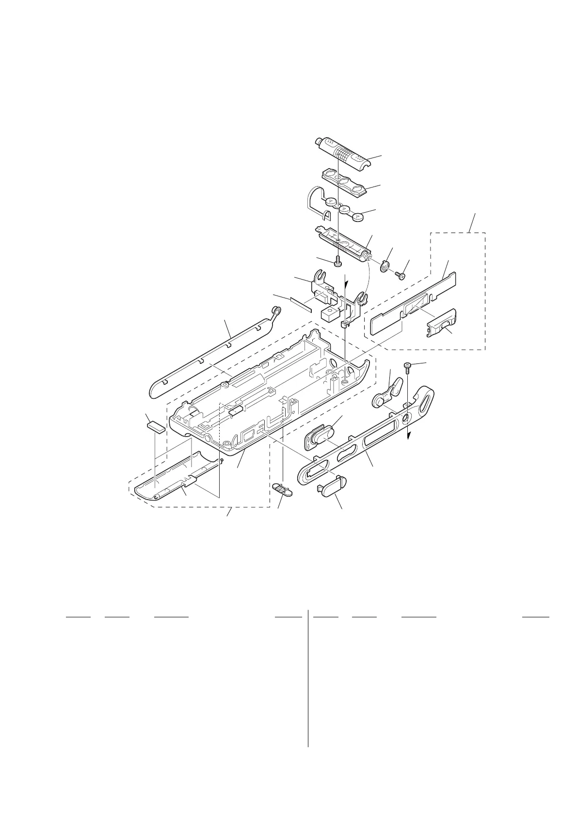
5-2. CASE BLOCK
51 X-3385-113-2 CASE ASSY
52 3-250-038-31 LID, BATTERY CASE
53 3-250-039-01 KNOB (HOLD)
54 3-250-049-11 LID (CONNECTOR)
55 3-250-046-12 ORNAMENT (R)
56 3-250-048-11 BUTTON (VOL)
57 3-250-047-11 BUTTON (RS)
58 3-348-998-41 SCREW (M1.4X3), TAPPING, PAN
59 3-250-050-21 BUTTON (5D)
60 3-253-571-01 SHEET, ADHESIVE
* 61 A-4547-170-A S-SW BOARD, COMPLETE
62 3-250-051-11 ORNAMENT (L)
63 3-250-042-01 BASE, MICROPHONE
64 3-348-998-71 SCREW (M1.4X4.5), TAPPING, PAN
65 3-348-998-21 SCREW (M1.4X2), TAPPING, PAN
66 3-250-045-01 PLATE, CLICK
67 3-250-043-11 COVER, MICROPHONE
68 1-477-825-21 MICROPHONE UNIT
69 3-250-044-01 CUSHION, MICROPHONE
70 3-250-052-11 CASE, MICROPHONE
72 3-255-085-01 CUSHION (BATTERY)
52
51
53
54
55
56
57
58
59
61
62
72
63
60
64
65
not
supplied
not
supplied
a
a
66
67
69
68
70
Ver. 1.1

Other manuals for Sony ICD-ST25

Related product manuals