EasyManua.ls Logo

Sony MHC-V4D - USB and MIC Board Diagrams

Sony MHC-V4D
100 pages
Print Icon
To Next Page IconTo Next Page
To Next Page IconTo Next Page
To Previous Page IconTo Previous Page
To Previous Page IconTo Previous Page
Loading...
MHC-V3/V4D
MHC-V3/V4D
5858
1
A
B
C
D
E
2 3 4 5 6 7 89
C6001
CN6002
14
CN6001
15
R6001
R6002
D6002
D6005
D6001
C6005
C6006
D6006
D6007
C6002
D6004
AKKA
KA
A/K
KA
A/K
KA
A/K
KA
JR
JR6002
JR
JR6001
CL6001
CL6002
CL6003
CL6004
CL6005
CL6006
CL6008
CL6007
ARAGON BOARD
CN451
(Page 44)
>007P
5V 500mA REC/PLAY
USB BOARD
1-893-258-
21
(21)
6-20. SCHEMATIC DIAGRAM - USB Board -
1
A
B
C
D
E
2 3 4 5 6 7 89
USB BOARD
C6005
10u
C6006
0.01u
C6001
100u
6.3V
C6002
0.001u
CL6004
CL6003
CL6002
CL6005
CL6007
CL6008
CL6006
CL6001
CN6002
4P
D6006
D6007
BAV99-215
D6005
BAV99-215
BAV99-215
D6002
DZ2J068M0L
D6004
DZ2J068M0L
D6001
DZ2J068M0L
R6001 0
R6002 0
CN6001
5P
1USB+5V
2NC
3D+
4USB GND
5SHIELD
>028S
ARAGON BOARD
(4/6)
CN451
(Page 49)
5V 500mA REC/PLAY
1
A
B
C
D
E
F
G
H
I
J
K
2 3 4 5 67
153
CN2300
C2301
C2302
C2304
C2305
C2306
C2312
C2317
C2321
C2322
C2323
VR2318
J2300J2301
C2311
LP001
CL2300
CL2301
CL2302
CL2305
CL2308
CL2309
CL2310
CL2312
CL2314
CL2316
CL2319
CL2324
CL2325
CL2326
CL2327
C2303
Q2300
Q2301
C2307
C2308
C2309
C2310
C2313
C2314
C2315
C2316
C2320
D2300
C2325
D2301
KA
A/K
KA
A/K
SG
D
C2326
D2302
C2327
C2328
R2300
R2301
R2302
R2303
R2304
R2305
R2306
R2307
R2308
IC2300
R2309
R2310
R2311
R2312
R2313
R2314
R2315
R2316
R2317
R2318
R2319
CL2322
CL2323
JR
JR2301
CL2320
JR
JR2306
JR
KA
JR
JR2302
JR2303
CL2306
CL2307
MIC BOARD
(V4D)
1-893-259-
21
(21)
TUNER BOARD
CN3003
(Page 56)
>008P
MIC
MIC LEVEL
MIN MAX
1 2
Ver. 1.5
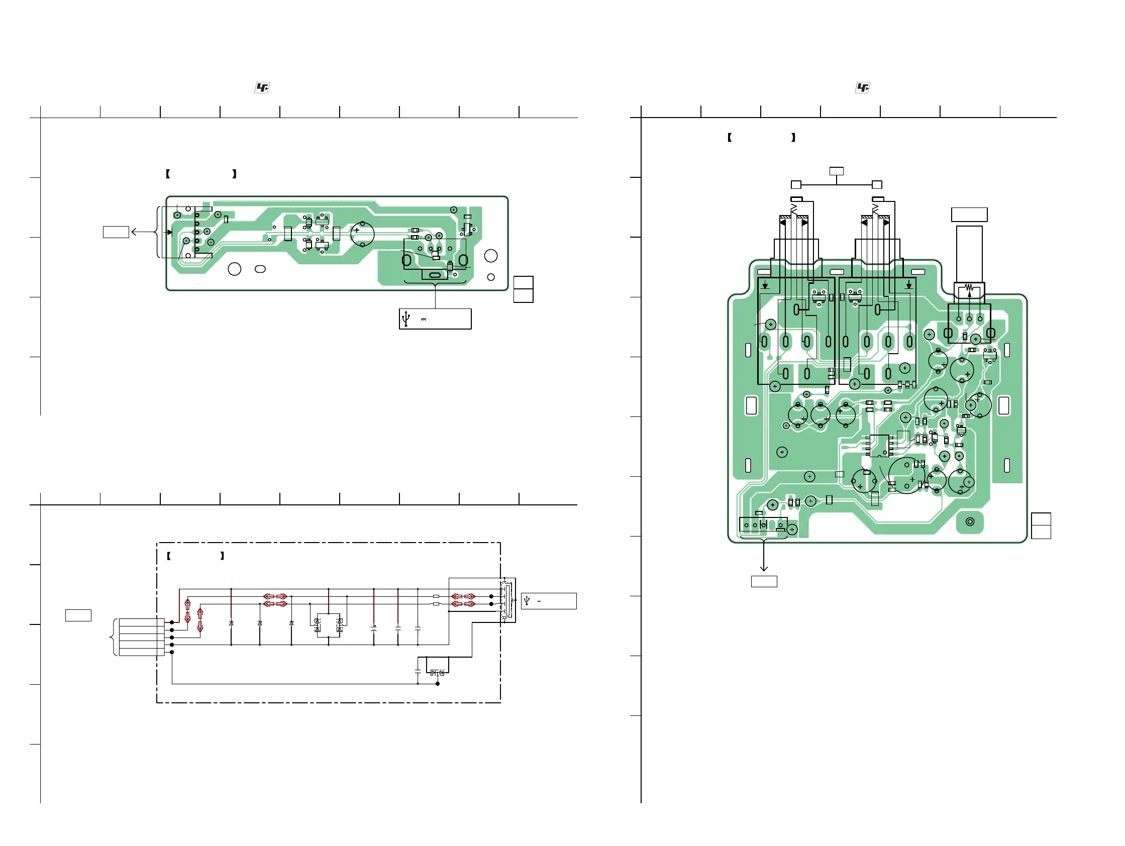
6-19. PRINTED WIRING BOARD - USB Board -
• See page 38 for Circuit Boards Location.
: Uses unleaded solder.
6-21. PRINTED WIRING BOARD - MIC Board (V4D) -
• See page 38 for Circuit Boards Location.
: Uses unleaded solder.

Table of Contents

Other manuals for Sony MHC-V4D

Related product manuals