EasyManua.ls Logo

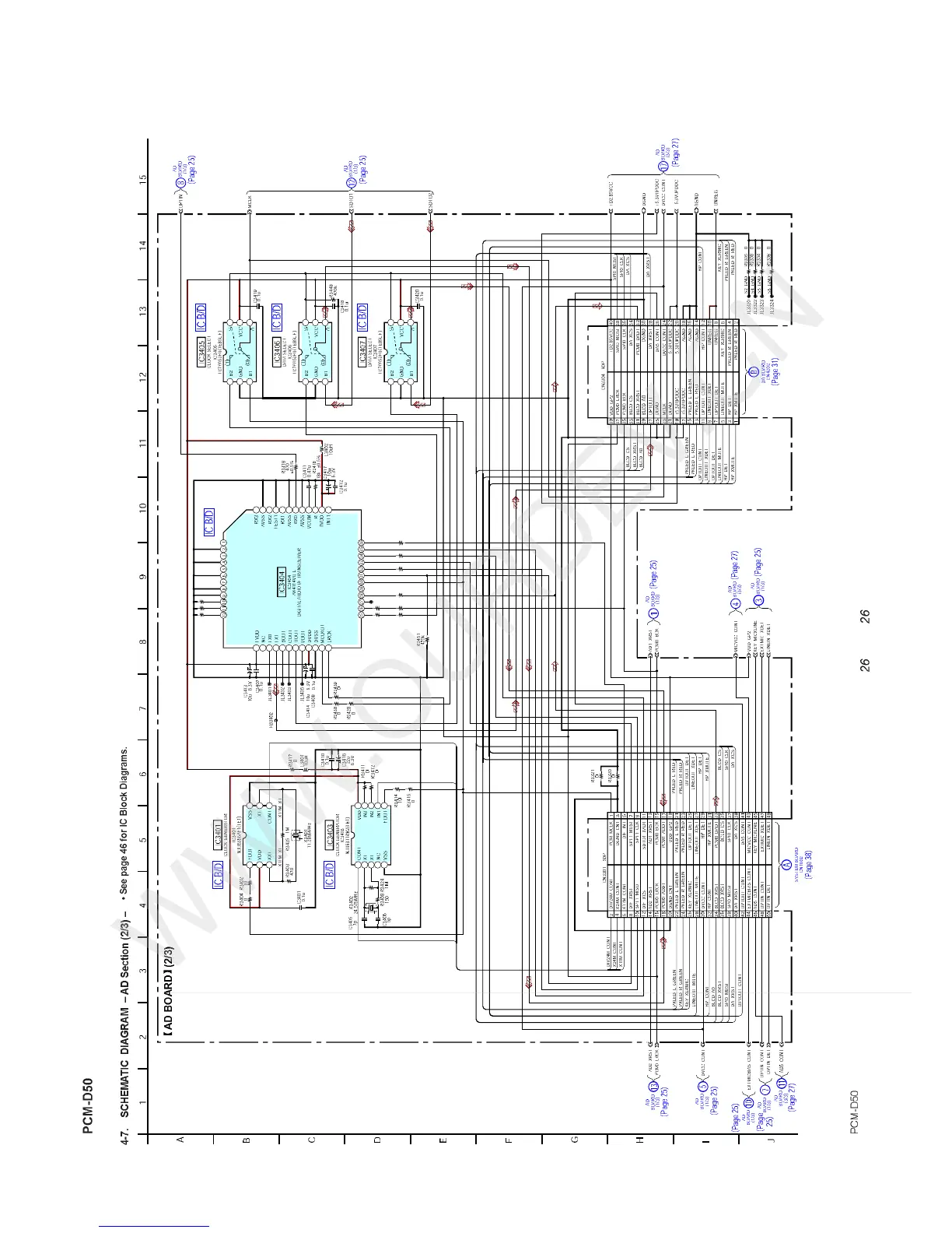
Sony PCM-D50 - Schematic Diagram - AD Section (2;3)

Sony PCM-D50
78 pages
Print Icon
To Next Page IconTo Next Page
To Next Page IconTo Next Page
To Previous Page IconTo Previous Page
To Previous Page IconTo Previous Page
Loading...
ïíïìïëïêïéïèïçî ðîïîîîíîì
íéíèíçìðìïìîìíìììëìêìéìè
ïîí
ìëê
ïîíìë
êéèçïð
ðÎíìîî
ðÎíìîí
ðÎíìîê
ðÎíììê
ïîí
ìëê
ïîí
ìëê
ïîí
ìëê
ÖÔíìðé
ðÎíìíé
ðÎíìíê ðÎíììð
ð
Îíììï
ðÎíììî
ð
Îíììì
ðÎíìëð
ÈîìÓÁÝÑÒÌ
ÈïïÓÁÝÑÒÌ
Ü×ÊîìÓÁÝÑÒÌ
ÐñÍÒ
ÌÛÍÌî
×ÐÍïñ××Ý
Ê×Ò
Ü×ÚðñÎÈë
Ü×ÚîñÎÈé
ÈÌÔï
ßÊÍÍ
ßÊÍÍ
×ÐÍðñÎÈì
ÈÌÔð
Ü×ÚïñÎÈê
ÜßËÈ
×ÒÌð
ÍÜÌÑ
ÑÝÕÍïñÝÝÔÕñÍÝÔ
ÝÓïñÝÜÌ×ñÍÜß
ÝÓðñÝÜÌÑñÝßÜï
ÈÌÑ
ÐÜÒ
ÈÌ×
ÑÝÕÍðñÝÍÒñÝßÜð
Þ×ÝÕ
ÓÝÕÑî
WWW.OURDEV.CN

Other manuals for Sony PCM-D50

Related product manuals