EasyManua.ls Logo

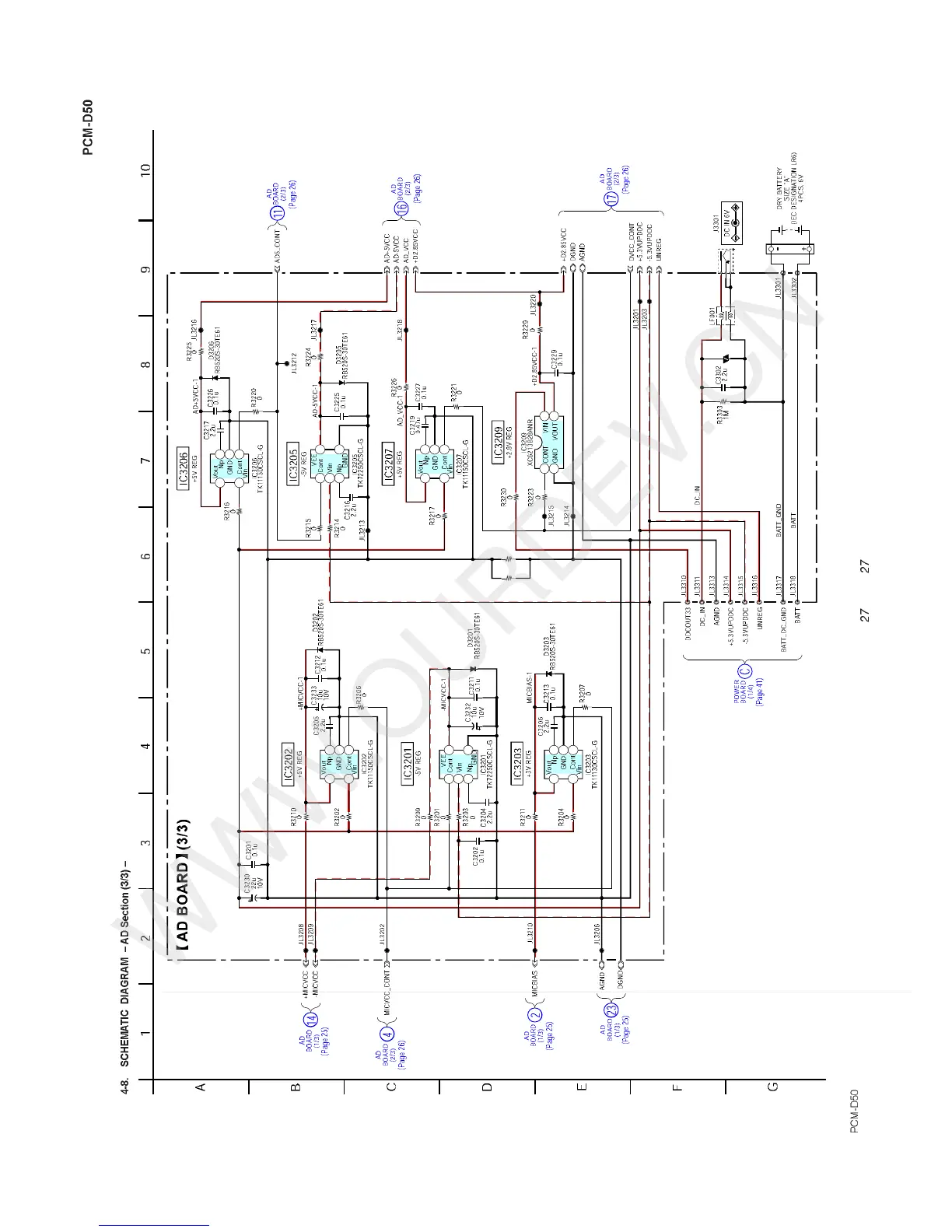
Sony PCM-D50 - Schematic Diagram - AD Section (3;3)

Sony PCM-D50
78 pages
Print Icon
To Next Page IconTo Next Page
To Next Page IconTo Next Page
To Previous Page IconTo Previous Page
To Previous Page IconTo Previous Page
Loading...
ìë
ïîí
ìë
ïîí
ìë ïîí
ìë
ð
Îíîíî
ð
Îíîíï
ïîí
ìë
ïîí
ìë
ïî
íì
ÊÜÎððï
ïîí
WWW.OURDEV.CN

Other manuals for Sony PCM-D50

Related product manuals