EasyManua.ls Logo

Sony RMT-V501D - BLOCK DIAGRAM; System Signal Flow

Sony RMT-V501D
121 pages
Print Icon
To Next Page IconTo Next Page
To Next Page IconTo Next Page
To Previous Page IconTo Previous Page
To Previous Page IconTo Previous Page
Loading...
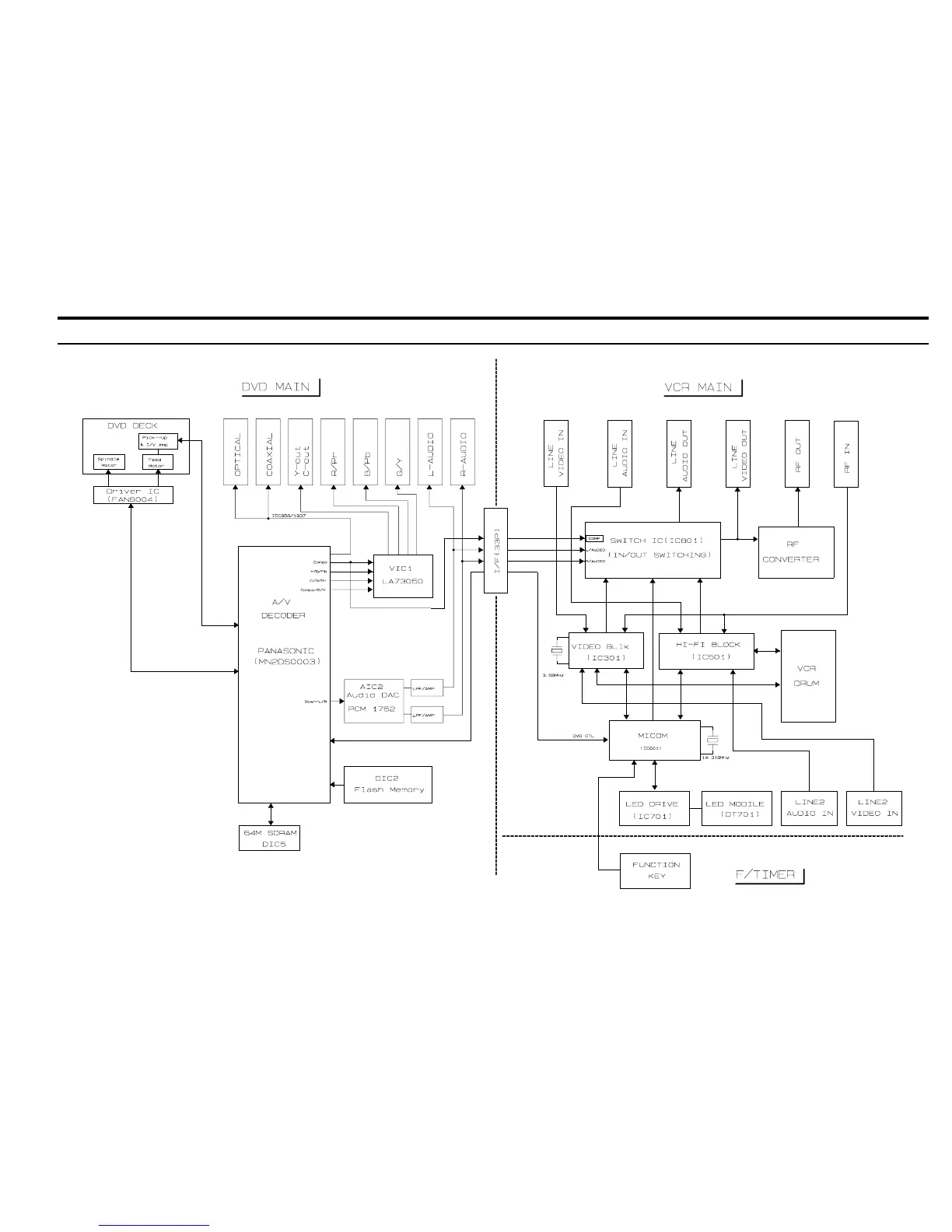
3. BLOCK DIAGRAM
3-23-1
SLV-D350P/D550P

Table of Contents

Related product manuals