EasyManua.ls Logo

Sony SLV-E170EE - Page 20

Sony SLV-E170EE
116 pages
Print Icon
To Next Page IconTo Next Page
To Next Page IconTo Next Page
To Previous Page IconTo Previous Page
To Previous Page IconTo Previous Page
Loading...
tac
incendie
iran
hnftietcnaincnareennnin
teva
SLV-E170EE/E170EG/E320EE/E470EE/E470EG
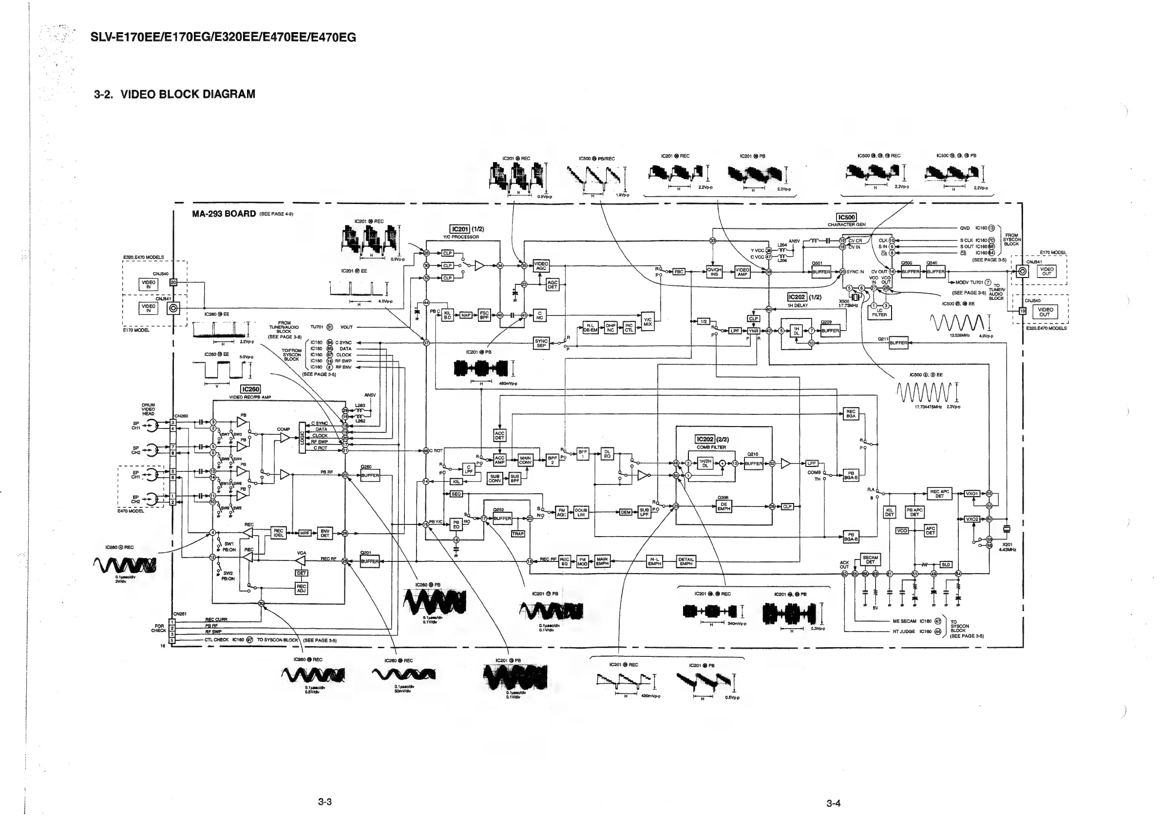
3-2.
VIDEO
BLOCK
DIAGRAM
MA-293
BOARD
sez
Pace
+2)
£320,€470
MODELS
E820,
BATU
MODELS
=
:
CNJ540
|
'
VIDEO
[20}-—-
1
IN
;
ee
nasa
f
7
'
bree
Sainte
my
TS
TunEeoM
£170
MODEL
i
reread
*
(SEE
PAGE
3-8)
]
hoy
22Vep
TO/FROM
1C260
@
EE
SYSCON
in
BLOCK
et
:
VIDEO
REC/PB
AMP
IC260
@
REC
O.1psecidiv
2Vidiv
Tu701
@)
vouT
Ic160
Ic160
@
Ic160
6
iC160
Ic160
1c201
@
REC
IC500
@
PB/REC
Me
A
1C201
@
REC
H
h#———+1_
0.9Vp-p
[fe2or
1)
er
vi
IN
YIC
PROCESSOR
Read
al
C201
@
EE
ia
4.0Vp-p
[ic202]
(2/2)
COMB
FILTER
1C201
@,
@
REC
Lei
eo
340mVp-p
C201
@
REC
{C201
@
PB
ey
2avpe
-——+1
22Vpp
1C500
@,
@,
@
REC
IC500
@,
@,
@
PB
l
2.2Vp-p
=!
2.2Vp-p
H
=
= =
AGEN
CHARACTER
GEI
ais:
ee
>
eis
SCLK
101606
pS
corr
ime
bare
66
G6)
cS
sic160€4)
re
a
1C201
@,
@
PB
(SEE
PAGE
3-5)
,
MODV
TU701
7)
4
|
(SEE
PAGE
3-8)
JUNKY
K
1500
@,
@
EE
9]
i}
13.538MHz
4,0Vp-p
I
17.734475MH2z
2.3Vp-p
!
I
ca
X201
4.43MHz
I
ME
SECAM
IC160
4
To
s
+
YSCON
Roma
hc
ORE
NT
JUDGE
Ic160
@
|
BLOCK
a
(SEE
PAGE
3-5)
Gg
CTLCHECK
1C160
@)
TO
SYSCON
BLOCK\
(SEE
PAGE
3-5)
16
-
-
ass
_
~
a
ee
-
Pe
he
(C280
®
REC
1¢260
@
REC
1C201
@
REC
1C201
@
PB
:
O.1ysecidiv
U
v
va
raat
somvidiv
H
430mVp-p

Table of Contents

Related product manuals