EasyManua.ls Logo

Sony SLV-E170EE - Page 21

Sony SLV-E170EE
116 pages
Print Icon
To Next Page IconTo Next Page
To Next Page IconTo Next Page
To Previous Page IconTo Previous Page
To Previous Page IconTo Previous Page
Loading...
suaneetsnindeitn
indian
nensntesMnins
mnentntn
cena
ntiietnnaninin
ninnitutatninetifrinmnntiateenehinumibubehelninolmtesn
nanan
inn
ithniudnacdentnasnaitnnnnt
seria
atten
tltlieacinititinnctontiwshincansindocinintaiucnianensirnastch
aaah
andi
scacieatdcehswateasustetnsnanaantsrii
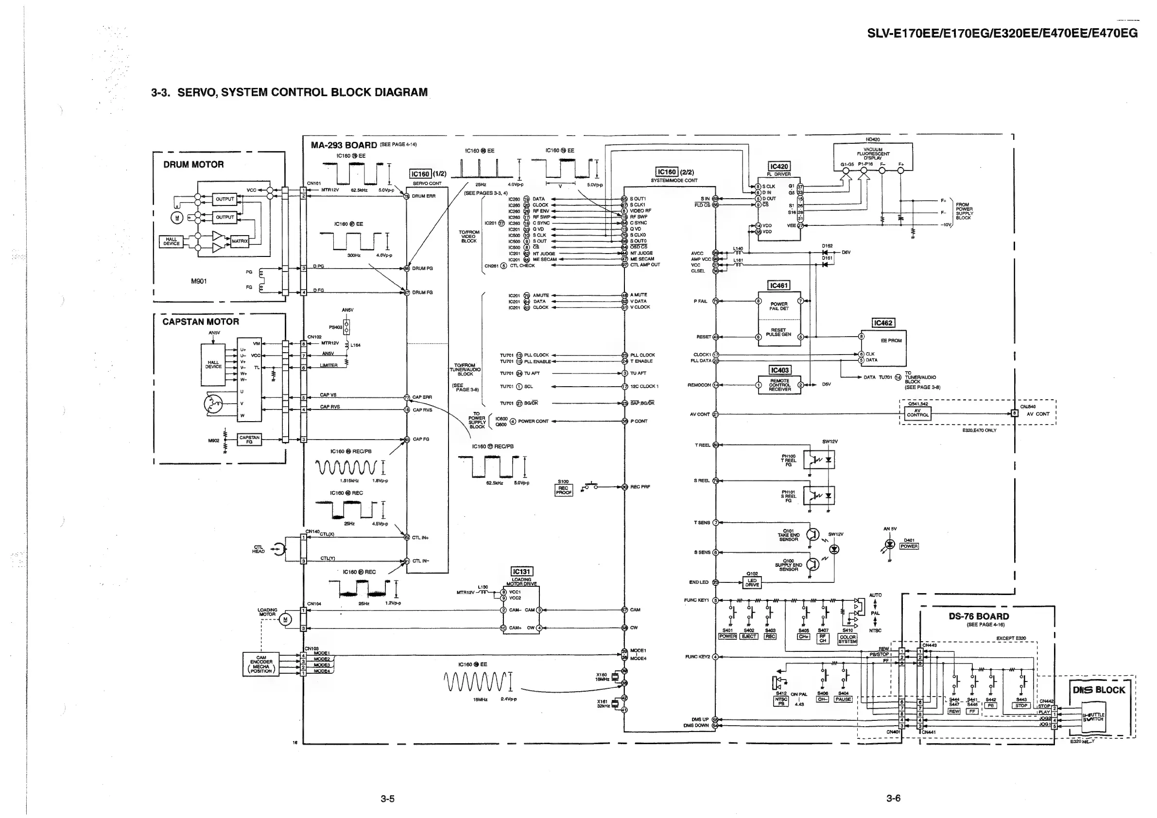
3-3.
SERVO,
SYSTEM
CONTROL
BLOCK
DIAGRAM
uJ
(SEE
PAGE
4-14)
_
MA
specs
cla
(C160
@
EE
IC160
@
EE
DRUM
MOTOR
(SEE
PAGES
3-3,
4)
(C260
C260
(C260
Ic260
1C160
@
EE
1201
@
1¢260
ic201
TO/FROM
VIDEO
Ic500
BLOCK
1¢s00
1¢500
4.0Vp-p
16201
1C201
ae
2
aie
1C201
&
AMUTE
10201
@4)
DATA
10201
3)
CLOCK
ANSV
|p
Tu701
8
PLL
CLOCK
>
Gen
TU701
()
PLL
ENABLE
DEVICE
|_sl
v_
eaekas
TUNER/AUDIO
BLOCK
Tu701
@
TU
AFT
SEE
(SERGE
9-8)
Tu701
@)
scL
Tu701
@)
BG/DK
To
POWER
Suppcy
|
'C59°
@)
power
cont
BLock
|
2600
C160
@
REC/PB
>
——
-
|
ann
1.515kHz
1.8Vp-p
1160
@
REC
OU!
4.5Vp-p
co
62
@3)
CTLIN-
C160
@
REC
7]
rm
r
MOTOR
DRIVE
l
L180
&
igi,
MTRI12V
~T
<
:
5
voce
104
25Hz
1.2Vp-p
LOADING
Peta}
MODES
|
1C160
@
EE
16MHz
2.4Vp-p
[ic160
](1/2)
ree
LI
LI]
SERVO
CONT
25Hz
4.0Vp-p
ky
S.ovpp
CN
.
1
eT
(i/o
GREE
[3]
(0)
cw
(@)
D
SLV-E170EE/E170EG/E320EE/E470EE/E470EG
[ic160]
(2/2)
SYSTEM/MODE
CONT
65)
S
OUT!
SCLK1
VIDEO
RF
8)
RF
SWP
64)
C
SYNC
Qvo
SCLKO
8)
SOUTO
sp
cS
NT
JUDGE
ME
SECAM
CTL
AMP
OUT
FL_ORIVER
Fe
FROM
POWER
F-
)
SUPPLY
=
as
-10V,
PLL
CLOCK
T
ENABLE
1
FLUORESCENT
pd
ngs
5
:
|
I
TU
AFT
TO
DATA
Tu701
(@)
TUNEFVAUDIO
BLOCK
(7)
(SEE
PAGE
3-8)
oe)
OS
eranaae
Fe
ee
eee
ap
em
ee
fe
eee
go
ges
ae
!
3
1
ee
cnusao
1
1]
CONTROL
[8]
AV
CONT
;
68
Pais
i
es
es
eae
ene
oy
tre
eee
\
£320,E470
ONLY
$100
5
REC
O
9
-”
08!
gto
(d)
Siew
AN
5V
401
“¢
Lae
oe
Q100
SUPPLY
END
om
ENDLED
@9
Ea
DS-76
BOARD
|
(SEE
PAGE
4-16)
DESCIRC)
L
CC
Le
i
(o[aJol~Jol
Te
is
]=)
CN441
3-6

Table of Contents

Related product manuals