EasyManua.ls Logo

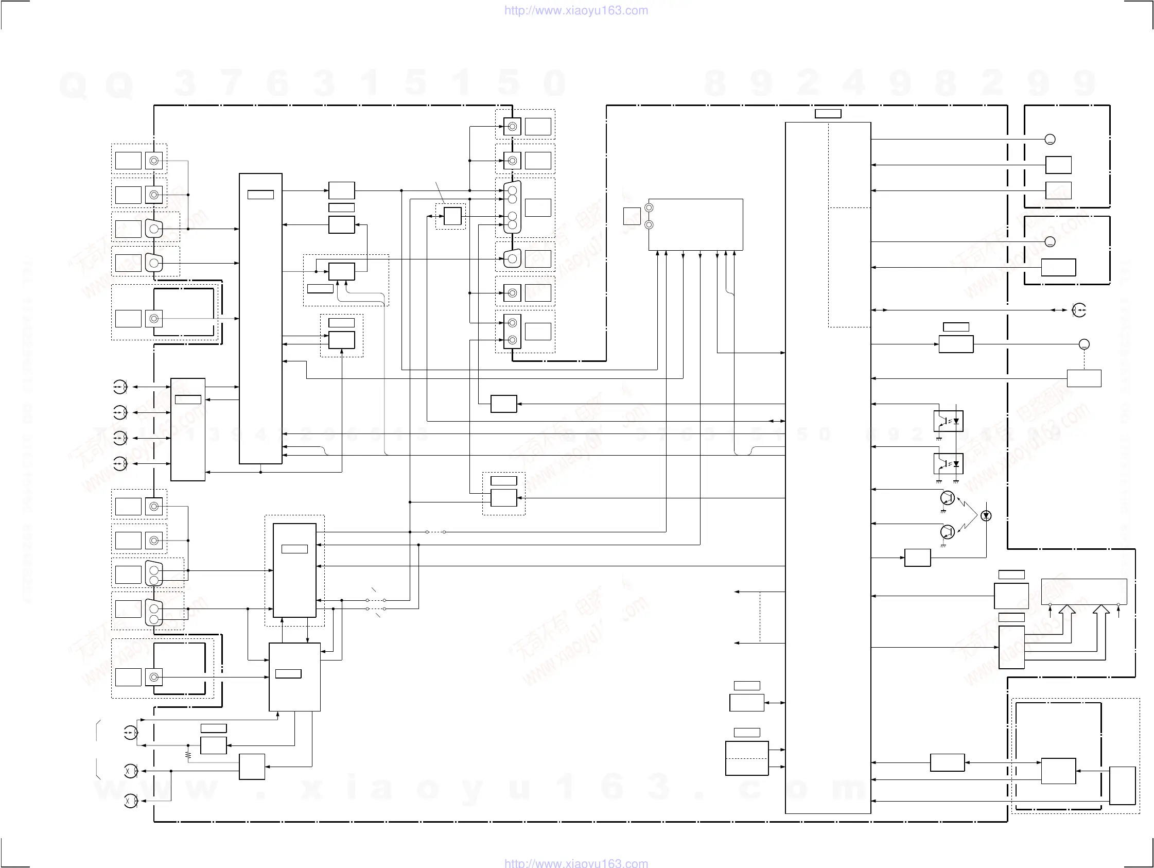
Sony SLV-SE40 - 3. BLOCK DIAGRAMS; OVERALL BLOCK DIAGRAM

Sony SLV-SE40
75 pages
Print Icon
To Next Page IconTo Next Page
To Next Page IconTo Next Page
To Previous Page IconTo Previous Page
To Previous Page IconTo Previous Page
Loading...
SLV-SE10/SE20/SE25/SE30/SE40/SE45/SX10/SX25/SX40
SECTION 3
BLOCK DIAGRAMS
3-1. OVERALL BLOCK DIAGRAMS
3-1 3-2
BOARD
FI-15
LINE 2
IN
CJ481
MA-338 BOARD
FRONT VIDEO
SP
CH 1
SP
CH 2
LP
CH 1
LP
CH 2
VIDEO
REC/PB
QAMP
IC260
Y/C
PROCESSOR
IC200
PB Y/C
(1/2)
REC Y/C
C SYNC
VIDEO
HEAD
BOARD
FI-15
LINE 2
IN
CJ481
FR (L)
C+
SWITCH
IC580
AUDIO
PROCESSOR
IC200
(2/2)
L1 (L)
REC/
PB
ERASE
HEAD
BIAS
ERASE
OSC
T320,Q321
NORMAL
AUDIO
FULL
ERASE
HEAD
HEAD
SW
IC301
A HEAD PB
A HEAD REC
OSD
IC162
IC850
IIC DATA
IIC CLK
TU VIDEO
Q VD
VHF/
UHF
OUT
IN
TU700/701
IIC CLK
IIC DATA
AV LINK I/O
AFT
DRIVE
LED
Q102
T REEL
PH100
S REEL
PH101
T SENS
Q101
S SENS
Q100
(T/S LED)
D100
SW12V
T REEL FG
S REEL FG
T SENS
S SENS
T/S LED
IC162
CONTROL
SYSTEM
SERVO
DRUM
CONTROL
SIGNAL
CAPSTAN
FG
DRUM
PG
DRUM
FG
M
DRUM
MOTOR
M
CAPSTAN
MOTOR
CAP FG
CAP VS
D FG
D PG
D VS
DRUM MOTOR
CAPSTAN MOTOR
LOADING
MOTOR
IC130
M
LOADING
MOTOR
CTL
AMP
ROTARY
SWITCH
CTL REC/PB
CAM +,-
MODE1-4
SERVO
CAPSTAN
FAIL DET
POWER
IC160
PULSE GEN
RESET
INDICATOR TUBE
FLUORESCENT
ND420
+F -F
IC460
CONTROL
REMOTE
RECEIVER
BLOCK
DMS
KEY
FUNCTION
KEY
FUNCTION
DS-83 BOARD
DMS +/-
16
(1/2)
Q VD
IC161
EEPROM
(2/2)
DRIVE
FL
IC420
FUNC KEY 2
S460-466
20
CN500
V IN
20
V IN
CN570
19
3
10
LINE 1
OUT
LINE 1
IN
LINE 3
IN
VPS/
PDC
BUFF
CN500
AV
LINK
CN500
LINE 1
IN
6
2
A (L)
A (R)
CN570
LINE 3
IN
DEC/VTR
MOD V
MOD A
TU VIDEO
V OUT
A (L) OUT
AV LINK
TU M
FLD SDA/CS
8
AV CONT
AV
CONT
AV CONT
REMOTE
IIC DATA
IIC CLK
IIC DATA
IIC CLK
6
2
A (L)
A (R)
TU M
JS582
DEC/VTR
FUNC KEY 1
EXCEPT
EE MODEL
EXCEPT
10/20/30:EE/
40:EE,EG/X40
MODEL
30:EE
MODEL ONLY
10:EE/40:EE
MODEL ONLY
30/45
MODEL ONLY
EXCEPT
EE MODEL
EXCEPT
10/20/30:EE/
40:EE,EG/X40
MODEL
30:EE
MODEL ONLY
10:EE/40:EE
MODEL ONLY
VIDEO
IN
CNJ501
VIDEO
IN
CNJ500
EXCEPT
EE MODEL
EXCEPT
10/20/30:EE/
40:EE,EG/X40
MODEL
30:EE
MODEL ONLY
10:EE/40:EE
MODEL ONLY
30/45
MODEL ONLY
AUDIO
IN
CNJ501
AUDIO
IN
CNJ500
EXCEPT
10/20/30:EE/
40:EE,EG/X40
MODEL
JS581
JS580
10/30:EE,UX/
40:EE,EG/X40/45UX
MODEL
10/X10/20/30:EE/
40:EE,EG/X40
MODEL
VIDEO
OUT
CNJ501
VIDEO
OUT
CNJ500
19
LINE 3
OUT
CN570
30:EE
MODEL ONLY
10:EE/40:EE
MODEL ONLY
AUDIO
OUT
CNJ501
AUDIO
OUT
CNJ500
A (R)
A (L)
A (L)
EXCEPT
10/X10/30:EE/
40:EE/X40
MODEL
EXCEPT
CP,EE,10,X10,X40
MODEL
SECAM
PROC.
IC850
B MODEL ONLY
SURR
AMP
IC870
30:EE MODEL ONLY
(30:EE/45 MODEL)
S450,455
(EXCEPT 30:EE/45 MODEL)
S451-454
(45 MODEL)
S456
30:EE/45 MODEL
(SEE PAGE 4-25)
(SEE PAGE 4-25)
(SEE PAGE 4-7,9,11,13,15,17,19,21,23)
(SEE PAGE 4-26)
w
w
w
.
x
i
a
o
y
u
1
6
3
.
c
o
m
Q
Q
3
7
6
3
1
5
1
5
0
9
9
2
8
9
4
2
9
8
T
E
L
1
3
9
4
2
2
9
6
5
1
3
9
9
2
8
9
4
2
9
8
0
5
1
5
1
3
6
7
3
Q
Q
TEL 13942296513 QQ 376315150 892498299
TEL 13942296513 QQ 376315150 892498299
http://www.xiaoyu163.com
http://www.xiaoyu163.com

Table of Contents

Related product manuals