EasyManua.ls Logo

Sony SLV-SE40 - Basic Operations; POWER BLOCK DIAGRAM

Sony SLV-SE40
75 pages
Print Icon
To Next Page IconTo Next Page
To Next Page IconTo Next Page
To Previous Page IconTo Previous Page
To Previous Page IconTo Previous Page
Loading...
SLV-SE10/SE20/SE25/SE30/SE40/SE45/SX10/SX25/SX40
3-9 3-10E
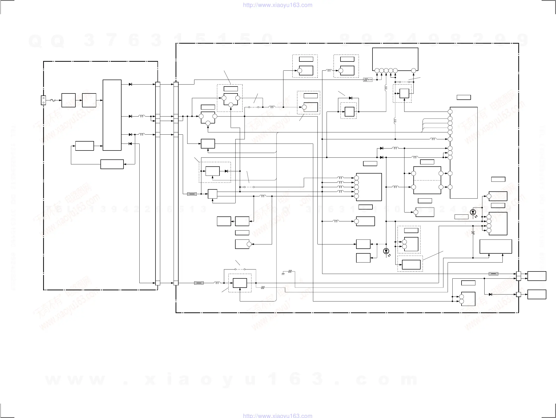
3-5. POWER BLOCK DIAGRAM
12V
SW
21
4
IC600
R711
T/S
REEL
CAPSTAN
MOTOR
IC162
SERVO/SYSTEM
CONTROL
LOADING
MOTOR DRIVE
VCC1
8
VCC2
9
IC130
PS120
D110
CN101
MTR 12V
MTR 12V
SW 5V
CN102
DRUM
MOTOR
RESET
PULSE
GEN.
POWER
FAIL
DET.
VCC2
5
VCC1
7
IC160
FLUORESCENT
INDICATOR TUBE
ND420
F-F+
7
1
1
ETXNY165E1DA BOARD
T/S
SENSOR
Q100,101
PH100,101
16
LINE
FILTER
RECT
F001
AC
IN
L001,002
PHOTO
INTERRUPTER
PC101
D201
CN001
SWITCHING
REG.
Q101
L301
D301
L401
D401
D601
POWER
TRANS
T101
(SEE PAGE 4-27)
(SEE PAGE 4-21,27)
TU700/701
L205
L202
L203
ALWAYS 5V
39
Y VCC
11
C VCC
58
CCD VCC
56
A VCC
75
Y/C PROC
AUDIO PROC
IC200
MTR12V CONT
64
-14V CONT
74
AMP VCC
98
L160
D161
D160
L140
5
8
VCC
37
AVCC
99
RESET
34
P FAIL
78
L662
OSD VCC
53
IC161
EEPROM
VCC
8
IC420
FL DRIVER
VDD
1
VDD
44
VEE
16
IC460
REMOTE
CONTROL
RECEIVER
VCC
2
MTR 12V
1
2
3
CN600
+35V
7
D+6V
L601
BIAS
SWITCH
Q320
ERASE
OSC
T320,Q321
IC320
HEAD SW
VCC
1
ALL 5V
13
VIDEO
R/P AMP
IC260
L270
D100
T/E LED
L161
SW12V CONT
65
MODE CONT
10
POWER CONT1
P SAVE CONT1
POWER CONT2
30V
16
30V
7
BB (5V)
1
D750
5V
25
SW
Q751,752
5V
14
MB (5V)
4
VEE
17
MA-338 BOARD
POWER
D461
+13V
+13V
8
-14V
8
1
2
3
7
CN101
PS601
SWITCH
Q602,605,606
SWITCH
Q601,603
JS604
SW 12V
C+ 12V
SW 12V CONT
SW 5V
MTR 12V CONT
L300
5V
REG
Q600,604,611
PS600
MTR 12V
NA 5V
JS603
C+ 5V
C+ SW
VCC
16
IC580
L204
D+6V
L750
L701
VPS/PDC
VDD D
19
VDD A
20
IC850
Q800-804
AV LINK
CIRCUIT
-14V CONT
–14V
+F
–F
12V
REG
21
4
IC601
L580
SURR AMP
VCC
4
IC870
B,CP,VC,VC1,VC2
MODEL
10/20/30:EE,UX/
40:EE,EG/X4045/UX
MODEL
10/20/30:EE,UX/
40:EE,EG/X4045/UX
MODEL
C+ VCC
SWITCH
Q607,608
D+6V
C+5V VONT
D603
B,CP
VC,VC1,VC2
MODEL
JS602
EE MODEL ONLY
EXCEPT EE MODEL
30:EE MODEL ONLY
EXCEPT
10/20/30:EE/
40:EE,EG/X40
MODEL
L975
SECAM
VCC
22
IC970
B MODEL ONLY
5V
REG
Q750
EE MODEL ONLY
EXCEPT
EE MODEL
JS754
EE MODEL ONLY
EXCEPT
EE MODEL
(701 ONLY)
C+5V CONT
75
C+5V CONT
EXCEPT
CP,EE,10,
X10/X40
MODEL
EXCEPT
10/30:EE/40:EE/
X10/X40
MODEL
w
w
w
.
x
i
a
o
y
u
1
6
3
.
c
o
m
Q
Q
3
7
6
3
1
5
1
5
0
9
9
2
8
9
4
2
9
8
T
E
L
1
3
9
4
2
2
9
6
5
1
3
9
9
2
8
9
4
2
9
8
0
5
1
5
1
3
6
7
3
Q
Q
TEL 13942296513 QQ 376315150 892498299
TEL 13942296513 QQ 376315150 892498299
http://www.xiaoyu163.com
http://www.xiaoyu163.com

Table of Contents

Related product manuals