EasyManua.ls Logo

Sony SLV-SE40 - MA-338 (8;9) (POWER SUPPLY) SCHEMATIC DIAGRAM

Sony SLV-SE40
75 pages
Print Icon
To Next Page IconTo Next Page
To Next Page IconTo Next Page
To Previous Page IconTo Previous Page
To Previous Page IconTo Previous Page
Loading...
SLV-SE10/SE20/SE25/SE30/SE40/SE45/SX10/SX25/SX40
4-21
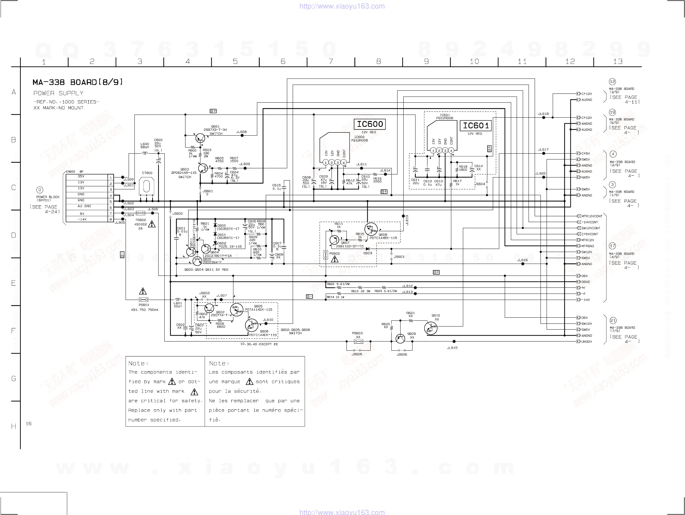
MA-338 (8/9) (POWER SUPPLY) SCHEMATIC DIAGRAM
— Ref. No. MA-338 Board:1,000 Series —
4-22
POWRT SUPPLY
MA-338 (8/9)
For schematic diagram
Refer to page 4-5 for printed wiring board.
13.6
13.6
13.6
0.7
0.8
12.9
5.8
5.8
5.8
6.5
6.5
11.1
B,CP,VC,VC1,VC2
13.7
12
4.8
13.7
12
4.8
5.8
*
*
*
*
5.8
-11.1
-11.1
0
5
5.8
-10.4
B,CP,VC,VC1,VC2
50V
B
16V
11ES2
315mA
Q607,608
C+VCC SW
17
9
8
13
19
491.315
w
w
w
.
x
i
a
o
y
u
1
6
3
.
c
o
m
Q
Q
3
7
6
3
1
5
1
5
0
9
9
2
8
9
4
2
9
8
T
E
L
1
3
9
4
2
2
9
6
5
1
3
9
9
2
8
9
4
2
9
8
0
5
1
5
1
3
6
7
3
Q
Q
TEL 13942296513 QQ 376315150 892498299
TEL 13942296513 QQ 376315150 892498299
http://www.xiaoyu163.com
http://www.xiaoyu163.com

Table of Contents

Related product manuals