EasyManua.ls Logo

Sony STR-DA4600ES - 2: Connecting the Monitor

Sony STR-DA4600ES
170 pages
Print Icon
To Next Page IconTo Next Page
To Next Page IconTo Next Page
To Previous Page IconTo Previous Page
To Previous Page IconTo Previous Page
Loading...
24
GB
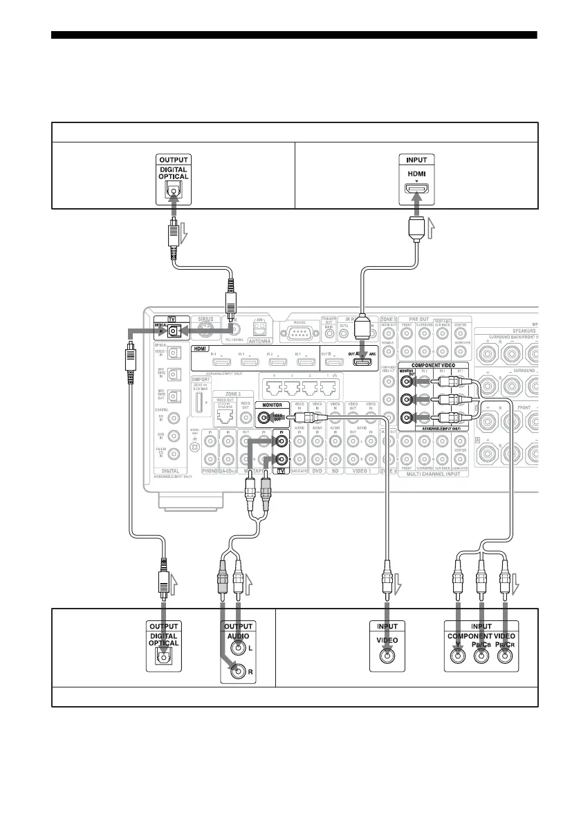
2: Connecting the monitor
You can watch the selected input image when you connect the HDMI OUT or MONITOR OUT
jacks to a TV. You can operate this receiver using a GUI (Graphical User Interface).
A Optical digital cord (not supplied)
B Audio cord (not supplied)
C Video cord (not supplied)
D Component video cord (not supplied)
E HDMI cable (not supplied)
We recommend that you use a Sony HDMI
cable.
TV monitor with an HDMI jack
AB
Audio signals
CD
E
Video signals
TV monitor without an HDMI jack
Audio signals Video signals
or or
**
A
*

Table of Contents

Other manuals for Sony STR-DA4600ES

Related product manuals