EasyManua.ls Logo

Sony STR-DE235 - Page 14

Sony STR-DE235
34 pages
Print Icon
To Next Page IconTo Next Page
To Next Page IconTo Next Page
To Previous Page IconTo Previous Page
To Previous Page IconTo Previous Page
Loading...
STR-DE235
– 23 –
– 24 –
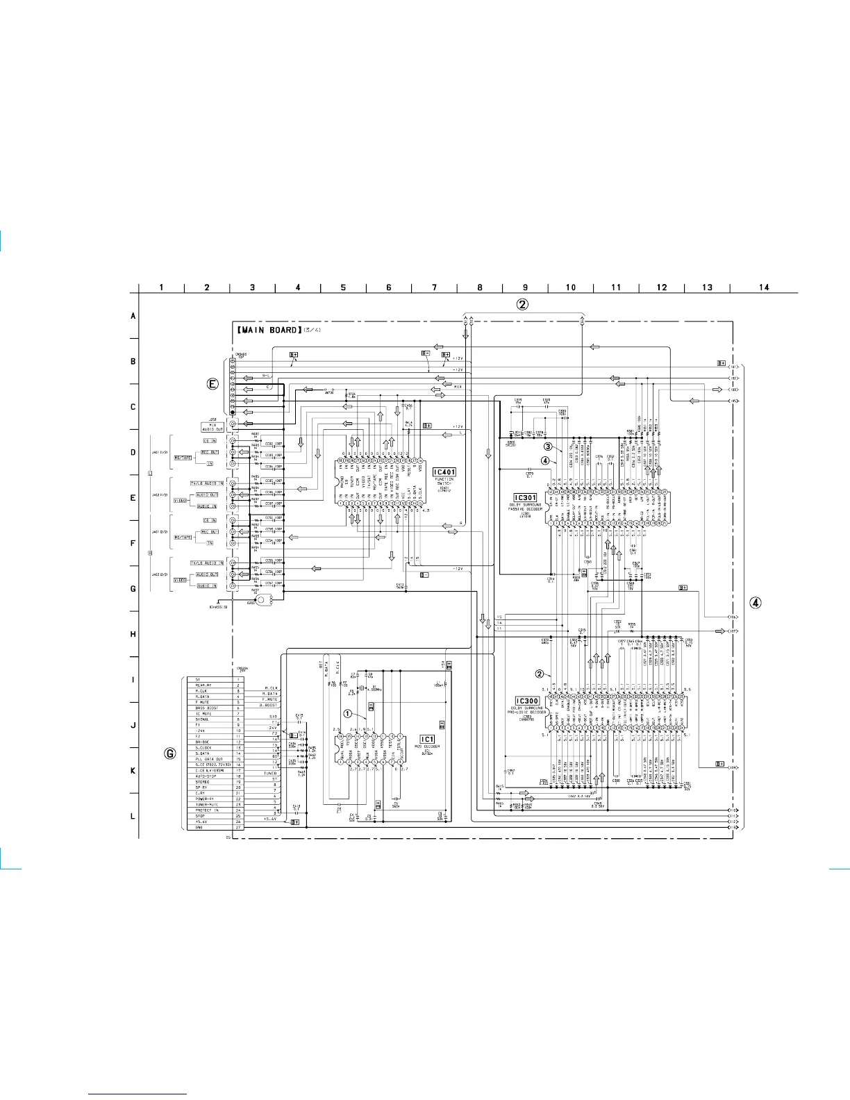
4-9. SCHEMATIC DIAGRAM – MAIN Board (3/4) – See page 20 for Waveforms. See page 33 for IC Block Diagrams.
(Page 29)
(Page 32)
(Page 25)
(Page 19)

Related product manuals