EasyManua.ls Logo

Sony STR-DE235 - Page 15

Sony STR-DE235
34 pages
Print Icon
To Next Page IconTo Next Page
To Next Page IconTo Next Page
To Previous Page IconTo Previous Page
To Previous Page IconTo Previous Page
Loading...
STR-DE235
– 25 –
– 26 –
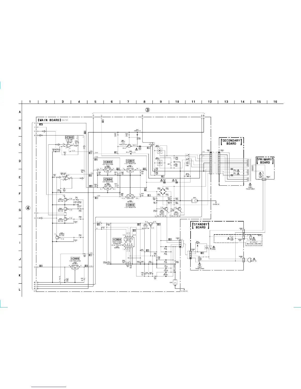
4-10. SCHEMATIC DIAGRAM – MAIN Board (4/4)/SECONDARY Board/STANDBY Board/PRIMARY Board – See page 35 for IC Block Diagram.
(Page 24)
(Page 21)

Related product manuals