EasyManua.ls Logo

Sony STR-DE595 - Speaker System Setup and Configuration; Speaker System Hookups

Sony STR-DE595
49 pages
Print Icon
To Next Page IconTo Next Page
To Next Page IconTo Next Page
To Previous Page IconTo Previous Page
To Previous Page IconTo Previous Page
Loading...
Hooking Up and Setting Up the Speaker System
13
GB
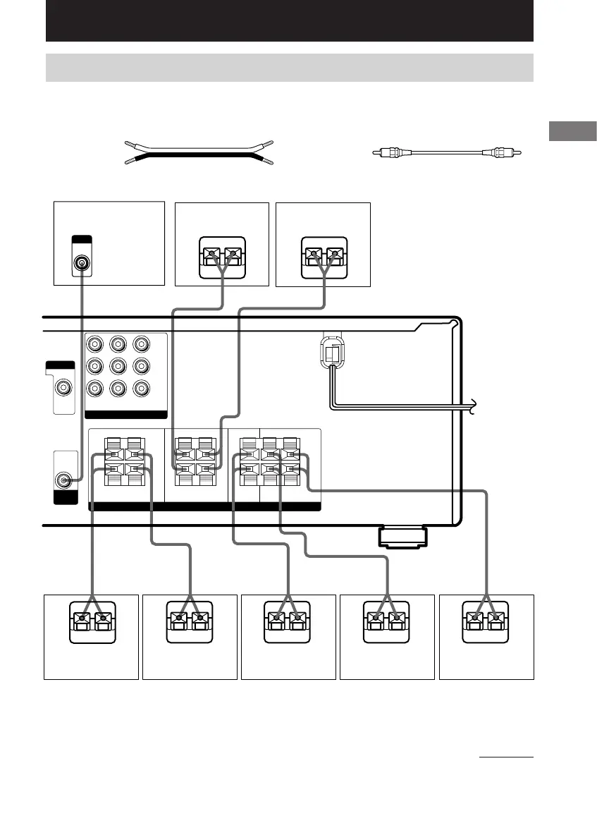
B Monaural audio cord (not supplied)
Black
Speaker system hookups
Required cords
A Speaker cords (not supplied)
(+)
(–)
E
e
Ee
A
A
INPUT
AUDIO
IN
B
E
e
E
e
E
e
A
AA
E
e
A
E
e
A
Y
PB/B–Y
PR/R–Y
IMPEDANCE USE 8-16
COMPONENT VIDEO
SPEAKERS
SUB
WOOFER
AUDIO
OUT
FRONT B FRONT A CENTER SURROUND
DVD IN VIDEO 2
IN
MONITOR
VIDEO OUT
MONITOR
OUT
R
R
L
L
R
R
L
L
R
R
L
L
+
+
+
+
+
+
Hooking Up and Setting Up the Speaker System
Front speaker A
(L)
Front speaker A
(R)
Center speaker
Surround speaker
(L)
Surround speaker
(R)
Active sub woofer
continued
Front speaker B*
(L)
Front speaker B*
(R)
* (STR-DE595 only) If you have an additional front speaker system, connect them to the SPEAKERS FRONT B
terminals. You can select the front speakers you want to use with the SPEAKERS (OFF/A/B/A+B) button (page
22).

Other manuals for Sony STR-DE595

Related product manuals