EasyManua.ls Logo

Sony STR-DG910 - Schematic Diagram - Main Section (3;4)

Sony STR-DG910
106 pages
Print Icon
To Next Page IconTo Next Page
To Next Page IconTo Next Page
To Previous Page IconTo Previous Page
To Previous Page IconTo Previous Page
Loading...
STR-DG910
2828
STR-DG910
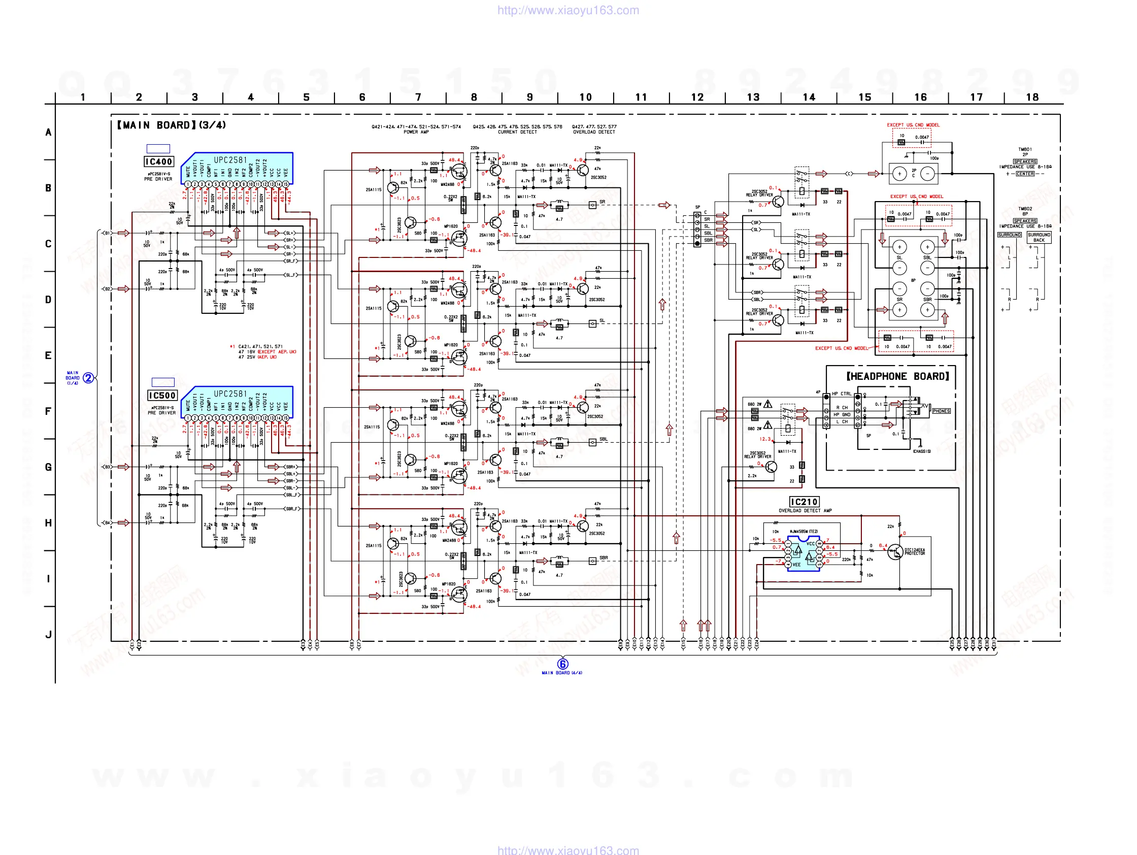
5-11. SCHEMATIC DIAGRAM — MAIN SECTION (3/4) — • Refer to page 56 for IC Block Diagrams.
IC B/D
IC B/D
R512
R562
C516 C566
Q522
R523
R525
R524
R522
Q521
R521
C531
R531
R581
C581
R511
R561
C512
C562
Q472
R473
R475
R474
R471
Q471
R472
C481
R481
C511
C561
R412
R462
C416 C466
R411
R461
C412
C462
C411
C461
Q422
R423
R425R424
R421
Q421
R422
C431
R431
Q572
R573
R575
R574
R571
Q571
R572
C425
Q425
R429
Q426
R430
R433
R432
D426
D425
C427
C578
Q575
R579
Q576
R580
R583
R582
D576
D575
C577
C525
Q525
R529
Q526
R530
R533
R532
D526
D525
C527
C475
Q475
R479
Q476
R480
R483
R482
D476
D475
C477
R587
R537
R487
R437
D500
R505
R506
R510
R560
RR11
RR21
RR61
RR81
RR71
D600
R605
D400
R405
D700
R705
R606
R406
R706
L401
R439
L451
R489
L501
R539
L551
R589
C403
C503
R215
C582
C532
C482
C432
R426
R476
R526
R576
JR219
R707
R607
R407
R507
C426
R434
Q427
R436
R435
C576
R584
Q577
R586
R585
C526
R534
Q527
R536
R535
C476
R484 Q477
R486
R485
R446
R496
R546
R596
CC11
CC21
CC61
CC71
CC81
R211
R214
R210
R212 R213
C600
C400
C700
C300
CN805
CN300
CN550
CN500
CN450
CN400
C463
C464
C413
C414
C415 C465
C514
C513
C563
C564
C565C515
C573
C575
C524
C523
C474
C473
C424
C423
RY400
RY600
RY700
RY500
CNP790
CL071
CL072
CL073
CL074
C791
TP790
J790
C790
Q423
Q473
Q523
Q573
Q424
Q474
Q524
Q574
R428
R478
R528
R578
Q400
Q600
Q700
Q500
IC210
Q210
TM601
IC400
IC500
C750
R400
R416
R465
R466
R415
R500
R565R566R515R516
R427
R477
R527
R577
C421
C471
C521
C571
TM602
(Page 26)
(Page 29)
w
w
w
.
x
i
a
o
y
u
1
6
3
.
c
o
m
Q
Q
3
7
6
3
1
5
1
5
0
9
9
2
8
9
4
2
9
8
T
E
L
1
3
9
4
2
2
9
6
5
1
3
9
9
2
8
9
4
2
9
8
0
5
1
5
1
3
6
7
3
Q
Q
TEL 13942296513 QQ 376315150 892498299
TEL 13942296513 QQ 376315150 892498299
http://www.xiaoyu163.com
http://www.xiaoyu163.com

Table of Contents

Other manuals for Sony STR-DG910

Related product manuals