EasyManua.ls Logo

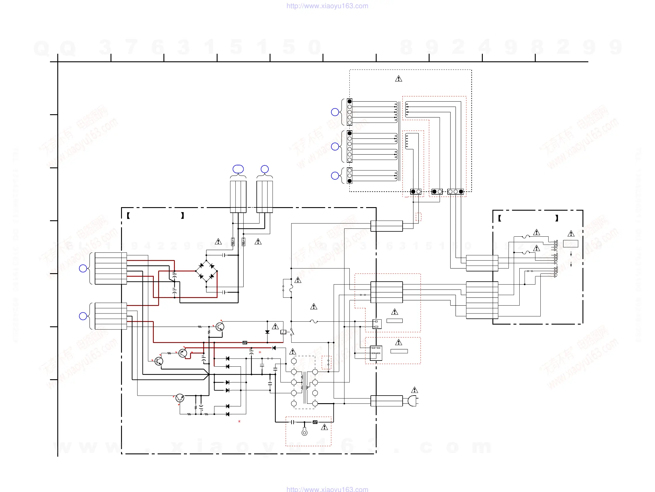
Sony STR-DG910 - Schematic Diagram - Power Section

Sony STR-DG910
106 pages
Print Icon
To Next Page IconTo Next Page
To Next Page IconTo Next Page
To Previous Page IconTo Previous Page
To Previous Page IconTo Previous Page
Loading...
STR-DG910
5454
STR-DG910
V
DIGITAL
BOARD
(4/5)
CNP500
MAIN
BOARD
(2/4)
CNP828
L
DCDC BOARD
CN4001
N
MAIN
BOARD
(2/4)
CNP823
P
MAIN
BOARD
(2/4)
CNP826
MAIN
BOARD
(2/4)
CNP824
O
M
CN801
C1
MAIN BOARD(2/4)
0.2
0.8
0.6
0
(AEP,UK)
(US,CND)
US,CND MODEL
EXCEPT E2 MODEL
E2 MODEL
(E2 MODEL)
EXCEPT
E2
MODEL
(US,CND)
(E2)
(E2)
US,CND
MODEL
E2 MODEL
12.8
012
12
0
E2 MODEL
(EXCEPT E2)
(E2)
AK04V1D910
AK04V1D911
AK04V1D912
AK04V1D913
10EDB40-TA2B5
D920
10EDB40-TA2B5
D921
10EDB40-TA2B5
D922
10EDB40-TA2B5
D923
1/2W
0.22
R810
1/2W
0.22
R811
0.1C913
0.1
C914
0.1
C920
0.1
C921
0.1
C922
50V
1
C924
47k
R921
22k
R922
10k
R923
2.2k
R903
1
R904
1SS133T-72
D901
1SS133T-72D914
1SS133T-72
D915
2SC1740S-QRT
Q901
RELAY DRIVER
2SC1740S-QRT
Q921
AC IN DETECT
47k
R902
RY901
E
G901
(CHASSIS)
C951
0.1
AK04V1
D924
C952
2SB733-T-34
Q922
2SC2785TP-FEK
Q923
R920
2.2k
JW909
1
2
3
3P
CNP804
R2 AC
R2 GND
R2 AC
1
2
3
3P
CNP805
R2 AC
R2 GND
R2 AC
1
2
3
4
5
5P
CNP903
+15V
STOP
STBY GND
+5.6V(STBY)
PW_RY
1
3
4
5
6
7
8
9
2
T903
POWER
TRANSFORMER
(SUB)
25V
1000
C916
25V
2200
C915
1
2
3
4
5
6
6P
CNP802
R2_RTN_GND
-15V
STBY_GND
R2 GND
+15V
SUB_T
JW905
16V
C954
6800
F901
1
3
CNP901
2P
LIVE
NEUTRAL
S901
JW952
1
3
5
CNP910
3P
220V
240V
120/127V
1
2
3
4
5
6
7
CNP907
4P
240V
SELECTOR OUTPUT
120/127V
220V
F905
T4AL/250V
F904
T5AL/250V
1
4
CNP902
2P
LIVE
NEUTRAL
CN005
L
N
J911
JW903
1/2W
3.3M
R901
1
3
5
7
CNP002
4P
240V
SELECTOR OUTPUT
220V
120/127V
F902
JW907
RECT
D910-913
T4AL/250V
10A/125V
RECT
Q922,923
AC IN 怜
D920-923
RECT
STANDBY BOARD
B
D
4
E
F
65
C
G
71
A
23
120V
5
3
220V
3
5
2
T901
240V
2
POWER
3
4
4
2
TRANSFORMER
2
0V
(MAIN)
2
3
2
120V
VOLTAGE
220V
AC SELECT BOARD
SELECTOR
240V
6
5A/125V
T2.5AL/250V
AC OUTLET
SWITCHED
100W/0.4A MAX
AC OUTLET
SWITCHED 120W/1A MAX
AC 120V 60Hz
-3
-2
-1
8910
C952
1000 25V
2200 25V
5-39. SCHEMATIC DIAGRAM — POWER SECTION —
(Page 35)
(Page 27)
(Page 27)
(Page 27)
(Page 27)
(Page 55)
(Page 27)
w
w
w
.
x
i
a
o
y
u
1
6
3
.
c
o
m
Q
Q
3
7
6
3
1
5
1
5
0
9
9
2
8
9
4
2
9
8
T
E
L
1
3
9
4
2
2
9
6
5
1
3
9
9
2
8
9
4
2
9
8
0
5
1
5
1
3
6
7
3
Q
Q
TEL 13942296513 QQ 376315150 892498299
TEL 13942296513 QQ 376315150 892498299
http://www.xiaoyu163.com
http://www.xiaoyu163.com

Table of Contents

Other manuals for Sony STR-DG910

Related product manuals