EasyManua.ls Logo

Sony STR-DG910 - Schematic Diagram - Digital Section (1;5)

Sony STR-DG910
106 pages
Print Icon
To Next Page IconTo Next Page
To Next Page IconTo Next Page
To Previous Page IconTo Previous Page
To Previous Page IconTo Previous Page
Loading...
STR-DG910
3232
STR-DG910
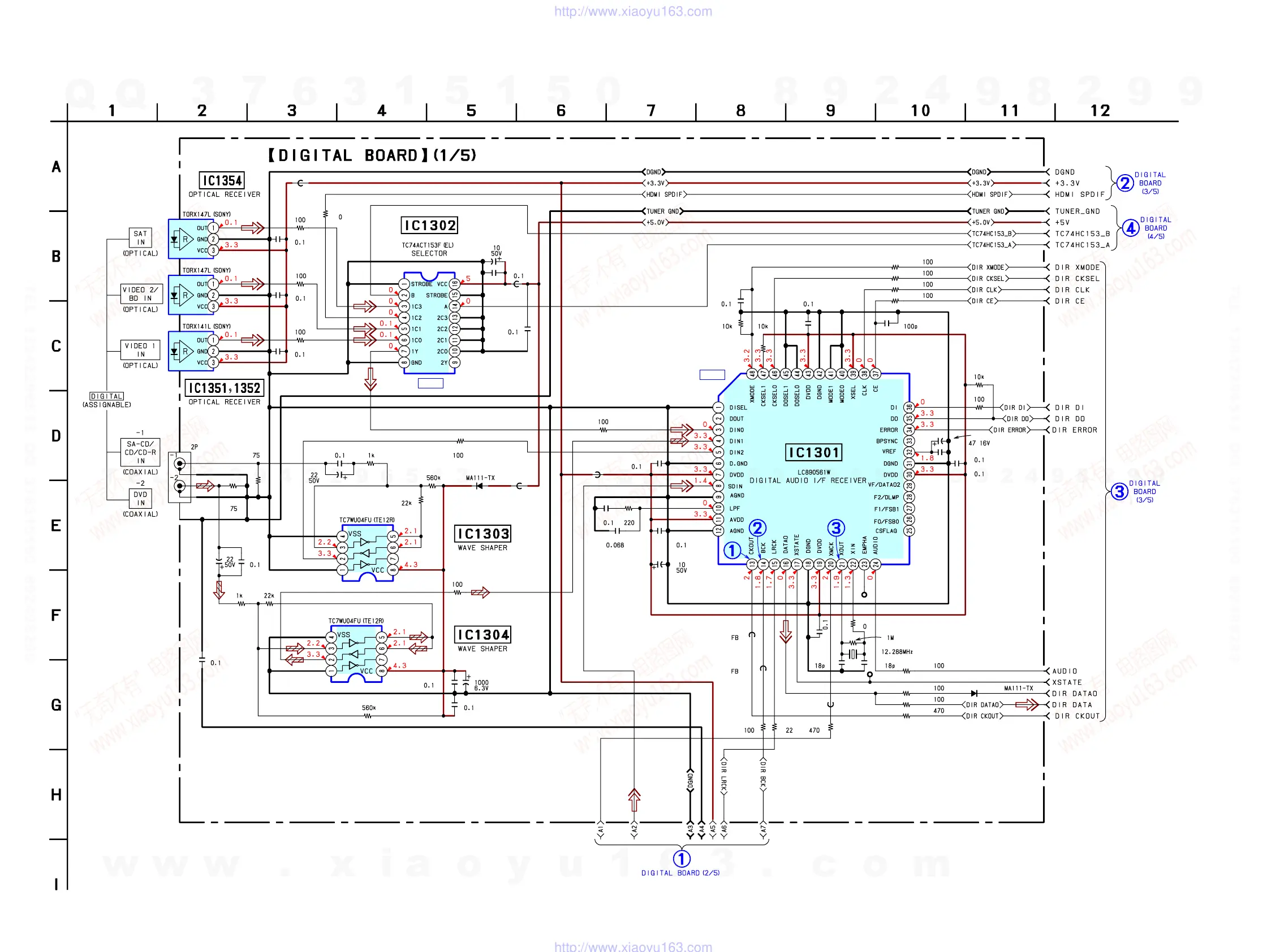
5-15. SCHEMATIC DIAGRAM — DIGITAL SECTION (1/5) — • Refer to page 24 for Waveforms and page 56 for IC Block Diagrams.
IC B/D
IC B/D
C1303
C1304
R1318
C1315
R1314
R1355 R1356
R1357
R1358
R1354
R1351
R1352
X1301
R1310
C1141
C1316
C1317
C1313
C1362
FB1309
R1362
R1320
R1359
R1134
R1140
R1042
R1041
R1304
C1306
C1358
C1355
C1310C1309
C1314
C1361
R1056
R1366
R1060 R1057
R1321
C1046
C1351
C1354
C1128
TP1003
TP1004
C1352
FB1115
C1301
C1305
FB1114
R1055
C1312
C1135
C1133
R1315
R1311
R1308
R1307
R1360 R1306
C1308
R1361
D1302
IC1303
IC1304
C1359
IC1301
JR1511
JR1020
FB1305
D1301
IC1302
IC1354
IC1351
IC1352
J1301
C1047
FB1306
R1319
R1305
(Page 33)
(Page 34)
(Page 34)
(Page 35)
w
w
w
.
x
i
a
o
y
u
1
6
3
.
c
o
m
Q
Q
3
7
6
3
1
5
1
5
0
9
9
2
8
9
4
2
9
8
T
E
L
1
3
9
4
2
2
9
6
5
1
3
9
9
2
8
9
4
2
9
8
0
5
1
5
1
3
6
7
3
Q
Q
TEL 13942296513 QQ 376315150 892498299
TEL 13942296513 QQ 376315150 892498299
http://www.xiaoyu163.com
http://www.xiaoyu163.com

Table of Contents

Other manuals for Sony STR-DG910

Related product manuals