EasyManua.ls Logo

Sony STR-DG910 - Schematic Diagram - Main Section (4;4)

Sony STR-DG910
106 pages
Print Icon
To Next Page IconTo Next Page
To Next Page IconTo Next Page
To Previous Page IconTo Previous Page
To Previous Page IconTo Previous Page
Loading...
STR-DG910
29 29
STR-DG910
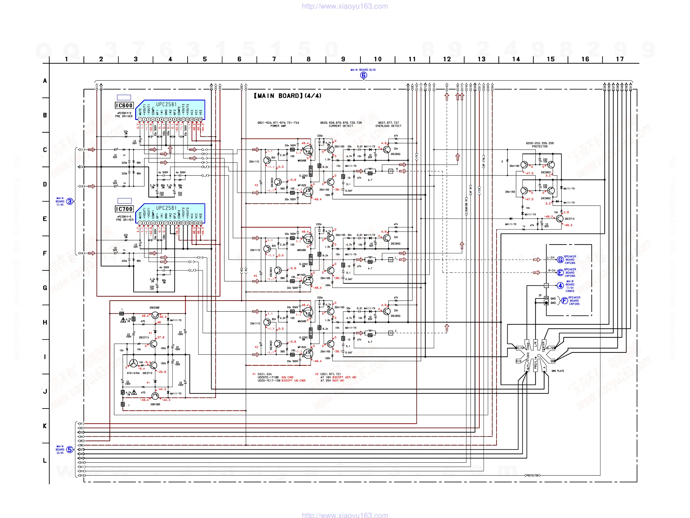
5-12. SCHEMATIC DIAGRAM — MAIN SECTION (4/4) — • Refer to page 56 for IC Block Diagrams.
IC B/D
IC B/D
+B SWITCH
+B SWITCH
-B SWITCH -B SWITCH
-B SWITCH
Q622
R623
R625
R624
R622
Q621
R621
C631
R631
C681
R681
R612
R662
C616 C666
R611
R661
C612
C662
C611
C661
Q672
R673
R675
R674
R671
Q671
R672
C625
Q625
R629
Q626
R630
R633
R632
D626
D625
C627
C675
Q675
R679
Q676
R680
R683
R682
D676
D675
C677
R203
C201
D203
R205
C200
D202
R204
R687
R637
R201
C711
R711
C712
R712
C716
C731
R731
Q722
R723
R725
R724
R721
Q721
R722
C725
Q725
R729
Q726
R730
R733
R732
D726
D725
C727
R737
L601
R639
L651
R689
L701
R739
C603
C703
C220
C732
C682
C632
Q255
C255
R626
R676
R726
C626
R634
Q627
R636
R635
C676
R684
Q677
R686
R685
R646
R696
C726
R734
Q727
R736
R735
R746
GP1
R222
R233
R235
C230
R223
R227
CN650
CN700
CN600
C663
C664
C613
C614
C665C615
C714
C713
C715
C623
C624
C673
C674
C723
C724
Q202
Q200
Q256
Q201
D204
D201
JR218
R221
C231
D235
C234
R237
C233
R236
R225
C221
D220
IC600
IC700
Q220
Q225
Q221 Q228
Q235
Q623
Q673
Q723
Q724
Q674
Q624
R628
R678
R728
CN901
CN804
R600
R616 R615 R665R666
R700
R715
R716
R220
D221
D224
R234
C721
C671
C621
R627
R677
R727
(Page 26)
(Page 28)
(Page 27)
(Page 49)
(Page 49)
(Page
49)
(Page
26)
w
w
w
.
x
i
a
o
y
u
1
6
3
.
c
o
m
Q
Q
3
7
6
3
1
5
1
5
0
9
9
2
8
9
4
2
9
8
T
E
L
1
3
9
4
2
2
9
6
5
1
3
9
9
2
8
9
4
2
9
8
0
5
1
5
1
3
6
7
3
Q
Q
TEL 13942296513 QQ 376315150 892498299
TEL 13942296513 QQ 376315150 892498299
http://www.xiaoyu163.com
http://www.xiaoyu163.com

Table of Contents

Other manuals for Sony STR-DG910

Related product manuals