EasyManua.ls Logo

Sony STR-DH520 - Connecting the TV

Sony STR-DH520
72 pages
Print Icon
To Next Page IconTo Next Page
To Next Page IconTo Next Page
To Previous Page IconTo Previous Page
To Previous Page IconTo Previous Page
Loading...
21
GB
D:\NORM'S JOB\SONY HA\SO0109\STR-DH520\4263361111_GB\GB04CON_STR-DH520-
U2.fm
masterpage: Right
STR-DH520
4-263-361-11(1)
Connections
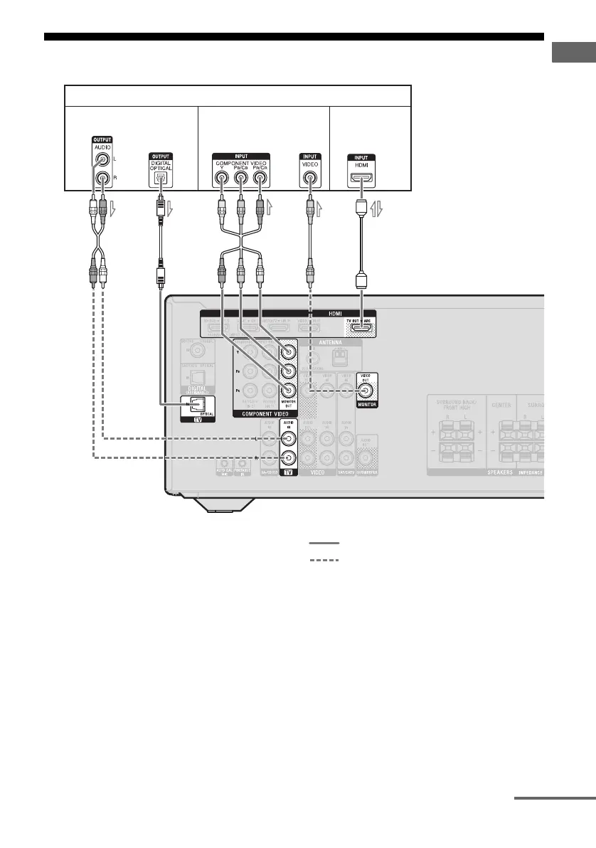
3: Connecting the TV
A Audio cord (not supplied)
B Optical digital cord (not supplied)
C Component video cord (not supplied)
D Video cord (not supplied)
E HDMI cable (not supplied)
Sony recommends that you use an HDMI-
authorized cable or Sony HDMI cable.
Recommended connection
Alternative connection
ARC
TV
A
Audio/Video
signals
Audio signals
Video signals
B* CDE*
or or
**
continued

Table of Contents

Other manuals for Sony STR-DH520

Related product manuals