EasyManua.ls Logo

Sony STR-KM77 - Schematic Diagram - MAIN Board (2;9)

Sony STR-KM77
90 pages
Print Icon
To Next Page IconTo Next Page
To Next Page IconTo Next Page
To Previous Page IconTo Previous Page
To Previous Page IconTo Previous Page
Loading...
STR-KM22/KM55/KM77
STR-KM22/KM55/KM77
2424
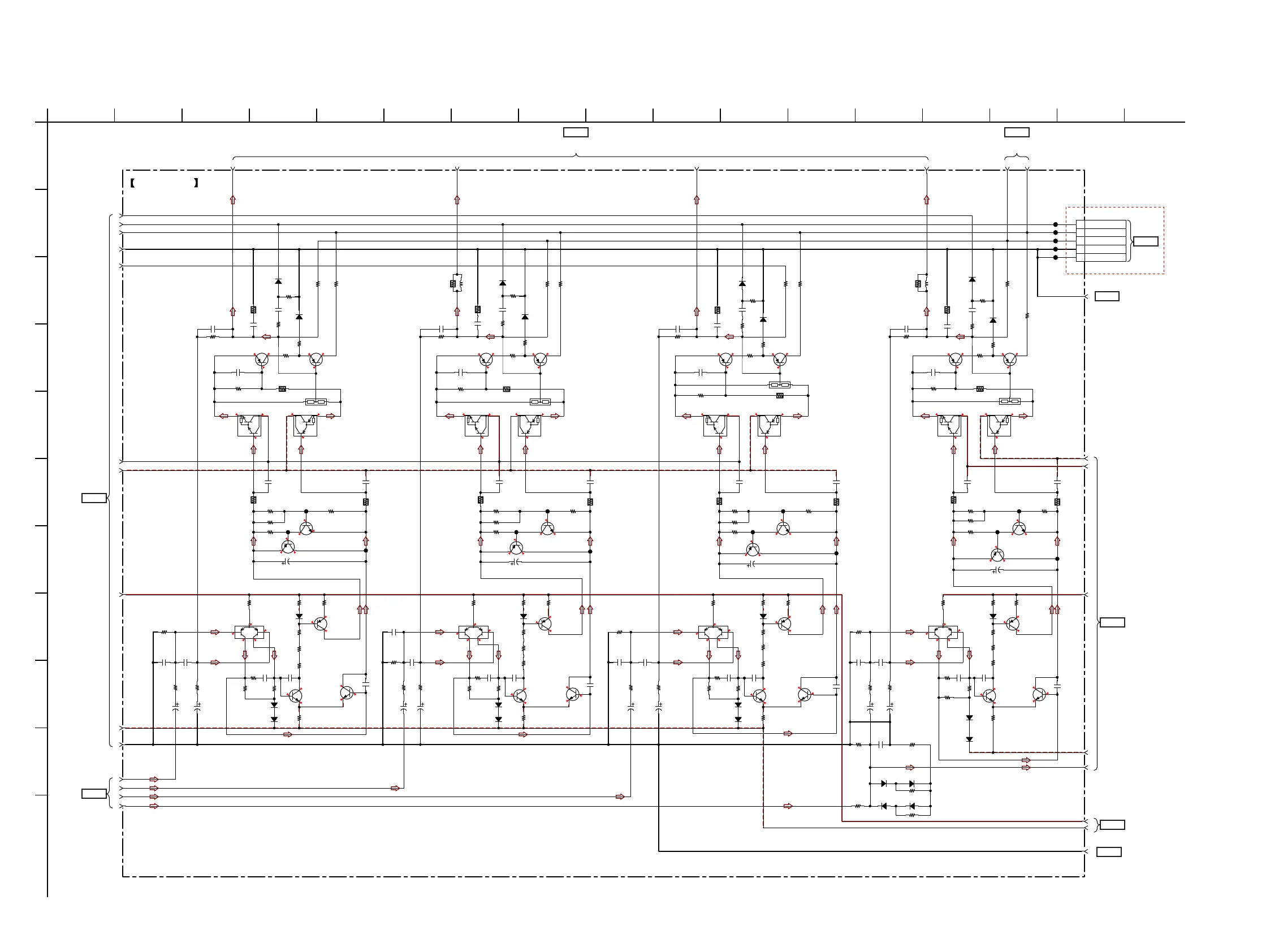
5-8. SCHEMATIC DIAGRAM – MAIN Board (2/9) –
1
A
B
C
D
E
F
G
H
I
J
K
2 3 4 5 6 7 8 9 10 11 12 13 14 15 16 17
DA2J10100L
D940
DA2J10100L
D939
DA2J10100L
D938
DA2J10100L
D941
1kR929
1k
R931
1kR932
3.3k
R933
47k
R934
CL870
CL871
CL872
CL873
CL874
6P
CN958
1 LEVEL DET
3 DC DET
4 DC DET
5GND
6GND
100p
C662
4p
C681
3300p
220p
C651
C654
4700P
C691C692
C685
47p
47p
C686
47 35VC658
10 50V
C660
C663
CL652
CL651
CL650
R653
D670
DA2J10100L
DA2J10100L
D671
DA2J10100L
D672
D650
DA2J10100L
D651
DA2J10100L
Q653
2SD2114KT146
B
CC
B
E
HN4A06J-GRBL(TE85R)
Q670
POWER AMP
1
2
3
54
E
C
B
Q650
MN2488-OPY-MK
BOOSTER
Q750
MN2488-OPY-MK
BOOSTER
Q751
MP1620-OPY-MK
BOOSTER
Q600
MN2488-OPY-MK
BOOSTER
Q601
MP1620-OPY-MK
BOOSTER
Q700
MN2488-OPY-MK
BOOSTER
Q701
MP1620-OPY-MK
BOOSTER
Q651
MP1620-OPY-MK
BOOSTER
C
B
E
Q672
KTA1024-Y
POWER AMP
2SA1514KT146S
CURRENT DETECT
Q655
Q654
2SA1514KT146S
CURRENT DETECT
Q652
2SA1162-YG-TE85L
BIAS
BIAS
Q675
KTC3206-Y
POWER AMP
Q674
KTC3206-Y
POWER AMP
R654
47p
100
R667
47p
100
R651
6.2kR658
SURR_R
GND
PROTECTOR
LEVEL_DET
LIMITER
DC_DET1
FRONT_L
SURR_L
SW_1
DC_DET1
DC_DET2
R655
R384 6.8k
R656
22k
2.2k
R660
R673
220 220
470
C670
R676
R675
R663
220 10V
2.2k 2.2k
560R666
C682
R662
4p
68k
R678
270
R671
R674
R670
R672
4.7k
4.7k
4.7k
R679
56k
R677
2.2k 2.2k
68k
R661
4.7k
R652
1.5k
R665
R664
15k
R669R668
100k
R659
R657
47k
10
47k 68k
0.022
C678
100p
C612
3300p
C631
4p
220p
C601
C604
4700P
C641
C642
C635
47p
47p
C636
47 35VC618
10 50V
C610 C613
CL602
CL601
CL600
R603
D620
DA2J10100L
DA2J10100L
D621
DA2J10100L
D622
DA2J10100L
D600
D601
DA2J10100L
Q603
2SD2114KT146
B
CC
B
E
HN4A06J-GRBL(TE85R)
Q620
POWER AMP
1
2
3
54
E
C
B
Q622
KTA1024-Y
POWER AMP
2SA1514KT146S
CURRENT DETECT
Q605
Q604
2SA1514KT146S
CURRENT DETECT
Q602
2SA1162-YG-TE85L
BIAS
BIAS
Q625
KTC3206-Y
POWER AMP
Q624
KTC3206-Y
POWER AMP
R604
47p
100
R617
47p
100
R601
6.2kR608
R605
R386 6.8k
R606
22k
2.2k
R610
R623
220 220
470
C620
R626
R625
R613
220 10V
2.2k 2.2k
560R616
C632
R612
4p
68k
R628
270
R621
R624
R620
R622
4.7k
4.7k
4.7k
R629
56k
R627
2.2k 2.2k
68k
R611
4.7kR602
1.5k
R615
R614
15k
R619R618
100k
R609
R607
47k
10
47k 68k
0.022
C628
4700p
C712
3300p
C731
4p
C977
220p
220p
C701
C704
0.047
C741C742
C735
47p
47p
C736
47 35VC708
10 50V
C710
C713
CL702
CL701
CL700
R703
D720
DA2J10100L
DA2J10100L
D721
DA2J10100L
D722
DA2J10100L
D700
D701
DA2J10100L
L700
Q703
2SD2114KT146
B
CC
B
E
HN4A06J-GRBL(TE85R)
Q720
POWER AMP
1
2
3
54
E
C
BB
Q722
KTA1024-Y
POWER AMP
2SA1514KT146S
CURRENT DETECT
Q705
Q704
2SA1514KT146S
CURRENT DETECT
Q702
2SA1162-YG-TE85L
BIAS
BIAS
Q725
KTC3206-Y
POWER AMP
Q724
KTC3206-Y
POWER AMP
R704
47p
100
R717
47p
100
R701
6.2kR708
R700
4.7
R705
R387 6.8k
R706
22k
2.2k
R710
R723
220 220
470
C720
R726
R725
R713
220 10V
2.2k 2.2k
560R716
C732
R712
4p
68k
R728
270
R721
R724
R720
R722
4.7k
4.7k
4.7k
R729
56k
R727
2.2k
2.2k
68k
R711
4.7k
R702
1.5k
R715
R714
15k
R719
GND
R718
100k
R709
R707
47k
10
47k
68k
0.022
C728
100p
C762
3300p
C781
4p
220p
C751
C754
4700P
C791
C792
C785
47p
47p
C786
47 35VC758
10 50V
C760
C763
CL752
CL751
CL750
R753
D770
DA2J10100L
DA2J10100L
D771
DA2J10100L
D772
DA2J10100L
D750
D751
DA2J10100L
L750
Q753
2SD2114KT146
B
CC
B
E
HN4A06J-GRBL(TE85R)
Q770
POWER AMP
1
2
3
54
EE
C
B
C
B
Q772
KTA1024-Y
POWER AMP
CURRENT DETECT
2SA1514KT146S
Q755
Q754
2SA1514KT146S
CURRENT DETECT
Q752
2SA1162-YG-TE85L
BIAS
BIAS
Q775
KTC3206-Y
POWER AMP
Q774
KTC3206-Y
POWER AMP
R754
47p
100
R767
47p
100
R751
6.2kR758
R750
4.7
R755
R385 6.8k
R756
22k
2.2k
R760
R773
220 220
470
C770
R776
R775
R763
220 10V
2.2k 2.2k
560R766
C782
R762
4p
68k
R778
270
R771
R774
R770
R772
4.7k
4.7k
4.7k
R779
56k
R777
2.2k 2.2k
68k
R761
4.7k
R752
1.5k
R765
R764
15k
R769R768
100k
R759
R757
22k
10
47k 68k
0.022
C778
C
B
E
C
E
16
17
18
19
20
21
22
23
24
25
29
26
27
28
30 31 32 33 34 35
4
8
3
5
7
6
37
36
38
>010S
MAIN BOARD
(1/9)
(Page 23)
>007S
MAIN BOARD
(4/9)
(Page 26)
>008S
MAIN BOARD
(3/9)
(Page 25)
>009S
MAIN BOARD
(3/9)
(Page 25)
>011S
SURR BACK
AMP
BOARD
CN406
(Page 42)
>004S
MAIN BOARD
(1/9)
(Page 23)
>005S
MAIN BOARD
(5/9)
(Page 27)
>012S
MAIN BOARD
(3/9)
(Page 25)
>013S
MAIN BOARD
(6/9)
(Page 28)
MAIN BOARD (2/9)
A-GND
OUTSW2
OUTSR
AGND
OUTFL
OUTSL
OUTSW
0
-1.6
0
-1.6
-60.1
0
0
-1.6
0
-1.6
-60
0
0
-1.6
0
-1.6
-60
0
0
-1.6
0
-1.6
-59.9
0
0
60
0.6
0.2
59.3
-1
0.6
-1
0.6
-0.5
-1
0.6
-0.5
1.2
-1
0.6
1.2
-1
0.6
-0.5
-1
0.6
-0.5
-1
0.6
1.2
-1
0.6
1.2
15.5
-58.2
-58.2
-57.7
1.1
58.7
59.3
1.1
58.7
59.3
1.1
58.8
64.7
1.1
64.6
-57.7
15.3
-58.2
-57.7
-1.1
-58.2
-57.7
-1.1
15.8
-58.3
-57.9
19
-64.3
-63.7
-58.3
-57.9
-1.1
-64.3
-63.7
-1.1
-57.5
-57.5
0.2
0.6
0.2
-57.5
-57.5
0.2
0.6
0.2
-57.5
-57.5
0.2
0.6
0.2
-63
-63
0.2
0
1.2
-59.8
-1.1
0
60 0
1.1
-59.8
-1.1
0
60 0
1.1
-59.8
-1.1
0
65.8 0
1.1
-65.7
-1.1
KM77

Table of Contents

Related product manuals