EasyManua.ls Logo

Sony STR-KM77 - Schematic Diagram - MAIN Board (3;9)

Sony STR-KM77
90 pages
Print Icon
To Next Page IconTo Next Page
To Next Page IconTo Next Page
To Previous Page IconTo Previous Page
To Previous Page IconTo Previous Page
Loading...
STR-KM22/KM55/KM77
STR-KM22/KM55/KM77
2525
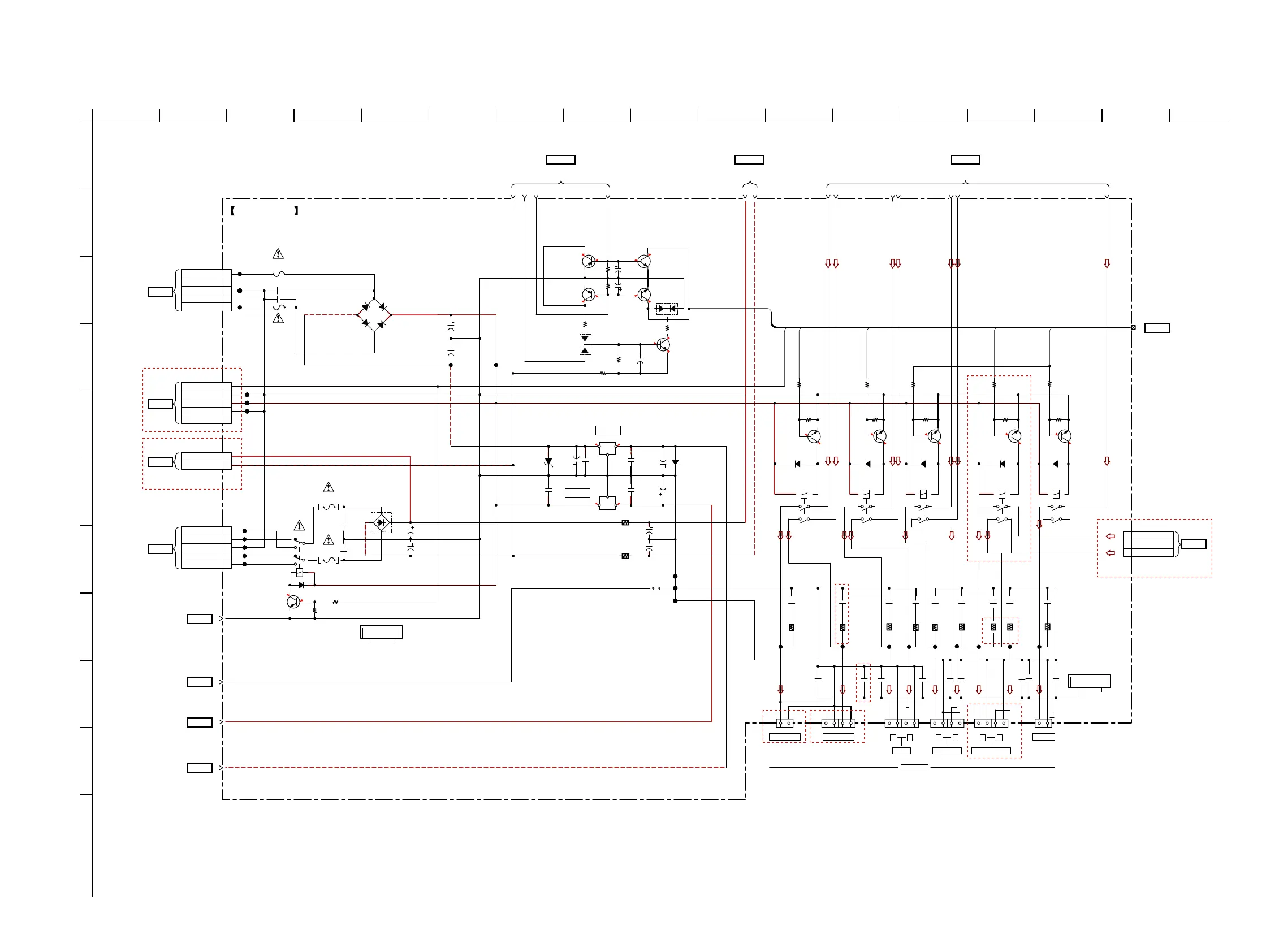
5-9. SCHEMATIC DIAGRAM – MAIN Board (3/9) –
1
A
B
C
D
E
F
G
H
I
J
K
2 3 4 5 6 7 8 9 10 11 12 13 14 15 16 17
220 10V
C320
C323
220 10V
10 50V
C325
BAV70
D326
BAV70
D327
2PD601ART
PROTECTOR
Q324
2PD601ART
PROTECTOR
Q321
2SA1514KT146S
Q320
2SA1514KT146S
PROTECTOR
PROTECTOR
Q323
2SC2713G-TE85L
PROTECTOR
Q325
1k
R328
6.8k
R325
10k
R327
39k
R326
56k
R320
R323
+7V
-7V
GND
+-+- +-+-+-+-+-+-+-+-
CC68
CC62
CC66 560p
CC67 560p
CC65 560p
CC63
CC60 560p
CC64
CC61 560p
560p
560p
560p
560p
1
C350
1
C352
470p
C355
470p
C354
0.01CC10
0.01CC11
0.01CC12
0.01CC13
0.01CC14
0.01CC15
0.01CC18
0.01CC17
0.01CC16
100 16V
C353
100 16V
C351
C356
100 25V
CL857
CL357CL358CL362 CL359CL360CL361 CL363
CL355CL356
CN351
3P
1 SBL SPK
2NC
3 SBR SPK
D937
1SR154-400TE-25
D352
DA2J10100L
D350
DA2J10100L
D365
DA2J10100L DA2J10100L DA2J10100L
D355 D360
D356
P6SMB30AT3G
OUT
GND
IN
OUT
GND
IN
2PD601ART 2PD601ART
RELAY DRIVER RELAY DRIVER
Q355
2PD601ART
RELAY DRIVER
Q360
2PD601ART
RELAY DRIVER
Q350 Q929
2PD601ART
RELAY DRIVER
Q365
0.47R542
0.47R543
10
RR10
10
RR11
10
RR12
10
RR13
10
RR14
10
RR15
10
RR18
10
RR17
10
RR16
47k
R363
47k 47k
R358
1k
R355
R927
R928
2.2k
2.2k
R360
2.2k
R350
47k
R353
47k
R366
1k
R367
RY350
1
3
4
6
2
5
1
3
4
6
2
5
1
3
4
6
2
5
1
3
4
6
2
5
1
3
4
6
2
5
RY380RY365 RY355 RY360
TB355
4P
TB352
4P
TB353
4P
TB351
4P 2P
TB354TB356
2P
22 100V
C983
22 100V
C984
LR_RY
SW_RY
PROTECT
SW_1
DC_DET1
DC_DET2
PROTECTOR
SW_2
FRONT_R
SURR_R
SURR_L
CENTER
FRONT_L
C_SURR_RY
BRIDGE_RY
SB_LR_RY
IC352
KIA7907F-RTF/P
-7V REG
IC352
IC350
KIA7807AF-RTF/P
+7V REG
IC350
CL856
CL855
LR
SURROUND
CENTER
LR
FRONT
SUBWOOFERSUBWOOFER
LR
SURROUND BACK
SPEAKERS
2200 25V
C912
1000 25V
C913
0.47C910
0.47C911
C935
0.22
C934
0.22
C930
6800 71V
C931
6800 71V
JL913
JL912
CL370
CL372
CL373
CL371
CL368
CL366
CL367
CL369
CN952
2P
1+B
2-B
5P
CN951
1
R1 (UPPER TAP)
2
R1 (LOWER TAP)
3
R1 GND
4
R1 (LOWER TAP)
5
R1 (UPPER TAP)
5P
CN950
1R2 AC
NC 2
3CENTER TAP
4NC
5R2 AC
CN955
6P
BRIDGE_RY 1
GND_RY 3
+17V 4
SW1_GND 5
SW2_GND 6
D5SBA60-F
D921
1SR154-400TE-25
D911
1SR154-400TE-25
D913
1SR154-400TE-25
D912
1SR154-400TE-25
D910
DA2J10100L
D920
T8AL 250V
F914
F915
T8AL 250V
F910
2.5A 250V
F911
2.5A 250V
FH956
FH953 FH954
FH955
2PD601ART
RELAY DRIVER
Q920
R925
47k
R921 2.2k
RY920
CL860
CL861
CL862
8
39
40
14 36 37 33 11 13 31 30 32 1215 35 34
41
MAIN BOARD (3/9)
>014S
POWER
TRANSFORMER
(MAIN)
T901
(Page 39)
>017S
POWER
TRANSFORMER
(MAIN)
T901
(Page 39)
>015S
SUB RECTIFIER
BOARD
CN931
(Page 40)
>021S
SURR BACK
AMP BOARD
CN405
(Page 42)
>020S
MAIN BOARD
(9/9)
(Page 31)
>005S
MAIN BOARD
(5/9)
(Page 27)
>018S
MAIN BOARD
(6/9)
(Page 28)
>019S
MAIN BOARD
(4/9)
(Page 26)
>016S
SURR BACK
AMP BOARD
CN405
(Page 42)
>012S
MAIN BOARD
(2/9)
(Page 24)
>009S
MAIN BOARD
(1/9), (2/9)
(Page 23), (Page 24)
>008S
MAIN BOARD
(1/9), (2/9)
(Page 23), (Page 24)
*1
*1 R323
56K
(KM22)
68K (KM55, KM77)
JW006
A-GND
38
>013S
MAIN BOARD
(6/9)
(Page 28)
MECHANICAL
B351
MECHANICAL
HS921
3.3
3.4
0.2
0.8
0.2
0.2
0.2
0.2 0.4
0.8
0.8
0.8
0.8 0.8
0
0
-58.5
-60
-60
-59.1
3.3
0
0
-14
-7
13.3
7
KM77
KM77
KM77
KM77
KM22
KM55, KM77
KM77
KM55, KM77
KM55, KM77
KM55, KM77
Ver. 1.1

Table of Contents

Related product manuals