EasyManua.ls Logo

Sony STR-KM77 - Block Diagram - DISPLAY;POWER SUPPLY Section

Sony STR-KM77
90 pages
Print Icon
To Next Page IconTo Next Page
To Next Page IconTo Next Page
To Previous Page IconTo Previous Page
To Previous Page IconTo Previous Page
Loading...
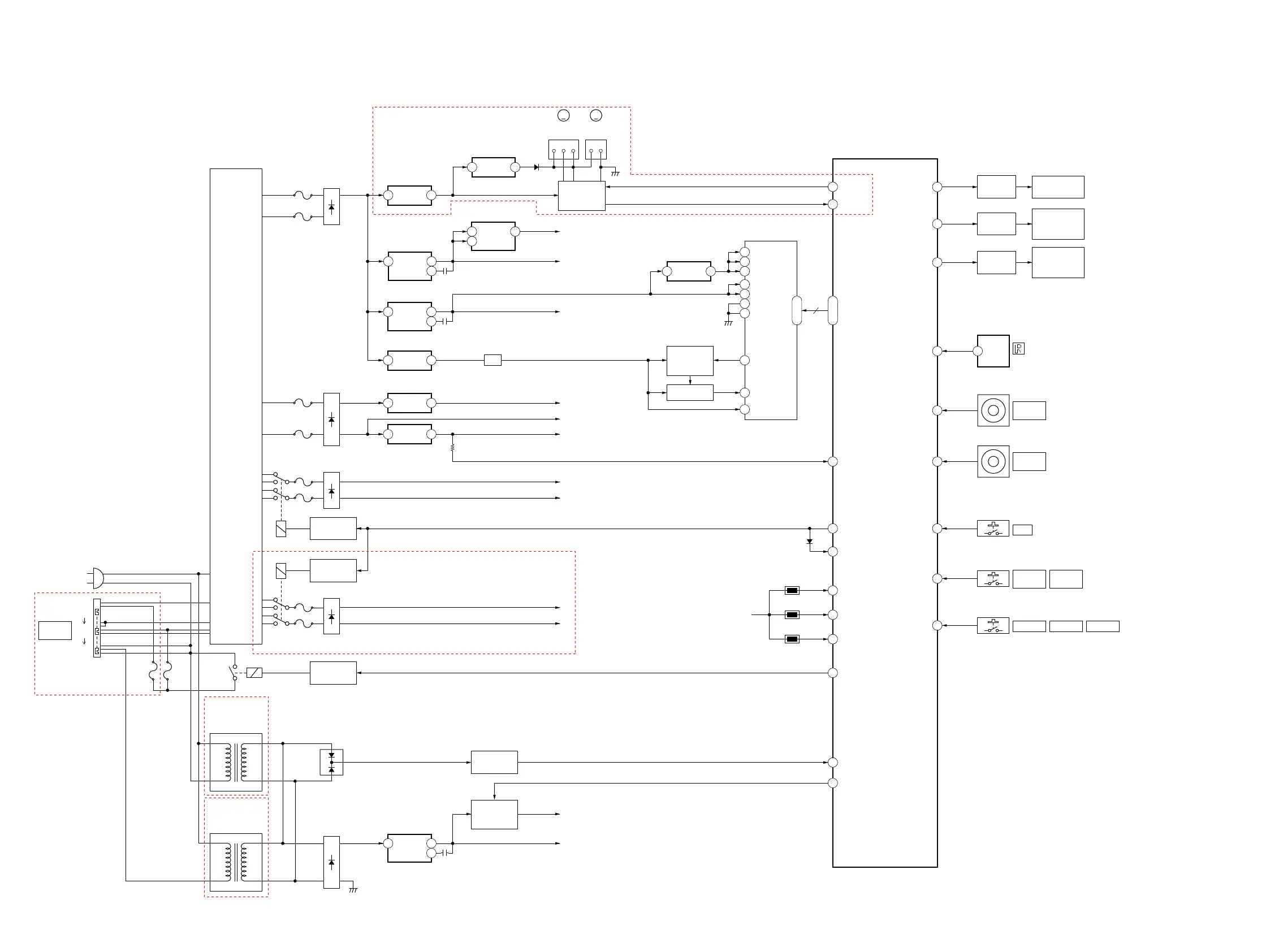
5-4. BLOCK DIAGRAM – DISPLAY/POWER SUPPLY Section –
70
TEMP_SENSOR_1
43
FL_CLK
1
VO
44
FL_DATA
45
FL_LAT
SYSTEM CONTROL
IC2106
(4/4)
+3.3V REG
IC1601
+3.3V (STBY)
VACUUM FLUORESCENT
DISPLAY
ND101
POWER
TRANSFORMER
(MAIN)
T901
POWER
TRANSFORMER
(SUB)
T903
F921
RECTIFIER
D1002
TH252
REMOTE CONTROL
SIGNAL RECEIVER
IC102
INPUT_JOG
52
INPUT_LED 30
CLK
29
DIN 27
STB 31
SIRCS_IN 53
1
F+
15
VDD
2
F+
53
F-
54
F-
INPUT
SELECTOR
EN100
VOLTAGE
SELECTOR
S901
VOLUME_JOG 54
POWER_DET 56
MASTER
VOLUME
EN101
SPEAKER
SETTINGS
"/1
S100
AD_KEY1 57
AD_KEY2 55
S101
MUSIC/
MOVIE
S102
M-TURBO
S103
GAME
S104
FOOTBALL
S105
LED DRIVER
Q112
RELAY DRIVER
Q903
+3.3V
STBY SUPPLY
Q2709
VOL_LED
31
LED DRIVER
Q111
LED_BAR
32
LED DRIVER
Q110
BAR LED
D130, D132, D133
D135, D136, D138
VOLUME LED
D139, D141, D142
D144, D146, D147
INPUT LED
D110 ~ D115
69
TEMP_SENSOR_2
TH251
66
TEMP_SENSOR_3
TH253
40
POWER_RY
39
STOP
PH 8
2
VIN
BOOT 1
+3.3V (VMCU)
+6V
+4V
+3.3V (AUDIO)
+3.3V (AUDIO)
SWITCHING
TRANSISTOR
Q101
F101
FAN DRIVER
Q900 ~ Q902
12
VIN
8
VH
10
SW
24
LOT26_PCONT
11
BRIDGEABLE_RY
41
FUSE_DET
42
FAN _BLK
18
PROTECT
37
FAN _CTRL
~ AC IN
120V
220V
240V
F922
F902 F901
RECTIFIER
D902 ~ D905
D960
RECTIFIER
D910 ~ D913
POWER
TRANSFORMER
(SUB)
T904
RELAY DRIVER
Q920
AC OFF DETECT
Q904
RY901
+6V REG
IC1500
PH
8
2
VIN
+13V
-7V
+7V
+B
-B
BOOT 1
+4V REG
IC1600
PH 8
2
VIN
BOOT 1
+3.3V REG
IC2010
VO 1
6
VCC
4
EN
+12V REG
IC900
OUT
3
1
IN
F914
RECTIFIER
D921
F915
-7V REG
IC352
OUT
3
2
IN
+7V REG
IC350
OUT
3
1
IN
F911
F910
+3.3V REG
IC103
VOUT
34
VDD
17
K2
21
K1
+5V REG
IC1602
D1603
OUT
3
1
IN
+12V REG
IC1603
OUT
3
1
IN
D102, D103
CN904
21
CN903
21
3
M
M2
(FAN)
M
M1
(FAN)
D2306
(2/2)
RY920
RELAY DRIVER
Q931
+B
-B
F931
RECTIFIER
D932
F932
RY931
3
KM55, KM77
KM55, KM77
E51, EA
E51, EA
EXCEPT E51, EA
STR-KM22/KM55/KM77
STR-KM22/KM55/KM77
1818

Table of Contents

Related product manuals