EasyManua.ls Logo

Sony STR-KM77 - Schematic Diagram - MAIN Board (6;9)

Sony STR-KM77
90 pages
Print Icon
To Next Page IconTo Next Page
To Next Page IconTo Next Page
To Previous Page IconTo Previous Page
To Previous Page IconTo Previous Page
Loading...
STR-KM22/KM55/KM77
STR-KM22/KM55/KM77
2828
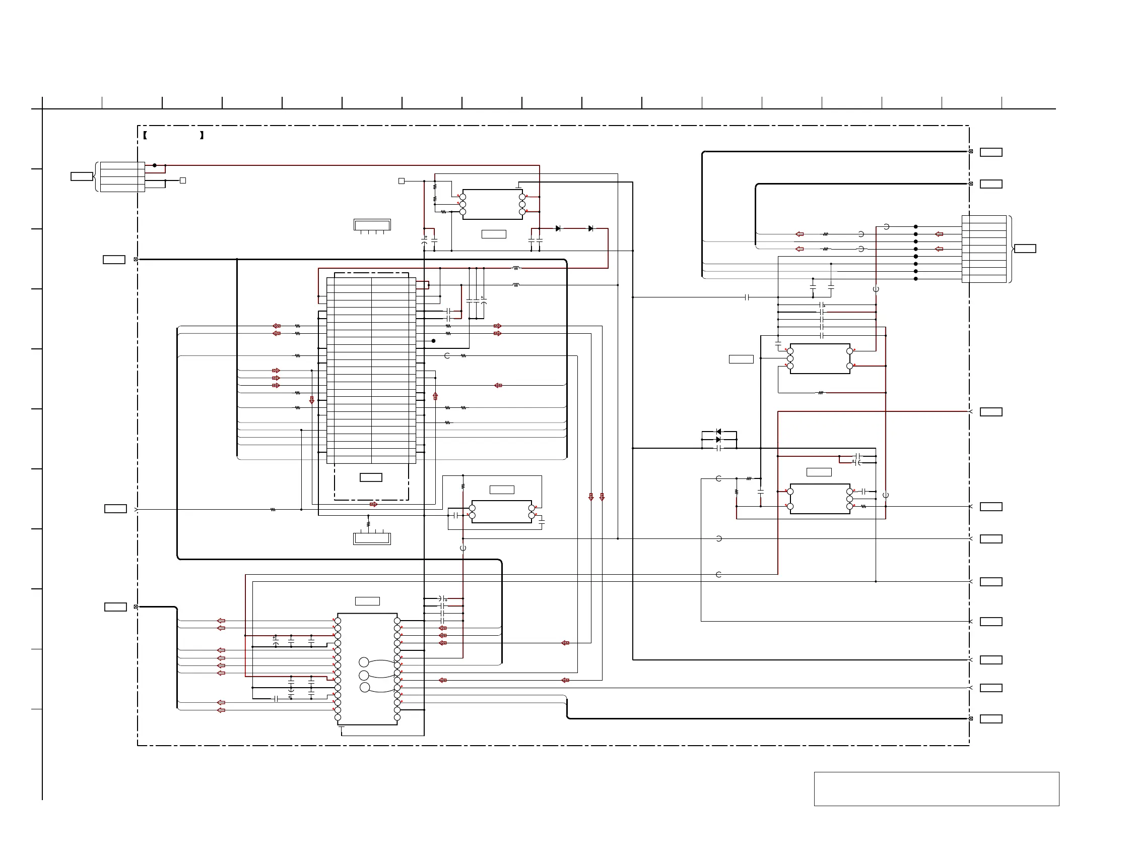
5-12. SCHEMATIC DIAGRAM – MAIN Board (6/9) –
• See page 19 for Waveforms. • See page 47 for IC Block Diagrams.
Note: IC2010 on the MAIN board cannot exchange with single.
When these parts on the MAIN board are damaged, ex-
change the entire mounted board.
1
A
B
C
D
E
F
G
H
I
J
K
2 3 4 5 6 7 8 9 10 11 12 13 14 15 16 17
22
C2114
0.1
C2011
10
C2027
100 16V
C2013
10k
R2103
22k
R2030
10k
R2029
VO
FB
GND EN
NC
VCC
1
2
3
6
5
4
IC2010
BD00IC0WHFV-GTR
+3.3V REG
IC2010
0.1
C2034
1000p
C2198
C2009 10
0.1C2020
CL2223
50P
CN2128
SFLASH_HOLD 1SPI_CLK2
GND 3LED4
GND 5DSP_CS6
SPI_MISO 7SPI_MOSI8
DSP_INT 9DSP_RESET10
NON_AUDIO 11ERROR12
GND 13MD14
MCK_IN 15BCK_IN16
GND 17RESET_MAIN18
SI_G 19LRCK_IN20
C/SW_IN
21
SBL/SBR_IN
22
DIR_IN
23
SL/SR_IN
24
DIR_IN
25
DIR_IN
26
GND 27UART_OUT28
BCK_OUT 29LRCK_OUT30
GND 31UART_IN32
SO_E 33SO_F34
C/SW_OUT
35SBL/SBR_OUT36
L/R_OUT
37SL/SR_OUT38
GND 39GND40
GND 41GND42
VDDINT 43VDDINT44
VDDINT 45VDDINT46
VDDEXT 47FRONTHI_L/R_OUT48
VDDEXT 49OPTION_L/R_OUT50
1SR154-400TE-25
D2318
1SR154-400TE-25
D2319
0uH
FB2042
FB2044
0uH
FB2045
0uH
R2104
1k
R2035 10k
22R2076
22R2081
100
R2130
0
R2129
220R2079
220R2229
22
R2078
330
R2082
220R2077
220R2074
330R2131
GND
VDD CT
VOUT
0
R2237
DSP_MISO
DSP_ERROR
DSP_INT
LRCLK_OUT
DSP_NPCM
MCLK_IN
C/SW_IN
LRCLK_IN
DSP_SPICLK
SBL/SBR_OUT
DSP_SPICS
DIR_RST
SL/SR_OUT
SL/SR_IN
BCLK_IN
SBL/SBR_IN
DIR_IN
DSP_SFLASH_HOLD
DSP_MOSI
DSP_RST
C2014 10
0.1C2168
220 4V
C2015
1
2
4
3
IC2105
BU4229F-TR
RESET
IC2105
CL2066
5P
CN2511
1+4V
3+4V
4DGND
5DGND
D_GND
3.3V
C2516
0.01
C2504
0.1
0.01
C2047
0.1
C2046
C2501 10
C2514 0.01
0.1C2502
0.1
C2049
10C2054
10 50V
C2050
470 16VC2503
100 25V
C2507
SL-IN
SW-IN
SBR-IN
FL-IN
FR-IN
C-IN
SBL-IN
SR-IN
0uH
FB2037
ZR1/FMT0
DGND
DAC_IIC_SCL
DAC_IIC_SDA
SCK
DATA1
BCK
LRCK
VDD
DGND
DATA2
DATA3
DATA4
MSELVOUT8
VOUT7
VCC1
AGND1
VOUT6
VOUT5
VOUT4
VOUT3
VCC2
AGND2
VCOM
VOUT2
VOUT1
ZR2
LRCLK_OUT
DAC_SDA
DAC_SCL
SBL/SBR_OUT
SL/SR_OUT
1
2
3
4
5
6
7
8
9
10
11
12
13
14
28
27
26
25
24
23
22
21
20
19
18
17
16
15
IC2104
PCM1681GPWPR
D/A CONVERTER
IC2104
62
51
60
47
44
63
43
61
0.1
C2424
4.7C2422
1
C2421
33k
R2049
100 10VC2096
A-GND
+3.3V
0uH
FB2034
0uH
FB2046
0uH
FB2038
22kR2048
10k
R2047
CONT
GND
NCVOUT
VIN
FUSE_DET
IC2113_VOUT
8
53
38
2
+7V
39
GND
SCK
0.01C2055
1SS367-T3SONY
D2004
1SS367-T3SONY
D2003
1
2
3
5
4
IC2113
MM1839A50NRE
+5V REG
IC2113
C2051 1
C2626 4.7
100p
C2137
C2136
100p
C2045 0.1
4.7C2623
9P
CN2505
IISD1
VDD2
AUDIO L/LRCK3
CE4
AUDIO R/BCK5
GND6
DA7
IIC/RDSI8
CK9
TUNER_L
TUNER_R
0uH
FB2051
0uH
FB2048
0uH
FB2052
0uH
FB2050
0uH
FB2049
CL2056
CL2054
CL2059
CL2058
CL2057
CL2053
CL2060
CL2055
R2111 1k
R2068 10k
R2112 1k
CONT
GND
NC VOUT
VIN
C2627 470 10V
TUNER_CE
TUNER_SCL
TUNER_I2C/RDSI
TUNER_SDA
0.1C2001
1
2
3
C2052
0.1
5
4
IC2115
MM1839A50NRE
+5V REG
IC2115
>028S
MAIN BOARD
(5/9), (7/9)
(Page 27), (Page 29)
>023S
MAIN BOARD
(4/9)
(Page 26)
>045S
MAIN BOARD
(7/9)
(Page 29)
>031S
MAIN BOARD
(5/9)
(Page 27)
>018S
MAIN BOARD
(3/9), (4/9)
(Page 25), (Page 26)
>002S
MAIN BOARD
(1/9)
(Page 23)
>013S
MAIN BOARD
(2/9), (3/9), (4/9), (5/9)
(Page 24), (Page 25),
(Page 26), (Page 27)
>005S
MAIN BOARD
(5/9)
(Page 27)
>033S
MAIN BOARD
(5/9)
(Page 27)
>046S
MAIN BOARD
(7/9)
(Page 29)
>043S
MAIN BOARD
(7/9)
(Page 29)
>024S
MAIN BOARD
(4/9)
(Page 26)
>042S
MAIN BOARD
(7/9)
(Page 29)
>059S
DSP BOARD
(2/2)
CN5001
(Page 37)
>041S
STANDBY
BOARD
CN912
(Page 39)
>044S
TUNER1AMPR
BOARD
CN101
(Page 41)
MAIN BOARD (6/9)
MECHANICAL
HS2001
MECHANICAL
HS2002
4
4
3.4
5
0
6.7
7
0
5.1
7
6.5
0.4
1.7
3.4
0.8
0
0
0
3.4
1.7
1.8
1.8
3.4
3.4
0
2.5
2.5
2.5
2.5
2.5
2.5
2.5
2.5
2.5
5
5
1
2
3

Table of Contents

Related product manuals