EasyManua.ls Logo

Sony STR-KS2000 - Schematic Diagram - IR Board

Sony STR-KS2000
106 pages
Print Icon
To Next Page IconTo Next Page
To Next Page IconTo Next Page
To Previous Page IconTo Previous Page
To Previous Page IconTo Previous Page
Loading...
STR-KS2000
STR-KS2000
3434
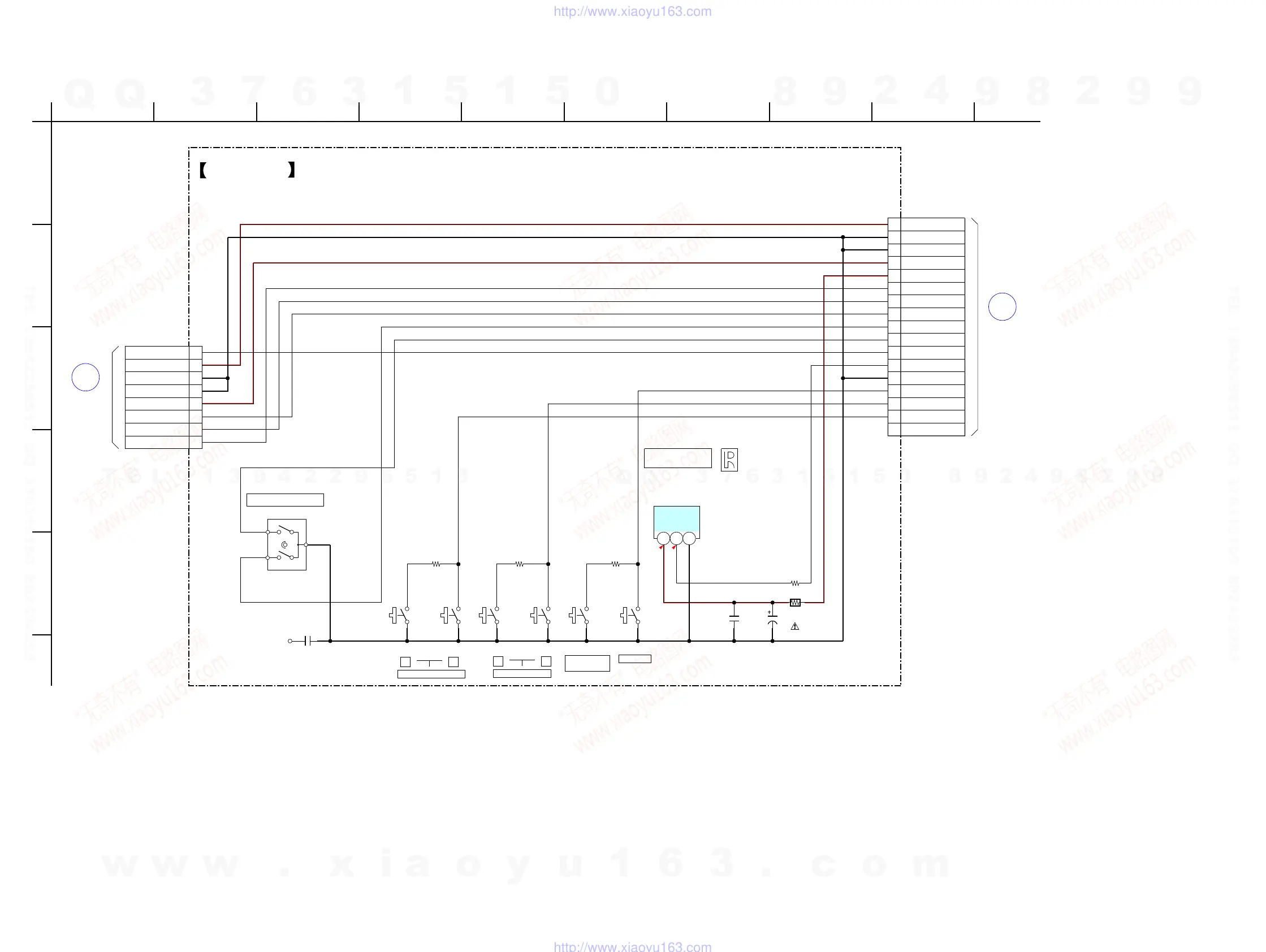
6-24. SCHEMATIC DIAGRAM - IR Board -
(4/10)
C
BOARD
MAIN
CNS510
CN700
DISPLAY
BOARD
J
3.5
3.5
10
R753
100
R752
16V
47
C710
0.1
C765
S702
22p
C768
RV700
S706
S704
S701
S703
S705
1
2
3
4
5
6
7
8
9
10
11
12
13
14
15
16
17
17P
CNS701
6.0V
GND
GND
+5V
+3.3V(STBY)
FL LAT
FL CLK
FL DATA
VOL2A
VOL2B
POWER SW
SIRCS
GND
AD2
AD1
AD0
SA-CD LED
1
2
3
4
5
6
7
8
8P
CNP700
POWER SW
+6V
GND
GND
+5V
FL DATA
FL CLK
FL LAT
1k
R754
1k
R756
1k
R755
REMOTE CONTROL
IC701
IR BOARD
A
1012
B
C
78
F
9643
D
5
E
RECEIVER
21
3
IC701
NJL24H400A
GND
OUT
VCC
ROTARY ENCODER
MASTER VOLUME
MUTING
INPUT
SELECTOR
SOUND FIELD
PRESET TUNING
+-
-+
2
1
3
(Page 33)
(Page 21)
w
w
w
.
x
i
a
o
y
u
1
6
3
.
c
o
m
Q
Q
3
7
6
3
1
5
1
5
0
9
9
2
8
9
4
2
9
8
T
E
L
1
3
9
4
2
2
9
6
5
1
3
9
9
2
8
9
4
2
9
8
0
5
1
5
1
3
6
7
3
Q
Q
TEL 13942296513 QQ 376315150 892498299
TEL 13942296513 QQ 376315150 892498299
http://www.xiaoyu163.com
http://www.xiaoyu163.com

Table of Contents

Related product manuals