EasyManua.ls Logo

Sony STR-KS2000 - Page 43

Sony STR-KS2000
106 pages
Print Icon
To Next Page IconTo Next Page
To Next Page IconTo Next Page
To Previous Page IconTo Previous Page
To Previous Page IconTo Previous Page
Loading...
STR-KS2000
43
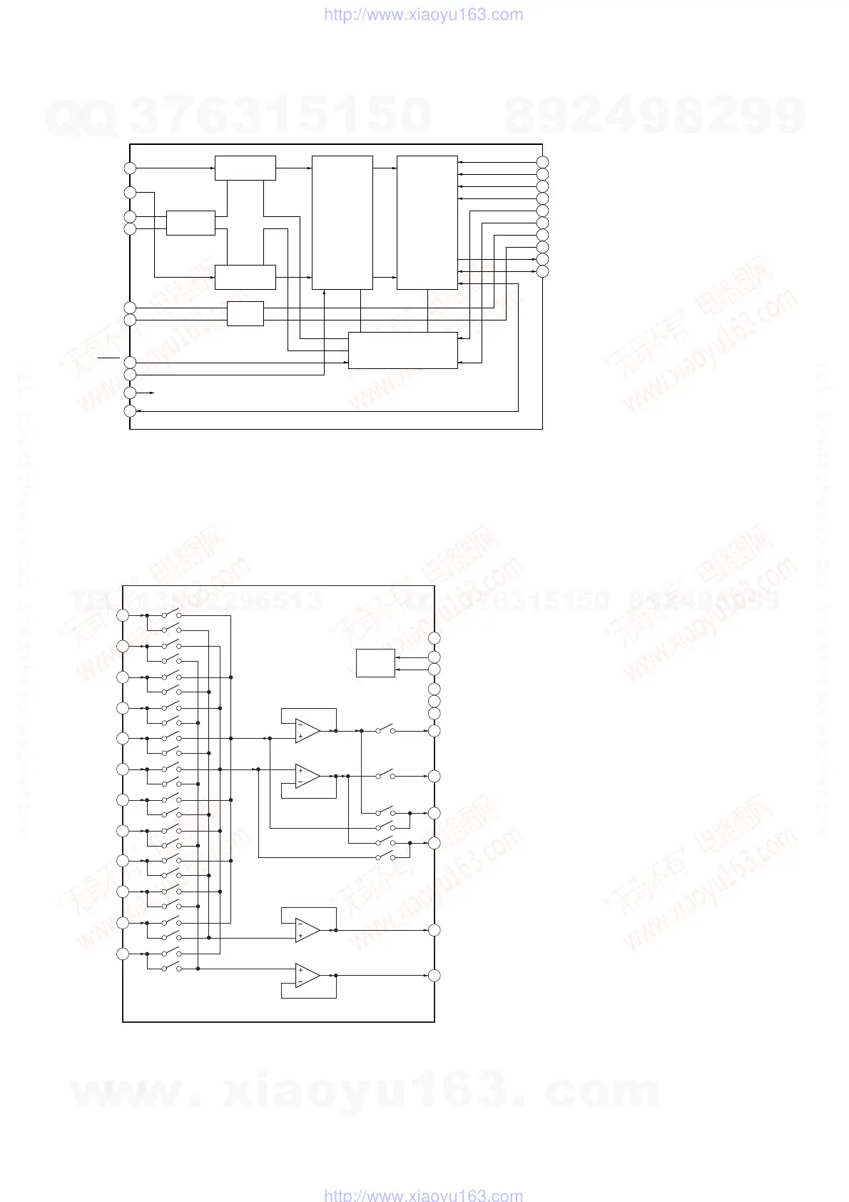
IC1602 PCM1803DBR
DELTA-SIGMA
MODULATOR
DELTA-SIGMA
MODULATOR
VINL
1
VINR
2
VREF1
3
VREF2
4
VCC
AGND
5
6
BYPAS 8
TEST 9
LRCK 10
REFERENCE
× 1/64, × 1/128
DECIMATION
FILTER
WITH
HIGH-PASS
FILTER
SERIAL
INTERFACE
&
MODE/FORMAT
CONTROL
MODE1
20
MODE0
19
FMT1
18
FMT0
17
OSR
16
SCKI
15
VDD
14
DGND
13
DOUT
12
BCK
11
CLOCK & TIMING CONTROL
POWER
SUPPLY
PDWN
7
IC1710 BD3842FS-FD2
LOGIC
1
INA1
2
INA2
3
INB1
4
INB2
5
INC1
6
INC2
7
IND1
8
IND2
9
INE1
10
INE2
11
INF1
12
INF2
14
OUT1
15
RECB2
16
RECB1
13
OUT2
18
RECA1
19
VCC
20
GND
21
VEE
22
DA
23
CL
24
DGND
17
RECA2
w
w
w
.
x
i
a
o
y
u
1
6
3
.
c
o
m
Q
Q
3
7
6
3
1
5
1
5
0
9
9
2
8
9
4
2
9
8
T
E
L
1
3
9
4
2
2
9
6
5
1
3
9
9
2
8
9
4
2
9
8
0
5
1
5
1
3
6
7
3
Q
Q
TEL 13942296513 QQ 376315150 892498299
TEL 13942296513 QQ 376315150 892498299
http://www.xiaoyu163.com
http://www.xiaoyu163.com

Table of Contents

Related product manuals