EasyManua.ls Logo

Sony STR-KS2000 - Page 45

Sony STR-KS2000
106 pages
Print Icon
To Next Page IconTo Next Page
To Next Page IconTo Next Page
To Previous Page IconTo Previous Page
To Previous Page IconTo Previous Page
Loading...
STR-KS2000
45
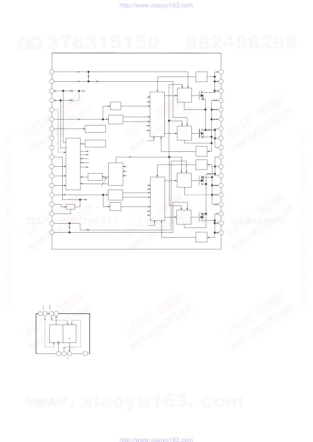
IC3100, 3150, 3200, 3250, 3300, 3400, 3500 CXD9883M
1
10
9
8
11
12
13
14
7
6
15
16
17
18
3
4
5
20
19
2
AGND
GND
GND
PGND
PGND
PGND
PGND
PGND
PGND
36
35
34
33
32
31
30
29
28
27
26
25
24
23
22
21
Stuck
Detect
Stuck
Detect
Timing
Control
Timing
Control
Protection
Logic
Protection
Logic
Gate
Drive
Gate
Drive
Gate
Drive
Gate
Drive
Over
Current
Fault
Over
Current
Fault
Over
Current
Fault
Over
Current
Fault
Programmable
Current
sense
OUT_B
OUT_B
OUT_B
PVDD_B
PVDD_B
PVDD_B
OUT_A
OUT_A
OUT_A
PVDD_
A
PVDD_
A
PVDD_
A
REG
BST_B
GVDD_B
VDD
PWM_B
M1
M2
M3
VREG
OC_ADJ
PWM_A
/RESET
/SD
/OTW
GVDD_A
BST_A
Protection
and
Reset
Logic
OLP
OTP
CB3C
Temperature
waming/error
Power-Up
Reset
Under
Voltage
Protection
/HIZ_HS_B
/HIZ_HS_A
/HIZ_LS_B
/HIZ_LS_A
/OCL_B
/OCL_A
/OCH_B
/OCH_A
/RESET_A
/RESET_B
VREG
/HIZ_HS_X
/HIZ_LS_X
/OCH_X
/OCL_X
/RESET_X
/PCR
/UVP
/UVP
/UVP_VREG
VREG
GVDD_A
GVDD_B
VREG
IC3921 TC7WZ74FU (TE12R)
6
CLR
7
PR
8
VCC
5
Q
R
S
Q
3
Q
2
D
4
GND
1
CK
Q
D
C
w
w
w
.
x
i
a
o
y
u
1
6
3
.
c
o
m
Q
Q
3
7
6
3
1
5
1
5
0
9
9
2
8
9
4
2
9
8
T
E
L
1
3
9
4
2
2
9
6
5
1
3
9
9
2
8
9
4
2
9
8
0
5
1
5
1
3
6
7
3
Q
Q
TEL 13942296513 QQ 376315150 892498299
TEL 13942296513 QQ 376315150 892498299
http://www.xiaoyu163.com
http://www.xiaoyu163.com

Table of Contents

Related product manuals