EasyManua.ls Logo

Sony TA-FB930R - Input Section Schematic Diagram

Sony TA-FB930R
25 pages
Print Icon
To Next Page IconTo Next Page
To Next Page IconTo Next Page
To Previous Page IconTo Previous Page
To Previous Page IconTo Previous Page
Loading...
66
TA-FB930R
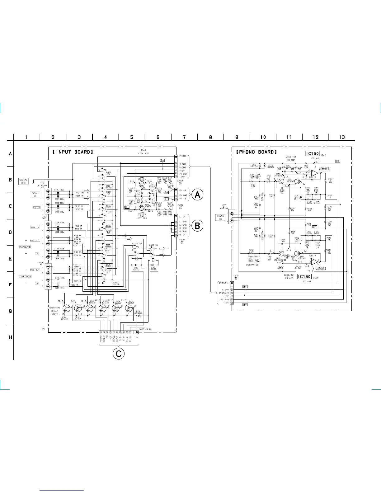
3-2. SCHEMATIC DIAGRAM – INPUT SECTION –
(Page 8)
(Page 10)
(Page 10)

Related product manuals