EasyManua.ls Logo

Sony TRINITRON GDM-1601 - Page 18

Sony TRINITRON GDM-1601
67 pages
Print Icon
To Next Page IconTo Next Page
To Next Page IconTo Next Page
To Previous Page IconTo Previous Page
To Previous Page IconTo Previous Page
Loading...
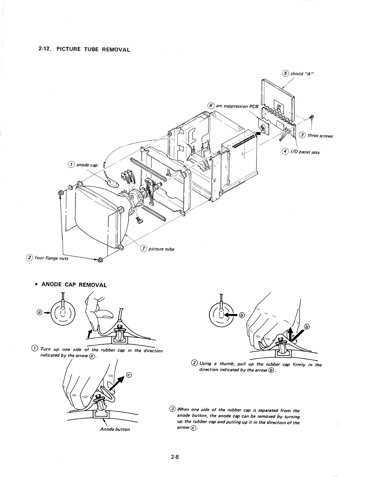
2-12_
PICTURE TUBE REMOVAL
(j)
anode cap
o
four
flange
nuts
ANODE CAP REMOVAL
o
Turn
up
one
side
of
the
rubber
cap
in
the
direction
indicated
by
the
arrow
®.
Anode
button
(])
three screws
o
110
panel
assy
o Using a
thumb,
pull
up
the
rubber
cap
firmly
in
the
direction
indicated
by
the
arrow@.
o
When
one
side
of
the
rubber
cap
is
separated
from
the
anode
button,
the
anode
cap can
be
removed
by
turning
up
the
rubber
cap
and
pulling
up
it
in
the
direction
of
the
arrow@).
2-8

Related product manuals