EasyManua.ls Logo

Sony TRINITRON GDM-1601 - Page 38

Sony TRINITRON GDM-1601
67 pages
Print Icon
To Next Page IconTo Next Page
To Next Page IconTo Next Page
To Previous Page IconTo Previous Page
To Previous Page IconTo Previous Page
Loading...
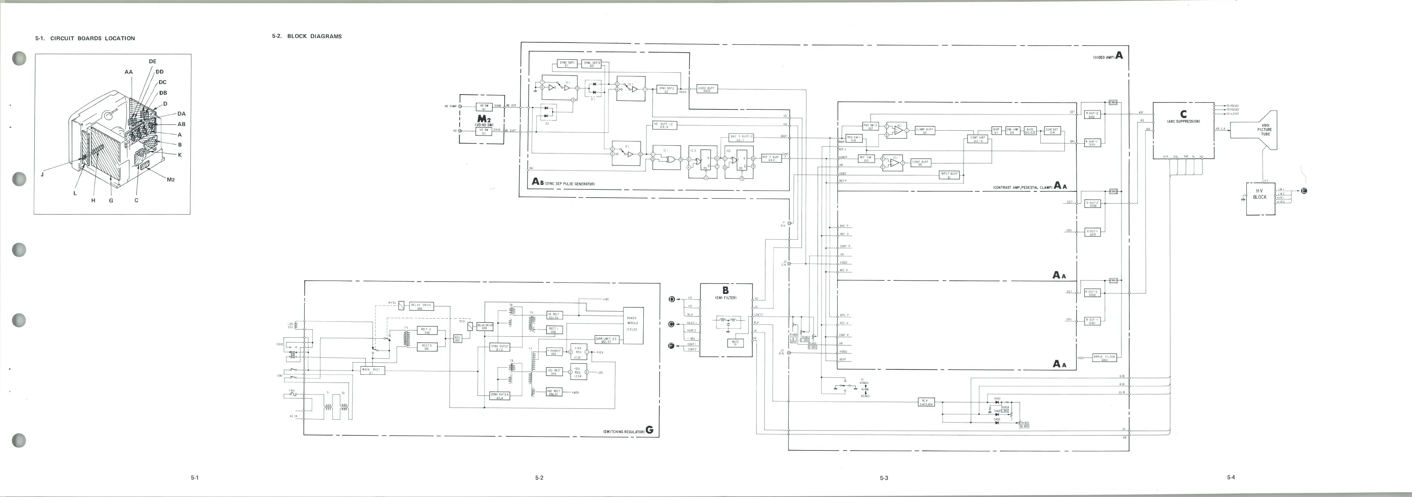
5-1_
CIRCUIT
BOARDS
LOCATION
5-2_
BLOCK
DIAGRAMS
DE
HO
CO
tol
P
DA
4---
AB
'"
B
K
J
H
G
C
~Y5<
r-----
S~C2r;:===tf--l
f901
"
"",-
4-
---
J
5-1
r--
HD
5
'11
"
I
I
M2
I
(VD'
HD SWI
~o
sw
,h'D
I
I'!']
~,
T
L~
"
II
SYNC
SEP1
"
SYNC
S[P;
r-
" f-
eUH
1.2
~
8,9
(V
IDE
O
AMP
1A
-
-----
--------
-----~
",I
'-------
-----~
'"~
~
BKG
P
B.Ffl
2 H'liF
07
09
010
,
12,[;
014
,--
--1--1
J,
~
_0_
'''1
~
I~"
;.
,
'"
~~
;,-_;_:r-t'
(L~~P",BUH
~
~~
~g~
~
-----""
i
-trr
-
--=J::::
~~
'
BUFF
21<1
Uf
'
OJfl
CO~Tr;O
. I
06'
rl(O~
T
AMPI
L-
____
______
__
_
-{>k~
~
I:
~
I,
'"~~~"~
'
''"
r--
,~~~r
''
~'~
~
r--r
-
I:
:::~
..
~.
-
'-"~~;=~~======~--
-------
-~~::::"='=-=.==-
't-
________
~=======:J~~M~'<--<
~
t
"'
-
j)V
~-11"
Ir-l-
rli-<t~)-
"
'In
~
~ ~
'I""" 6 I
w-vl
. 0
-{oH
fi
F,
~
,
~"{
·
J
"
t'
:
"
J
'~"·':'
t_
~
i+--il+
-
~I
,,""
,,
,.
-
-{~
~
-'...::l..:
L
4.~
~J
CO~T
BUH
r
'''~'
'
'-'
-
--
------
_ _
_______
.J
L _
__
-'
C~)-l
~
-(7
Q}
RO
ij
-{9
'IA:r-
r
~6
A
~
__
..J
-0.L,)--,
t '
B
(SY
NC
SEP
PULSE
GE
N
ERA
T
ORI
-=
REr
p
-------
------
(
CO
N
TRAST
AM
P,
PEDEST
AL
C
LAM
P)
A A
____
-l
f-----
---
- -
-------
-------
a
~
G
~,
,
-"""''-
4-
-4
~
G OU1-1
~
CONT
,
I
',"
VIDEO
~"
-----
------
-------
------
IC~
.52
I
-------
"" "
",n
""
"
..
G I
5-2
B-
IE
Ml FI
LT
ER
)
cc~
T?
=a;
--
,I
eo<
L -
,t---'
>"'-
"'
~U
l
f
"
"---------'
H
""
BFG
P
IifF
v
CONI
P
"
CEC
'------
,
~GI
N
G2
~~
O
~
'--_---'
I
AGI
NG
I
5-3
""
I
C.:.c34~4
I
I
-~
""
RIPPL[ I I
LTE~
L
0401 "
01'
"Ie
GI
R
[
:;401
-
ef~'
)40
2~
D4Q3
"'
C
(ARC
SUPPRESSION)
i
GI
P
GIG
GIS
HI,?
i
1T 1
TJfXUSI
TO
FOCUSl
;~H.SU
T
V901
PICTURE
'--
___
~TUBE
5-4
~
~c:c.
~'-~
_
@
11\i~
IIV~

Related product manuals