EasyManua.ls Logo

Sony Trinitron RM-W101 - A Board Jack (Block 006) Schematic Diagram

Sony Trinitron RM-W101
84 pages
Print Icon
To Next Page IconTo Next Page
To Next Page IconTo Next Page
To Previous Page IconTo Previous Page
To Previous Page IconTo Previous Page
Loading...
47
KV-BM142M70
RM-W101
A
12345 6 7
B
C
D
E
F
G
H
I
J
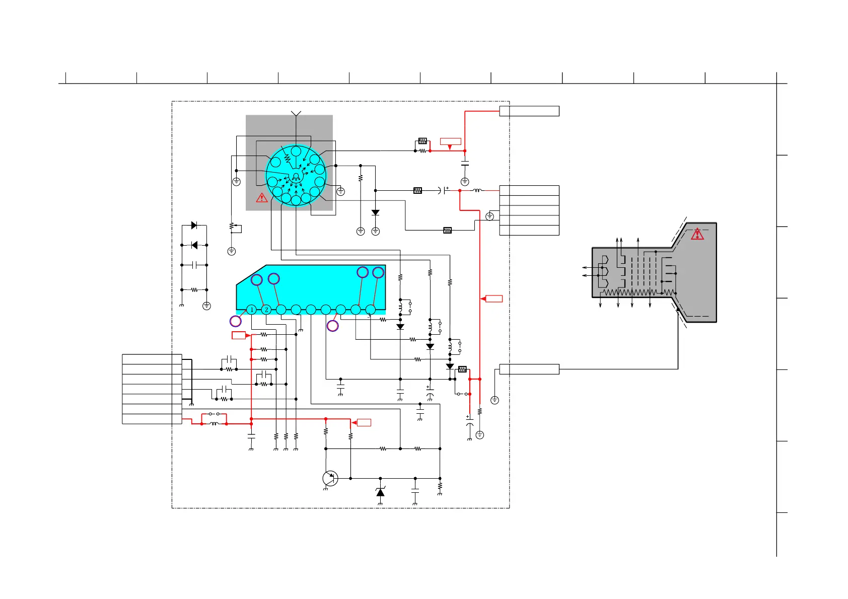
4-3-8. C Board Schematic Diagram
2kV
4700p
E
C752
1000p
B
C782
1
1P
CN705
GND
1SS133T-77
D780
1SS133T-77
D781
L750
XX
22uH
L780
XX
Q701
XX
R777
R766
XX
R767
XX
R768
XX
R784
XX
R785
XX
R786
XX
UDZSTE-175.6B
D782
XX
R776
XX
R778
250V
4.7
C754
XX
JW702
C759
XX
1
2
3
4
5
200V
NC
GND
H1
NC
3
4
5
6
7
8
9
10
11
13
1
GND
GND
1
110M
RV750
XX
R760
1/2W
100
R763
1/2W
100
R764
1/2W
560k
R773
1/2W
1k
R756
1/2W
1k
R757
1/2W
1k
R758
D756
D755
1SS244-T-72
D754
R774
150
3W
RS
1/2W
100
R783
R713
0:CHIP
C783
1000p
B:CHIP
1
CN704
1P
1000V
0.47
R794
GP08D
D750
1/2W
470k
R780
1
2
3
4
5
6
7
GND
B
G
R
GND
1K
9V
1000p
B:CHIP
C786
500V
1000p
C787
2W
RS
R781
0.47
5.0MM
JW1781
5.0MM
JW1782
5.0MM
JW1783
CHIP
680
R752
CHIP
680
R753
CHIP
680
R754
250V
10
C751
250V
4.7
C781
XX
C788
XX
C790
XX
C789
1/2W
100
R765
1/2W
FPRD
100k
R795
XX
L781
XX
L782
XX
L783
XX
R775
JW1750
XX
9876543
TDA6108AJF/N1
IC751
B IN
G IN
R IN
GND
IK
VDD
R OUT
G OUT
B OUT
C753
+200V
R-OUT
R-IN
+9V
FV
RCV
H
KG G2
CV KR G1 G4
HV
KB
A34LRG70X
PICTURE TUBE
1
2
3
4
5
6
J751
145154411
WHT
5P
CN703
TO A BOARD
(004)
CN801
7P
CN701
WHT
TO A BOARD
(001)
CN004
1000V
200V
9V
9V
C
(VIDEO AMP)
B-BX1S12304-CKD.-C-BM142M70
XX
1SS244-T-72
1SS244-T-72

Related product manuals