EasyManua.ls Logo

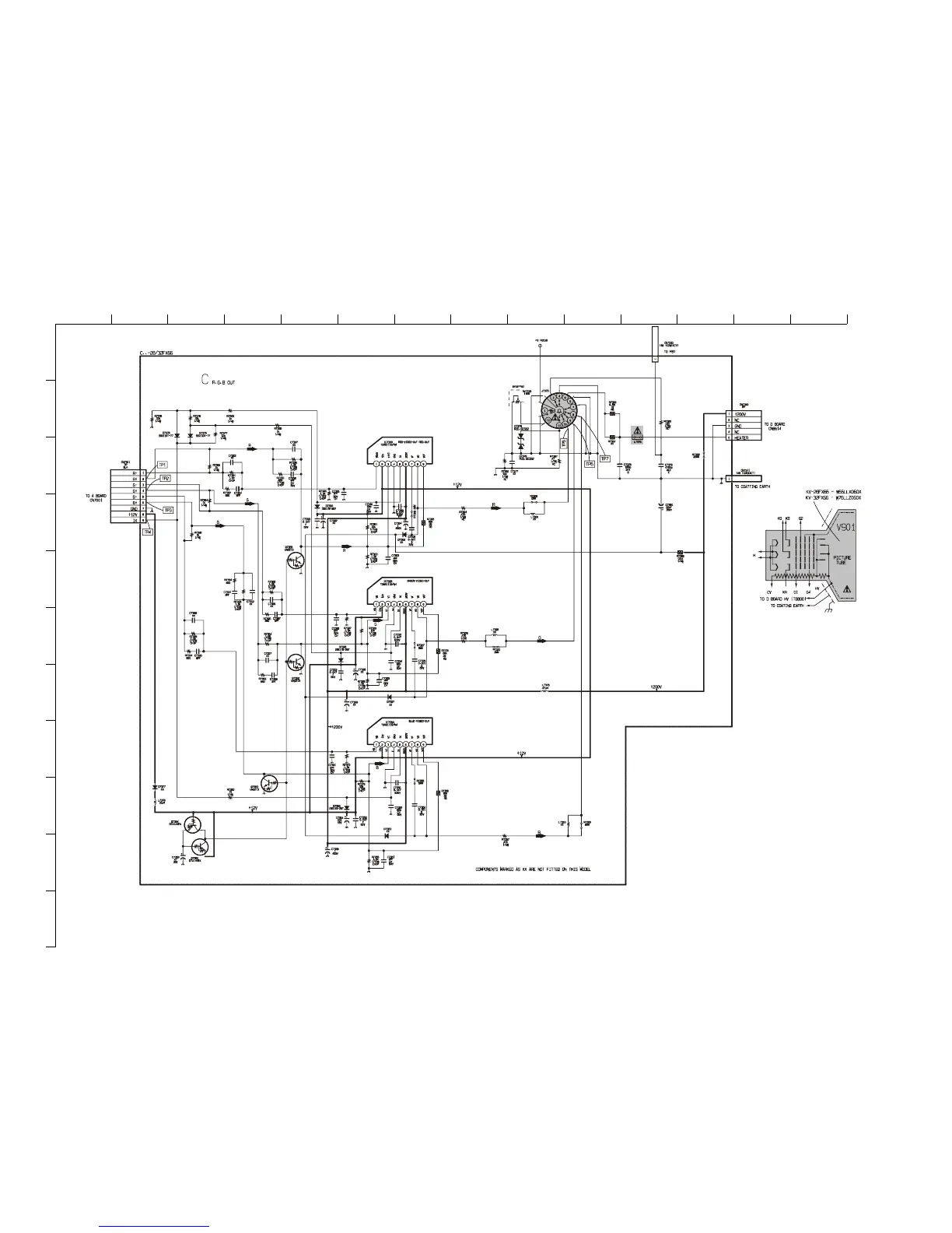
Sony TrinitronKV-28FX66B - C Board Schematic

Sony TrinitronKV-28FX66B
78 pages
Print Icon
To Next Page IconTo Next Page
To Next Page IconTo Next Page
To Previous Page IconTo Previous Page
To Previous Page IconTo Previous Page
Loading...
ABCDE F
G
HIJKLMN
1
2
3
4
5
6
7
8
9
10
11
- 38 -
~ C Board Schematic Diagram [ R-G-B Out ] ~

Related product manuals