EasyManua.ls Logo

Sony VPL-ES2 - Page 66

Sony VPL-ES2
98 pages
Print Icon
To Next Page IconTo Next Page
To Next Page IconTo Next Page
To Previous Page IconTo Previous Page
To Previous Page IconTo Previous Page
Loading...
5-2
VPL-CS7/ES2
5-2
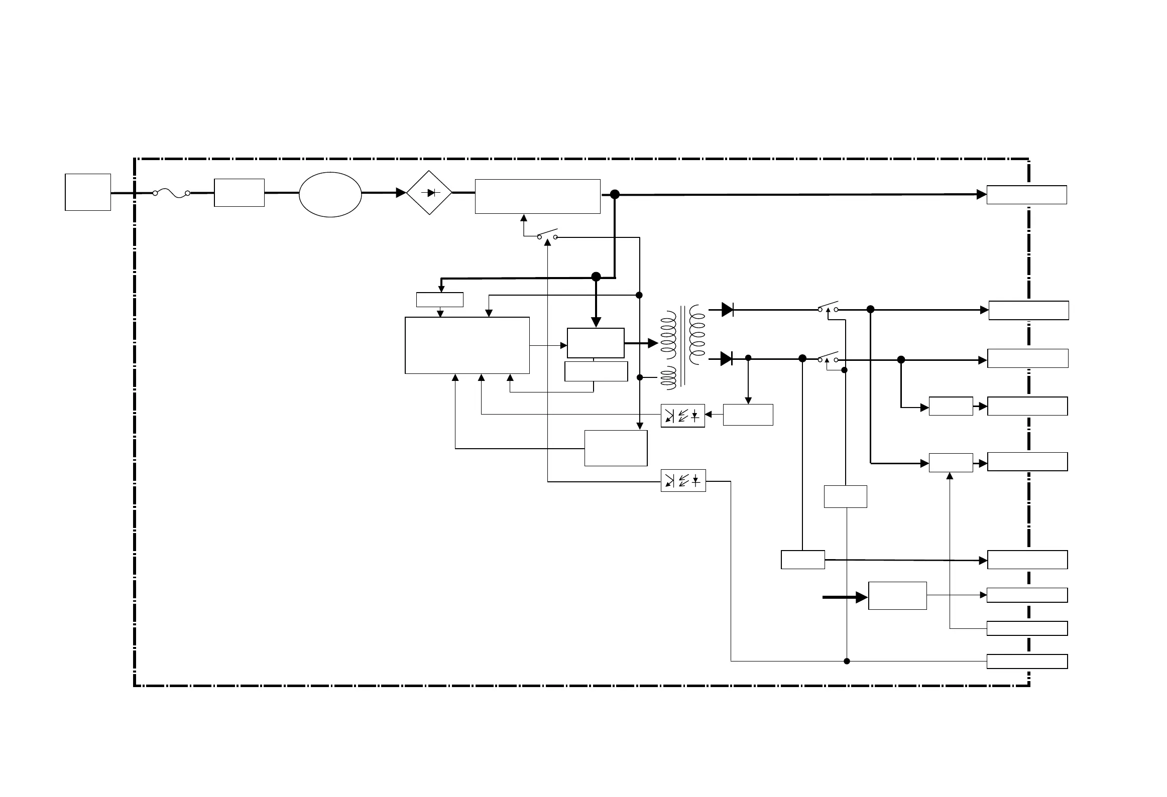
GG
PFC
(Phase compensation )
RESONANT MODE
SW REG CONT.
Starter
Switching
Circuit
+17V OUT
+6V OUT
Error amp.
F.B
OVP
Vcc
OVER CURRENT
DET.
OCP
Noise Filter
AC INLET
with NOISE
FILTER
BALLAST OUT 200W
D3.3V OUT
DC/DC
OVP LATCH
Power
Thermistor
SUB5V OUT
FAN+B OUT
DC/DC
DELAY
PCONT
FAN CONT1
POWER PROT
PPROT
From each
G Board
5V REG
G

Other manuals for Sony VPL-ES2

Related product manuals