EasyManua.ls Logo

Sony VPL-ES2 - Page 75

Sony VPL-ES2
98 pages
Print Icon
To Next Page IconTo Next Page
To Next Page IconTo Next Page
To Previous Page IconTo Previous Page
To Previous Page IconTo Previous Page
Loading...
VPL-CS7/ES2
2
3
4
5
1
6-7 6-7
ABCDEFGH
C (6/10) C (6/10)
1
2
3
4
5
6
7
8
9
10
11
12
13
14
15
16
17
18
20
19
21
22
23
24
25
26
27
28
29
30
31
32
32P
CN601
N.C.
VCOMR
PSIG
VSSGR
VSIG1
VSIG2
VSIG3
VSIG4
VSIG5
VSIG6
HVDD
DCK2
DCK2X
DCK1X
DCK1
HCK
HCKX
RGT
HST
HVSS
VSSGL
VVSS
ENB
VCK
VST
DWN
CLR
PCG
SOUT
VVDD
VCOML
GCFB
1/16W
CHIP
2.2k
R608
1/16W
CHIP
100
R606
HN1B01FU-TE85R
Q602
BUFFER
HN1B01FU-TE85R
Q601
BUFFER
1/16W
CHIP
10
R609
1/16W
CHIP
2.2k
R607
1/16W
CHIP
10
R610
1608
25V
0.1
F
C610
3LINESBUS
TG
TG_R
1uH
L604
1uH
L603
1/16W
CHIP
10k
R605
RGT_3.3
MCLK_R
25V
47
C611
25V
47
C607
25V
47
C606
1608
25V
0.1
F
C609
1608
25V
0.1
F
C604
1608
25V
0.1
F
C614
1608
25V
0.1
F
C612
1608
25V
0.1
F
C608
GCFB_R
DWN
1/16W
CHIP
47
R612
22
RB601
1
2
3
4
5
6
7
8
15.5V
13.5V
15.5V
15.5V
DA_R
25V
47
C615
3216
25V
1
B
C613
3216
25V
1
B
C616
1/16W
CHIP
R602
10k
1/16W
CHIP
R604
10k
1/16W
CHIP
10k
R601
1/16W
CHIP
R603
XX
RGT
10V
0.1
B
C602
3.3V-2
JL602
JL603
123456789101112
13
14
15
16
17
18
19
20
21
22
23
24
252627282930313233343536
37
38
39
40
41
42
43
44
45
46
47
48
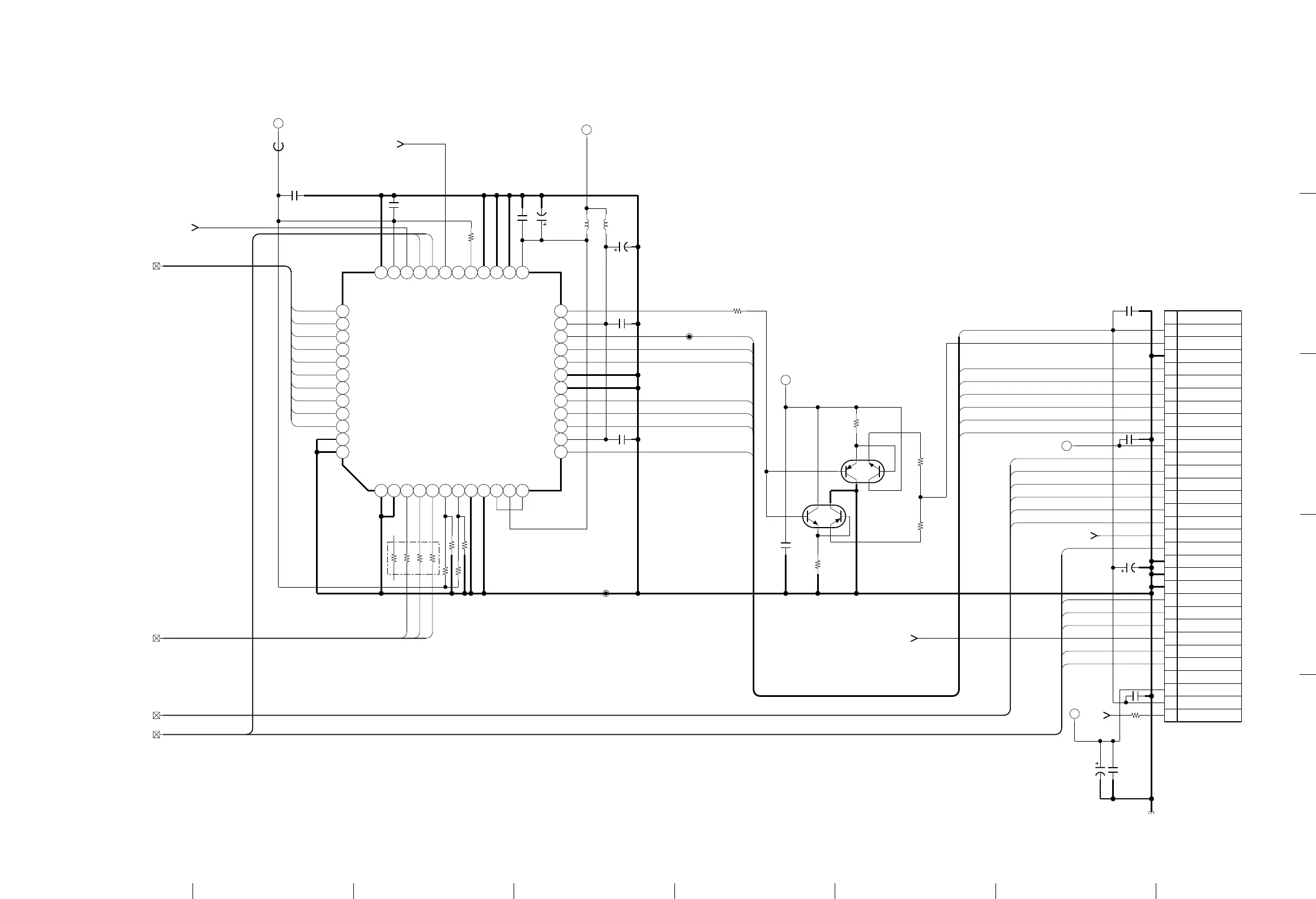
CXA7005R-T4
IC601
LCD_DRIVER
P1
DGND
P2
DGND
P3
SENB
P4
SCLK
P5
SDAT
P6
ADDR0
P7
ADDR1
P8
AGND
P9
AGND
P10
REFIN
P11
VCC
P12
SIG_C
P13
VCOM_OUT
P14
PVCC
P15
SIG_OUT6
P16
SIG_OUT5
P17
SIG_OUT4
P18
PGND
P19
PGND
P20
SIG_OUT3
P21
SIG_OUT2
P22
SIG_OUT1
P23
PVCC
P24
SID_OUT
P25
VCC
P26
AGND
P27
AGND
P28
AGND
P29
FRINV
P30
STATUS
P31
DIRC
P32
PRG
P33
FRP
P34
CLK
P35
VDD
P36
DGND
P37
D_IN9
P38
D_IN8
P39
D_IN7
P40
D_IN6
P41
D_IN5
P42
D_IN4
P43
D_IN3
P44
D_IN2
P45
D_IN1
P46
D_IN0
P47
DGND
P48
DGND
0uH
FB601
3216
10V
22
F
C601
R[0]
R[1]
R[2]
R[3]
R[4]
R[5]
R[6]
R[7]
R[8]
R[9]
VCOM_OUT_R
HST
ENB
VCK
VST
PCG
DCK2_R
DCK2X_R
DCK1X_R
DCK1_R
HCK1_R
HCK2_R
FRP
PRG
SENB
SCLK
SDAT
VID_R[1]
VID_R[3]
VID_R[5]
VID_R[6]
VID_R[1]
VID_R[2]
VID_R[3]
VID_R[4]
VID_R[5]
VID_R[6]
VCOM_OUT_R
CLR
VID_R[4]
VID_R[2]
TO 4/10
TO 4/10,7/10
TO 4/10
TO 5/10,7/10
TO 4/10
TO 4/10,5/10,7/10
TO 4/10,5/10,7/10
TO 4/10,7/10
TO 4/10
C (6/10)

Other manuals for Sony VPL-ES2

Related product manuals