EasyManua.ls Logo

Sony VPL-ES2 - Page 85

Sony VPL-ES2
98 pages
Print Icon
To Next Page IconTo Next Page
To Next Page IconTo Next Page
To Previous Page IconTo Previous Page
To Previous Page IconTo Previous Page
Loading...
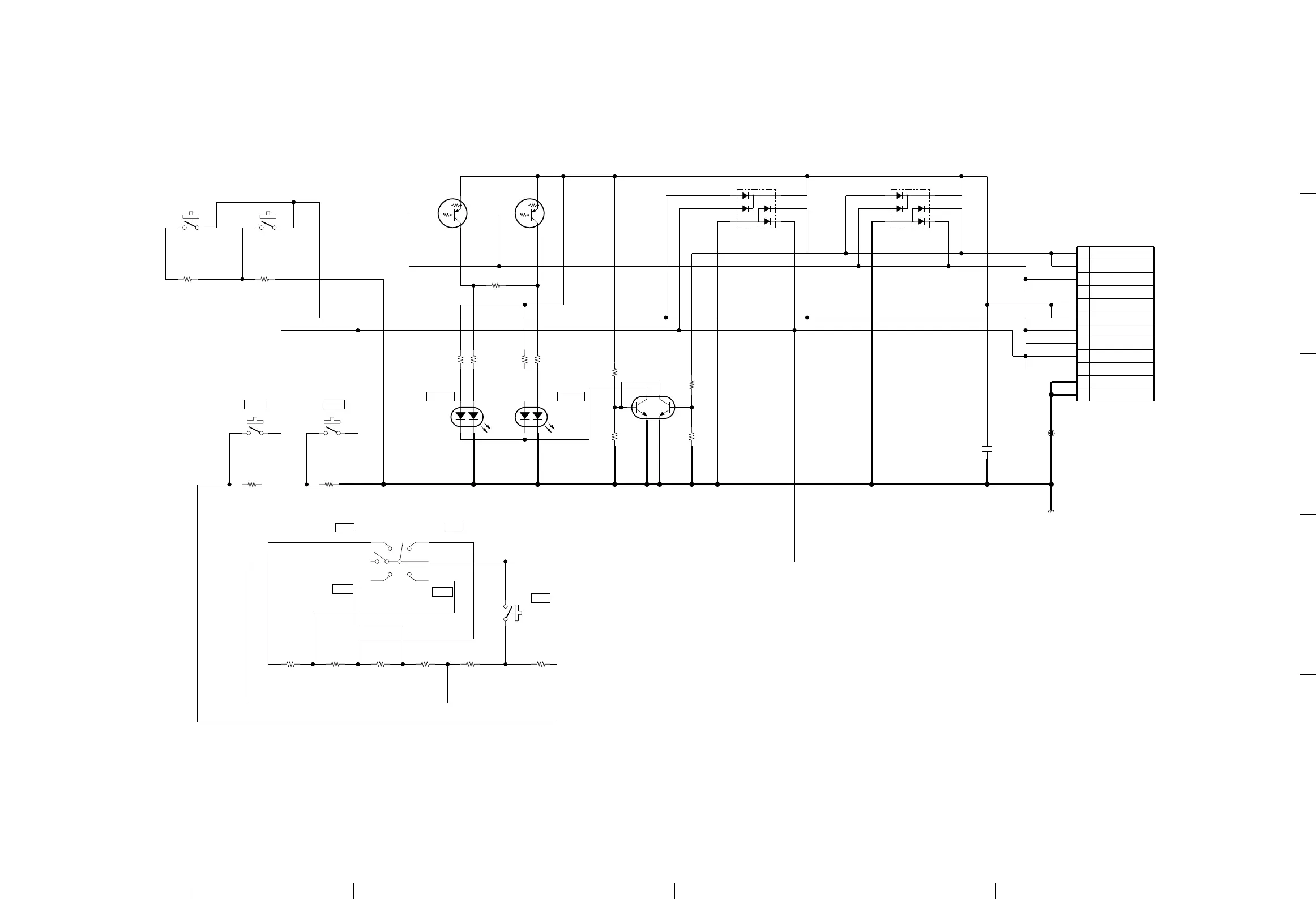
VPL-CS7/ES2
2
3
4
5
1
6-17 6-17
ABCDEFGH
HH
S10
S12
S11 S13
1/16W
CHIP
150
R10
1/16W
CHIP
180
R12
1/16W
CHIP
150
R11
1/16W
CHIP
180
R14
1/16W
CHIP
100
R18
1/16W
CHIP
100
R20
1/16W
CHIP
100
R22
1/16W
CHIP
100
R23
G
R
SEC2422C
D10
POWER_LED
G
R
SEC2422C
D11
POWER_LED
HN1D03FU-TE85R
D12
PROTECT
HN1D03FU-TE85R
D13
PROTECT
1
2
3
4
5
6
7
8
9
10
11
12
12P
CN10
Power_ON
Power_ON
POWER-LED
POWER-LED
SUB+3.3V
SUB+3.3V
KEY4
KEY4
KEY0
KEY0
GND
GND
JL10
10V
0.1
B
C10
DTA114EUA-T106
Q10
SW
DTA114EUA-T106
Q11
SW
S15
1/16W
CHIP
2.7k
R13
1/16W
CHIP
1.2k
R15
1/16W
CHIP
680
R16
1/16W
CHIP
390
R17
1/16W
CHIP
270
R19
1/16W
CHIP
220
R21
HN1C01FU-TE85R
Q12
SW
1/16W
CHIP
4.7k
R24
1/16W
CHIP
47k
R25
1/16W
CHIP
47k
R26
1/16W
CHIP
47k
R27
XX
R28
S14
2
4
6
3
1
5
RIGHT
UP
LEFT DOWN
MENU
ON/STBY
ON/STBY
b
e
c
a
g
d
INPUT POWER
H

Other manuals for Sony VPL-ES2

Related product manuals