EasyManua.ls Logo

Spirax Sarco BC3150 - Page 15

Spirax Sarco BC3150
44 pages
Print Icon
To Next Page IconTo Next Page
To Next Page IconTo Next Page
To Previous Page IconTo Previous Page
To Previous Page IconTo Previous Page
Loading...
IM-P403-88 AB Issue 5
15
BC3150
x1000
x100
x10
OK
AL
CLN
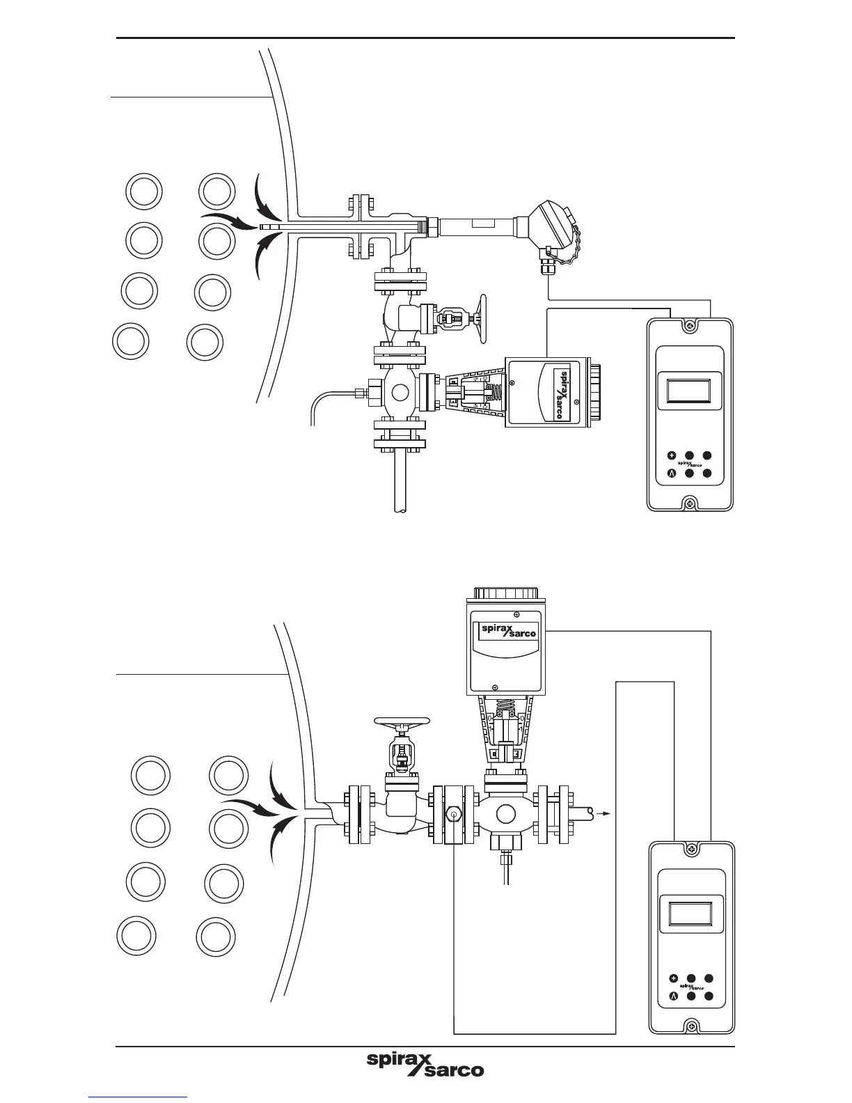
Fig. 7 BCS3 system
BC3150
x1000
x100
x10
OK
AL
CLN
Fig. 8 BCS4 system