EasyManua.ls Logo

Spirax Sarco BC3150 - Page 17

Spirax Sarco BC3150
44 pages
Print Icon
To Next Page IconTo Next Page
To Next Page IconTo Next Page
To Previous Page IconTo Previous Page
To Previous Page IconTo Previous Page
Loading...
IM-P403-88 AB Issue 5
17
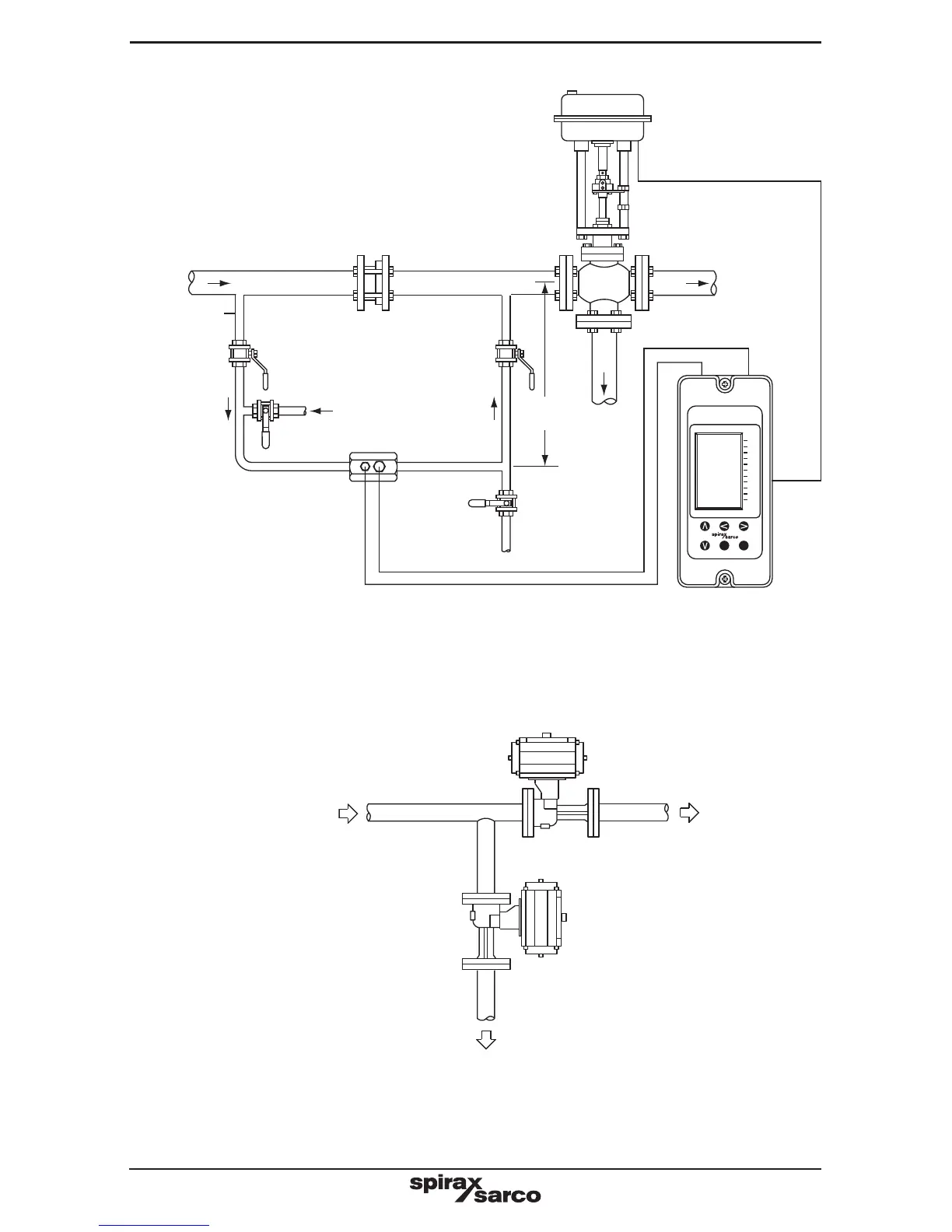
Fig. 9 Typical application - CCD system
OK
BC3150
100
50
0
%
SP
PV
AL
Dump valve (spring-to-open).
Opens when conductivity level
is above set point allowing
contaminated condensate to
flow to drain.
Isolating valve (spring-to-close) opens to allow
clean condensate to be returned to the boiler.
Fig. 10 Alternative arrangement of a CCD system using separate valves
Spring retract
pneumatic actuator
QL
3-port diverter valve
Check valve
Bypass line
Conductivity sensor
and
temperature sensor
500 mm
head