EasyManua.ls Logo

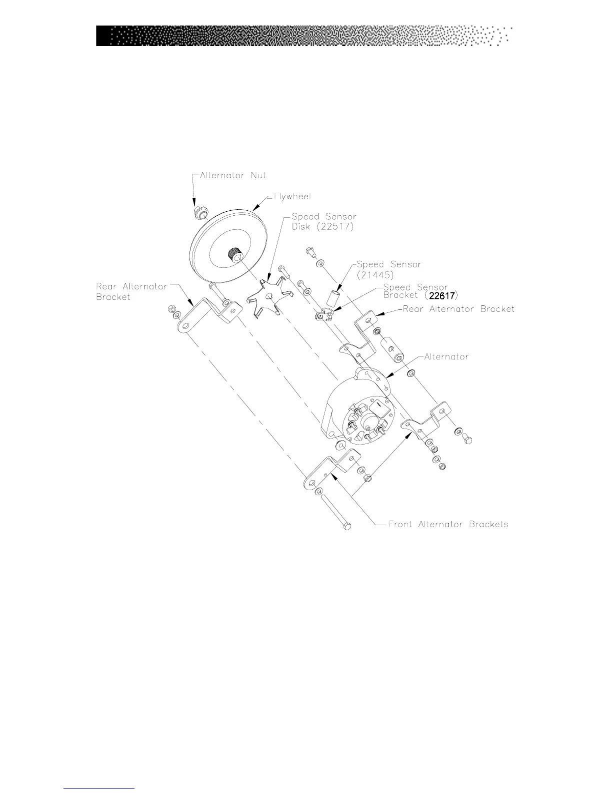
Stairmaster Stratus Systems - Figure 24: Alternator;Flywheel Assembly

Stairmaster Stratus Systems
80 pages
Print Icon
To Next Page IconTo Next Page
To Next Page IconTo Next Page
To Previous Page IconTo Previous Page
To Previous Page IconTo Previous Page
Loading...
Page 72
FIGURES
Figure 24: Alternator/Flywheel Assembly

Table of Contents

Related product manuals