EasyManua.ls Logo

Steffes 212 - 212 EXT - 312 EXT Shown with Multi-Mode Circuit Board (Figure 16); 212 EXT - 312 EXT Shown with Multi-Mode Circuit Board and 120 Volt Cord Connect(Figure 17)

Steffes 212
28 pages
Print Icon
To Next Page IconTo Next Page
To Next Page IconTo Next Page
To Previous Page IconTo Previous Page
To Previous Page IconTo Previous Page
Loading...
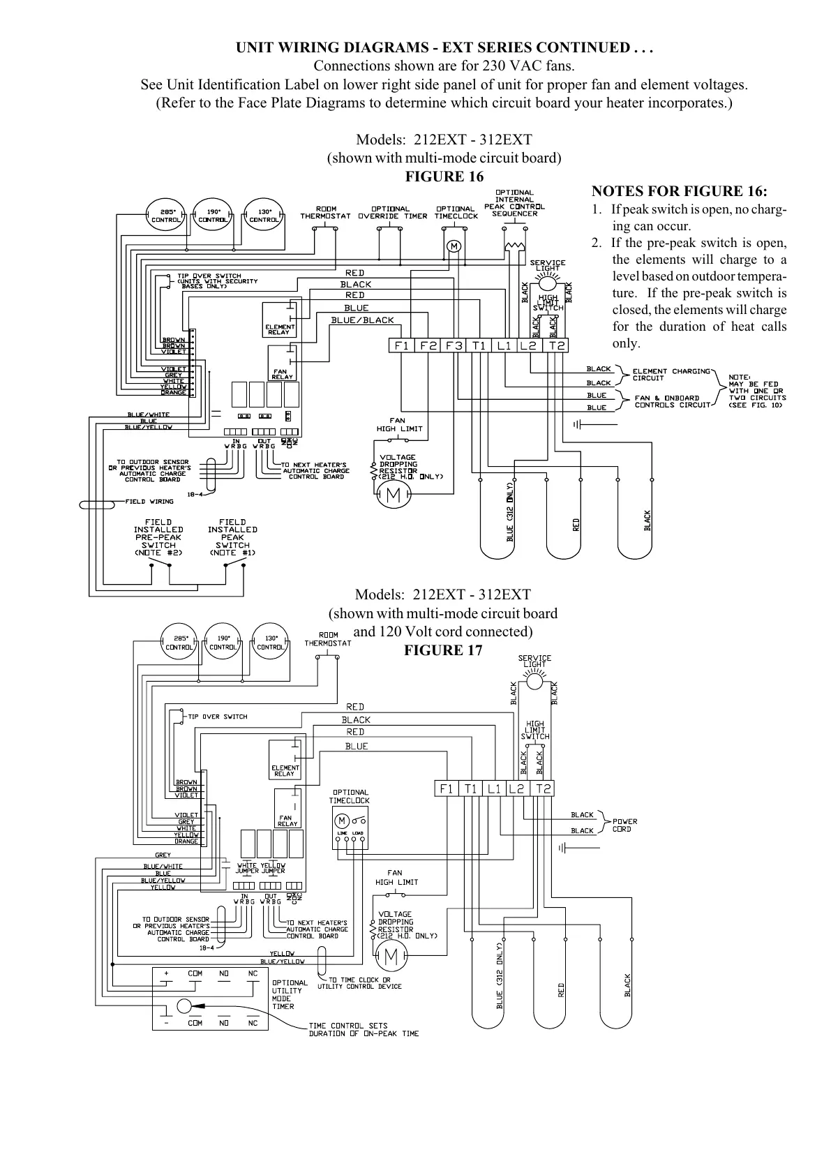
UNIT WIRING DIAGRAMS - EXT SERIES CONTINUED . . .
Connections shown are for 230 VAC fans.
See Unit Identification Label on lower right side panel of unit for proper fan and element voltages.
(Refer to the Face Plate Diagrams to determine which circuit board your heater incorporates.)
Models: 212EXT - 312EXT
(shown with multi-mode circuit board)
FIGURE 16
NOTES FOR FIGURE 16:
1. If peak switch is open, no charg-
ing can occur.
2. If the pre-peak switch is open,
the elements will charge to a
level based on outdoor tempera-
ture. If the pre-peak switch is
closed, the elements will charge
for the duration of heat calls
only.
Models: 212EXT - 312EXT
(shown with multi-mode circuit board
and 120 Volt cord connected)
FIGURE 17

Table of Contents

Related product manuals