EasyManua.ls Logo

Steffes 212 - EXPLODED VIEW DIAGRAM - EXT Series (Figure 25)

Steffes 212
28 pages
Print Icon
To Next Page IconTo Next Page
To Next Page IconTo Next Page
To Previous Page IconTo Previous Page
To Previous Page IconTo Previous Page
Loading...
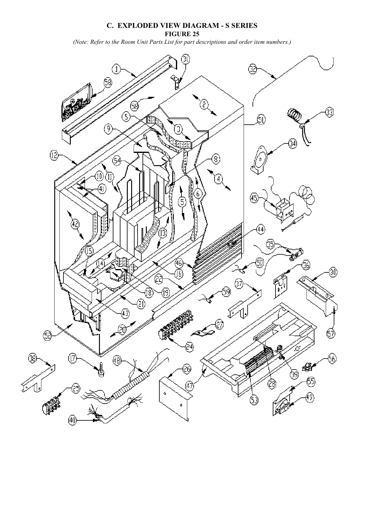
C. EXPLODED VIEW DIAGRAM - S SERIES
FIGURE 25
(Note: Refer to the Room Unit Parts List for part descriptions and order item numbers.)

Table of Contents

Related product manuals